Vaillant Erfahrungen arotherm plus VWL 35, 55, 75

5,00 Stern(e) 61 Votes
Zuletzt aktualisiert 22.11.2025
Sie befinden sich auf der Seite 590 der Diskussion zum Thema: Vaillant Erfahrungen arotherm plus VWL 35, 55, 75
>> Zum 1. Beitrag <<

M

Martin62

Ja ok, dass sollte aber so gehen. Ist ja im Endresultat auch nichts anderes. Sind die Ausgänge vom Regler stark genug für ein 3kW Heizstab? Sonst kommt da auch noch eine zusätzliche Elektroinstallation dazu.
Gruß Martin
 
R

Rafael_75

Ja ok, dass sollte aber so gehen. Ist ja im Endresultat auch nichts anderes. Sind die Ausgänge vom Regler stark genug für ein 3kW Heizstab? Sonst kommt da auch noch eine zusätzliche Elektroinstallation dazu.
Gruß Martin
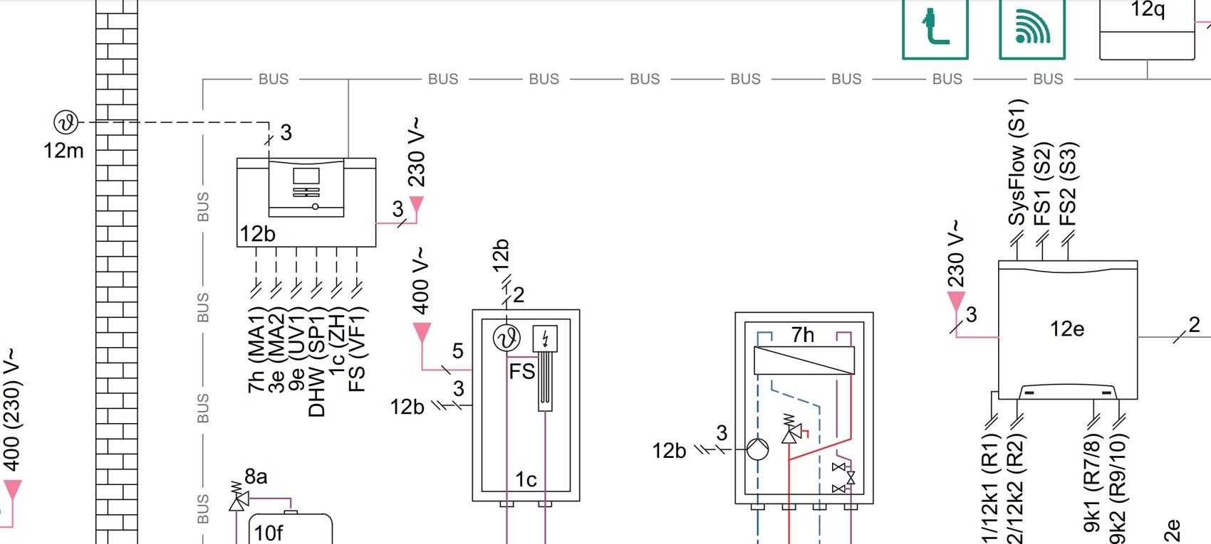
Wie gesagt, im Prinzip wird das beim Hydraulikplan 0020277459 so gemacht. Passt also. Meine Frage ist eher: Erwartet der Regler alle Geräte, die Vaillant in diesem Plan aufführt, oder schaut er nur, ob Wärmepumpe und Regler sich "unterhalten" können? Es wird ja selten jemand haargenau die gleiche Konfiguration betreiben. Andererseits habe ich schon irgendwo gelesen, dass es anfangs nicht funktioniert hatte, weil die falsche Systemkonfiguration eingestellt war...
Schematischer Elektro-Schaltplan mit Busleitungen, 230/400 V, FS und DHV.
 
M

Martin62

Über den ebus werden alle Geräte, die mit diesem verbunden sind, erkannt. Da braucht man dann in der Regelung nichts weiter einstellen. Wenn der Heizstab kein ebus hat, dann kann man in der Regelung eine externe Heizung angeben. Habe mich aber nicht weiter damit auseinander gesetzt. Ziel soll es ja sein, denn Heizstab nur in absoluten Ausnahmen zu betreiben.
Ich habe gerade ein schönes Telefonat gehabt in Sachen Pufferspeicher. Dazu etwas später mehr .;)
 
T

Thomas54429

Das ist ein guter Ansatz. Bei mir kann ich auch ausschließen, dass über die Rohre ein brummen ins Haus kommt (Rohre in Hauswand isoliert). Zudem höre ich im Keller direkt an der Hydraulikstation nichts.
Ist deine auch bei 65-70% leise?
Meine Arotherm steht auf Dämpfungssockeln
War bei mir genauso. Trotzdem hat man ein tiefes Brummen im Erdgeschoss vernommen.
Der Fehler war der Anschluss des Miniblocks mit starren Röhren. 30cm Flexrohr an der Einheit haben das Brummen beseitigt.
Keine Ahnung, warum der HB starre Rohre benutzt hat. Wahrscheinlich aus Kostengründen.
 
H

Hausbau55EE

War bei mir genauso. Trotzdem hat man ein tiefes Brummen im Erdgeschoss vernommen.
Der Fehler war der Anschluss des Miniblocks mit starren Röhren. 30cm Flexrohr an der Einheit haben das Brummen beseitigt.
Keine Ahnung, warum der HB starre Rohre benutzt hat. Wahrscheinlich aus Kostengründen.
Was meinst du mit Miniblock?
Meine Außeneinheit der Arotherm war anfangs mit starrer Kupferleitung mit dem Unitower im Haus verbunden. Anfangs aber war die Außeneinheit mit den Pflastersteinen in einer Ebene. Da hat der Heizungsbauer selbst erkannt, dass bei starken Schneefall die Lüfter ein Problem bekommen können (eindringen von Schnee). Daraufhin hat er die Sockelsteine höher positioniert. Die Außeneinheit steht nun deutlich und wurde mit 2 Flexrohren zur bisherigen Leitung verbunden. Möglicherweise ist diese "weiche" Verbindung besser geeignet?
 
T

Thomas54429

Was meinst du mit Miniblock?
... Möglicherweise ist diese "weiche" Verbindung besser geeignet?
Ich meine natürlich Monoblock.
Über die starren Leitungen wurden die Vibrationen ins Haus getragen und waren gut wahrnehmbar.
Die Wandhalter übergaben das Geräusch trotz Gummidämpfern an die Wände.
Nach dem Tausch ist nun Ruhe.
 
Zuletzt aktualisiert 22.11.2025
Im Forum Vaillant Deutschland GmbH & Co. KG gibt es 52 Themen mit insgesamt 6826 Beiträgen


Ähnliche Themen zu Vaillant Erfahrungen arotherm plus VWL 35, 55, 75
Nr.ErgebnisBeiträge
1Höhe Sockel Außeneinheit Wärmepumpe 10
2Aufstellung Außeneinheit aroTHERM SPLIT VWL 75/5 AS 13

Oben