Brötje BLW Neo 8 Heizkurve Einstellungen

4,90 Stern(e) 24 Votes
Zuletzt aktualisiert 07.10.2025
Sie befinden sich auf der Seite 81 der Diskussion zum Thema: Brötje BLW Neo 8 Heizkurve Einstellungen
>> Zum 1. Beitrag <<

A

Alessandro

wenn überhaupt.
Der Verteiler ist im Hauswirtschaftsraum knapp unter der Decke. Direkt darüber ist das Bad. Näher ist nur der Hauswirtschaftsraum selbst, der aber vom Verteiler am Boden bedient wird
 
D

Daniel-Sp

Dann müsste der Verlegeabstand irgendwo zwischen 10 und 12cm liegen. Nach den Bildern hätte ich eher auf 15cm getippt.
Weißt du welche Rohre er genommen hat
 
tomtom79

tomtom79

@Alessandro

Es Steht auf dem Rohr drauf, aber wie angemerkt sehen sie sehr dünn aus.

Ich vermute es läuft auf einen zusätzlichen Wärmeerzeuger hinaus, der Sanitäter hat das ja mit dem Handtuch Heizkörper schon versucht zu lösen. Aber ich würde einen elektrischen bevorzugen der für das duschen und Baden angeworfen wird.
 
A

Alessandro

ja das will ich vermeiden.
ich hatte seit gestern 21:30 bis 10:30 insgesamt 13 Verdichterstarts mit 3h Heizbetrieb

Ich weiß nicht mehr was ich noch versuchen könnte.
Das Problem liegt einfach daran dass die Rücklauf Temperatur sehr schnell erreicht wird und die Wärmepumpe abschaltet. Hysterese habe ich auf 2° gestellt, wie empfohlen.

Bei einer aktuellen AT=14°, soll die Puffertemperatur (= Rücklauf, nach dem geregelt wird) 25° entsprechen.
Bei der Heizkurve, sollte der Wert jedoch um die 22° liegen oder?

Heizkurve Wärmepumpe:
15° = 22°
0° = 27 °
-15° = 30°

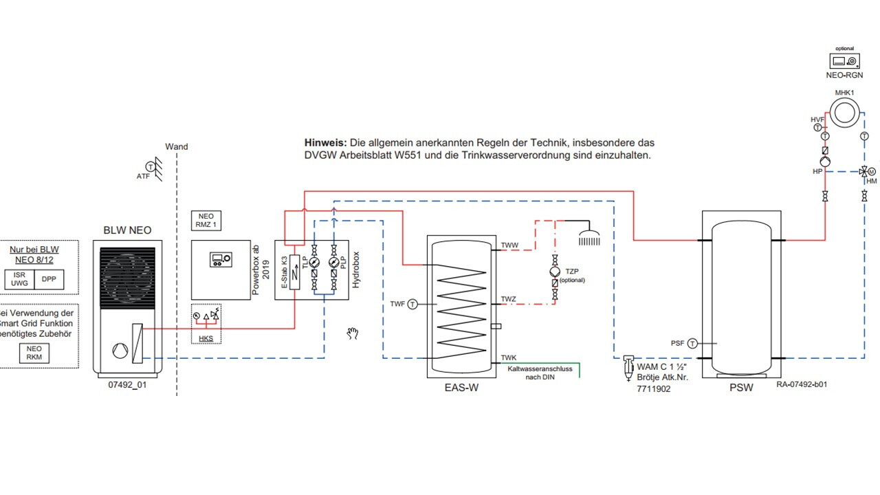
Technische Skizze der Warmwasserversorgung: Wärmetauscher, PSW, farbige Leitungen.
 
Zuletzt aktualisiert 07.10.2025
Im Forum August Brötje GmbH gibt es 4 Themen mit insgesamt 947 Beiträgen


Ähnliche Themen zu Brötje BLW Neo 8 Heizkurve Einstellungen
Nr.ErgebnisBeiträge
1Hydraulischer Abgleich Luftwasser-Wärmepumpe + Effizienz-Umwälzpumpe - Seite 7109
2Luft-Wasser-Wärmepumpe aktueller Verbrauch und Daten - Seite 171439
3Wärmepumpe in der Übergangszeit - Seite 534
4KfW55: Gas oder Luft-Wasser-Wärmepumpe mit/ohne Photovoltaik 17
5Fußbodenheizung auch im Technikraum / Hauswirtschaftsraum - Seite 319
6Reicht der Hauswirtschaftsraum auch als Abstellkammer aus? - Seite 322
7Schallschutztür im Hauswirtschaftsraum notwendig? Erfahrungen? 22
8Heizungskonzept für Einfamilienhaus Neubau ca. 190m²:Split Wärmepumpe vs. Sole - Seite 213
9Gas oder Wärmepumpe? Erfahrungen / Feedback - Seite 9115
10Kosten für Sanitär & Wärmepumpe - Seite 331
11Luft-Wasser-Wärmepumpe Dimensionierung im Neubau - Seite 23311
12Kleinstmögliches Fenster für Lüftung Hauswirtschaftsraum 22
13Grundriss 170m2 - Hauswirtschaftsraum zu klein? Verbesserungsvorschläge? - Seite 342
14Unterdruck Schaltung für Luft Luft Wärmepumpe 12
15Nibe F750 Wärmepumpe mit Kamin zur Entlastung? - Seite 316
16Warmwasser nur mit Wärmepumpe? - Seite 210
17Wärmepumpe oder Solarthermie mit Heizkörpern 36
18Wärmepumpe-Vorlauftemperatur Erfahrungen? - Seite 213
19Bodenheizung Luft- Wasser- Wärmepumpe. Haus zu warm wenn Sonne scheint - Seite 59690
20Luft-Wasser-Wärmepumpe mit wasserführendem Kaminofen kombinieren - Seite 957

Oben