Brötje BLW Neo 8 Heizkurve Einstellungen

4,90 Stern(e) 24 Votes
Zuletzt aktualisiert 18.11.2025
Sie befinden sich auf der Seite 55 der Diskussion zum Thema: Brötje BLW Neo 8 Heizkurve Einstellungen
>> Zum 1. Beitrag <<

D

Daniel-Sp

Das wird eher ein Verteilungsproblem der Wärme sein. Und dann noch die Frage wie häufig die Wärmepumpe jetzt am Tag läuft und wie lange.
 
Mycraft

Mycraft

Moderator
Ja aber langsam scheint es ja zu funktionieren nur das Bad bzw. das ganze OG muss mehr Wärme bekommen.

was wird verändert wenn ich die Raum_soll Temperatur am Regler ändere?
Damit erhöhst du die fiktive Raumtemperatur. Die Zahl in der Regelung entspricht nicht der tatsächlichen und gemessenen Raumtemperatur sondern ist nur ein Rechenwert. Im Prinzip ist dies der Parameter für die Parallelverschiebung der Heizkurve.
 
Zuletzt bearbeitet:
A

Alessandro

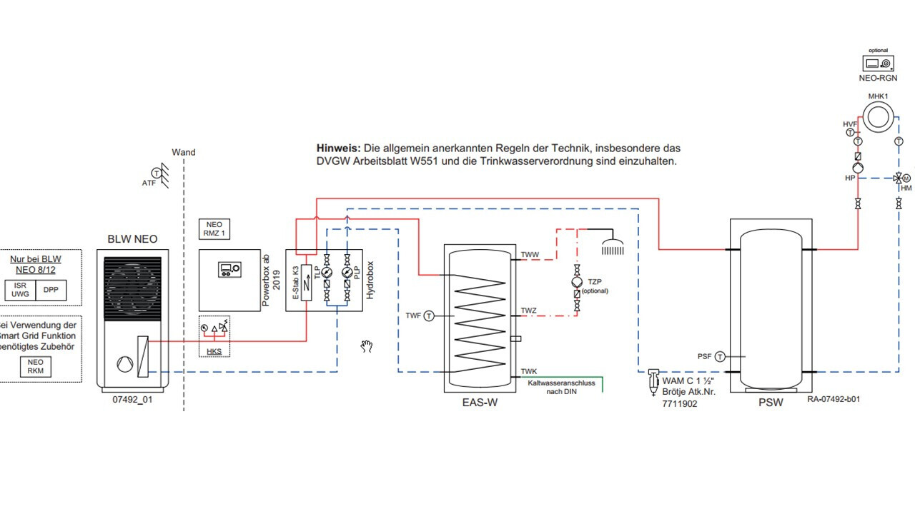
gestern war der Installateur da. Der kann sich auch nicht erklären warum die Rücklauftemperatur im Heiztakt so rumspinnt.
Er hat mir auch erklärt dass der Rücklauffühler = Pufferfühler ist, wie von mir schon vermutet.
Das bedeutet dass der Rücklauf-, Vorlauf- und Pufferfühler immer die gleichen Temperaturen anzeigen sollten.
So steht das auch in der Betriebsanleitung und macht auch beim Hydraulikschema Sinn:


Technische Datenblattseite mit Temperaturwerten in Tabellen aus einem Handbuch.



Diagramm einer Heizungsanlage mit Wärmespeicher, Pumpen und farbigen Leitungen.



Er kann sich auch nicht erklären warum die Wärmepumpe nicht heizt, obwohl die Puffertemperatur 24° hat und es 28° sein sollten:


Grundbedienung: HKR, Nr 22.0 C; WWW 49, PULT 24, 28 C


Er meinte auch dass die Durchflussmengen beim HKV für das OG zu hoch sind und hat manuell den Vorlauf reguliert, so dass die Durchflüsse zwischen 1L und 2L/h liegen:


Heizungsverteiler mit vielen Absperrventilen, Rohren, Kabeln und isoliertem Rohr.


Das ganze wurde gestern Abend eingestellt. Heute morgen sind die Temperaturen gesunken und es wurde kein weiterer Heiztakt gestartet, obwohl die Heizkurve auf 23,30,30 erhöht wurde.

Er konnte sich darauf keinen Reim machen, hat alle Werte notiert und den Brötje Techniker angerufen, damit der mal bei mir vorbeikommt....
 
H

halmi

sry, aber das ist doch irgendwie mMn nur rumgepfusche... Das einzige was da dringend gedrosselt werden muss ist der Flur (5.)
 
A

Alessandro

naja, im EG habe ich bei allen Kreisen Durchflüsse unter 2L. Da wird es warm. Im OG mit mehr Durchfluss nicht.
Mehr als ausprobieren kann man es nicht, zumindest solange das Problem mit den Fühlerwerten noch nicht behoben ist.
Bringt ja nix wenn ich oben friere und unten ersticke

hier die Leitungslängen:

EG:

1. Hauswirtschaftsraum = 20m
2. Gäste-WC = 31m
3. Flur = 42m
4. Küche = 87m
5. Wohnen = 102m
6. Wohnen = 80m
7. Wohnen = 70m
8. Wohnen = 97m
9. Garderobe = 20m


OG:

1. Schlafen = 77m
2. Ankleide = 68m
3. Galerie und Flur = 74m
4. Kind 2 = 90m
5. Flur = 28m
6. Kind 1 = 92m
7. WC = 14m
8. Bad = 71m
9. HTHK
 
Zuletzt aktualisiert 18.11.2025
Im Forum August Brötje GmbH gibt es 4 Themen mit insgesamt 947 Beiträgen


Ähnliche Themen zu Brötje BLW Neo 8 Heizkurve Einstellungen
Nr.ErgebnisBeiträge
1Hydraulischer Abgleich, Einzelraumregelung deaktivieren? 51
2Treppe im Flur, Grundriss steht eigentlich schon :o( - Seite 320
3Hauseingang mit Flur oder ohne 15
4Welcher Bodenbelag im Eingang/Flur? Wer hat Erfahrungen? Bilder? 14
5Grundrissplanung Wohnzimmer und Flur zu schmal? - Seite 221
6Ausreichend Licht im Flur? Bitte um Meinung 12
7Grundrissplanung: Flur im EG breit genug? 57
8Lichtplanung mit LED Spots für Flur 13
9Fliesen oder Vinyl in Küche und Flur 19
10Anzahl Einbauspots im Flur DG 50
11Wie viele Lampen im 7m langen Flur? 13
12Kontrollierte-Wohnraumlüftung auch im Flur? Haben wir nicht - stickig 11
13Treppe "ragt" in Flur hinein: Problematisch? 12
14Probleme bei der Flur-Möblierung, wer hat Ideen? - Seite 443
15Fehlender Lüftungsanlagen-Deckenauslass im Flur dramatisch? 12
16Bewegungsmelder im Flur/Dielenbereich - Seite 427
17Planung Einbaustrahler Flur und Garderobe - Tipps 62
18Flur und Wohn-/Essbereich selben Bodenbelag? 50
19Lichtberatung: Leuchtenidee für hohen Flur gesucht 18
20Parkett von Flur in Zimmer durchlegen 17

Oben