Badplanung Gästebad

4,40 Stern(e) 5 Votes
T

Tommes78

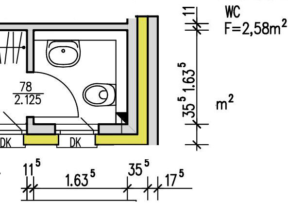
Wir waren heute im Sanitärstudio und uns wurde eine Umgestaltung für unser kleines Gäste-WC vorgeschlagen, wo ich gerne einmal eure Meinungen zu hören möchte.

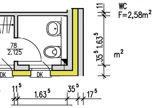
Die Version Bad_orig ist die Variante vom Architekt wo wir bisher mit zufrieden waren, nun hat uns der Sanitär Planer auf die Variante Bad_vorschlag hingewiesen und meinte das es die bessere Lösung wäre auch in Bezug auf die Fliesen später. Dadurch hat man nur eine Installationsebene und auch würde man sich Fliesen sparen da nur die ein Wand gefliest werden muss.
Generell finde ich die Variante nicht schlecht da so auch an der anderen Wand noch viel Platz für einen schrank oder sowas ist, aber ich weiß nicht ob es zu knapp ist. Das Bad hat die Masse von 1,63 x 1,63.
Generell meinte er benötigt man 80 cm für das WC und dann rechne ich mal 45 cm waschbecken dann sollte das auf 1,63 breite passen. Natürlich könnte man das Bad mit Waschbecken noch tauschen.

Bin da mal auf eure Einschätzungen gespannt.

Badezimmer-Grundriss mit WC, Waschbecken und Tür


2D-Badgrundriss mit WC, Tür und Sanitäranlagen
 
MarcWen

MarcWen

Ich würde Variante Original lassen. Gab letztens mal eine Diskussion um den Platzbedarf des Stillen Örtchen.

Kannst ja den Sanitär Planer bei seinem Vorschlag mal einladen. Er soll aber beim Geschäft seine Knie einziehen und immer brav die Tür verriegeln. :)
 
EveundGerd

EveundGerd

Variante Original verspricht doch etwas mehr Platz auf der Toilette. Aus dem Waschbecken könnte man einen Waschtisch machen und schon hat man Platz für die im Gäste-WC benötigten Dinge. ,)
 
M

merlin83

Ich bin auch an dem Thema dran und habs mir ebenfalls im EG bisschen zu kuschlig gemacht. Zu Deiner Planung: WC ist 40 breit und braucht links und rechts ca. 20cm (was gut ausreicht; auch für üppige Menschen) -> sind wir bei 80cm. Dann bleiben nochmals 80cm für nen Waschtisch, was gut machbar ist.

Vorteil bei der Sanitär Planung ist, dass du nur eine Vormauerung brauchst. Da bleibt mehr vom Boden. Außerdem kannst bei der Sanitär Planung Türe schwenken und Händewaschen....das geht bei der ArchiPlanuung nicht.

Ad hoc würde ich den Sanitär nehmen.
 
Jochen104

Jochen104

Mir gefällt die zweite Variante auch besser, da du Platz hast un dich hinzustellen wenn du die Tür auf und zu machst.

:)
 
W

Watcher78

mh schwierig. Sofern ihr auch meint es ist genug Platz würde ich dem Sanitär Planer zustimmen.
Evtl. kann man WC und Waschbecken noch tauschen beim Sanitär Plan
 
Zuletzt aktualisiert 11.12.2025
Im Forum Bauplanung gibt es 5073 Themen mit insgesamt 100820 Beiträgen


Ähnliche Themen zu Badplanung Gästebad
Nr.ErgebnisBeiträge
1Zwei Bäder: Wo sollen Fliesen hin? 49
2Entwürfe Gestaltung Fliesen Bad / Gäste-WC - Seite 319
3Gäste-WC Anordnung - Tipps? 19
4Planung Gäste-WC im Neubau - Wie groß muss es sein? (DIN?) - Seite 2107
5Errechnete Baukosten unverständlich hoch - Seite 450
6WC-Fenster Gäste-WC neben der Eingangstür - inzwischen nogo? - Seite 744
7Lichtanschluss falsche Stelle Gäste-WC 29
8Lage Gäste-WC - Eingangsbereich? 28
9Gäste-WC (1,65qm) und Bad (4,88qm) Sanierung 21
10Bad Bilderthread - Zeigt her eure Badbilder! - Seite 3117
11Gäste-WC: Decke abhängen oder Rohr verkleiden? - Seite 216
12Beispiel Kaltwasserhahn für Gäste-WC 12
13Fenster im Gäste-WC/Gästezimmer trotz Garage möglich? - Seite 333
14Rollladen im Gäste-WC ja oder nein? 35
15Planung Gäste-WC, brauche eure Tipps 17
16Holzoptikfliesen - Was haltet ihr von diesen Fliesen? - Seite 17168
178,02m Positionierung Waschbecken / Toilette - Seite 1069
18Tür nach innen oder außen aufgehend? Was ist normal? - Seite 432
19Welche Fliesen im Eingangsbereich wählen? Was habt ihr gewählt? - Seite 529
20Badezimmer raumhoch oder halbhoch Fliesen? - Seite 532

Oben