Heizungsnalge Neubau (Wärmepumpe + Ofen + Solar)

4,00 Stern(e) 3 Votes
B

bau_name

Hallo zusammen.

Ich möchte mich kurz vorstellen. Wir haben vor 5 Jahren begonnen ein neues Einfamilienhaus zu bauen. Vor ca. 2,5 Jahre sind wir dann eingezogen.

Leider war es aber so, dass wir uns nach den ersten Wochen vom Architekten und der Bauleitung trennen mussten, die Leistungen (Planung, etc.) waren eine Katastrophe und auch die Handwerker waren zum teil alles anderes als vom Fach (meine pers. Meinung).

Aber hier soll es nicht um unsere Leidensgeschichte gehen, inzwischen wohnen wir zu vollen Zufriedenheit in unserem Haus.

Dennoch wollen wir noch einmal in naher Zukunft bauen. Damit uns das ganze Theater nicht wieder blüht, möchten wir uns vorher so gut wie möglich selber eine Meinung bilden.

So nun zu dem Thema:

Wärmepumpe
Wasserführender Ofen (zu Entlastung bei kalten Temperaturen)
kein Solar (Energieeinsparverordnung wird gehalten)
Heizlast ca. 7000kWh im Jahr ohne Warmwasser
Vorlauf 26-32 Grad, die Spreizung liegt bei 5 Grad.
Raumvolumen ca. 600m³

Die Werte habe ich von unserem Haus und das neue Haus wird nahezu gleich gebaut, bekommt evtl. noch eine bessere Dämmung. Also denke ich das ich es als Referenz nehmen kann.

Beispiel: Bei 0 Grad außen und 23 Grad innen, haben wir einen Vorlauf von 30 Grad und einen Rücklauf von 25 Grad, also 5 Grad Spreizung.

Kurz zusammengefasst:

-Wärmepumpe soll das Haus alleine beheizen und auch kühlen können
-Betondecke soll dabei aktiv gekühlt werden (bis zum Taupunkt), ggf. auch der Fußboden
-Wasserführender Ofen soll zu Unterstützung dienen und zu Gemütlichkeit
-Solar soll nicht verbaut werden (optional)

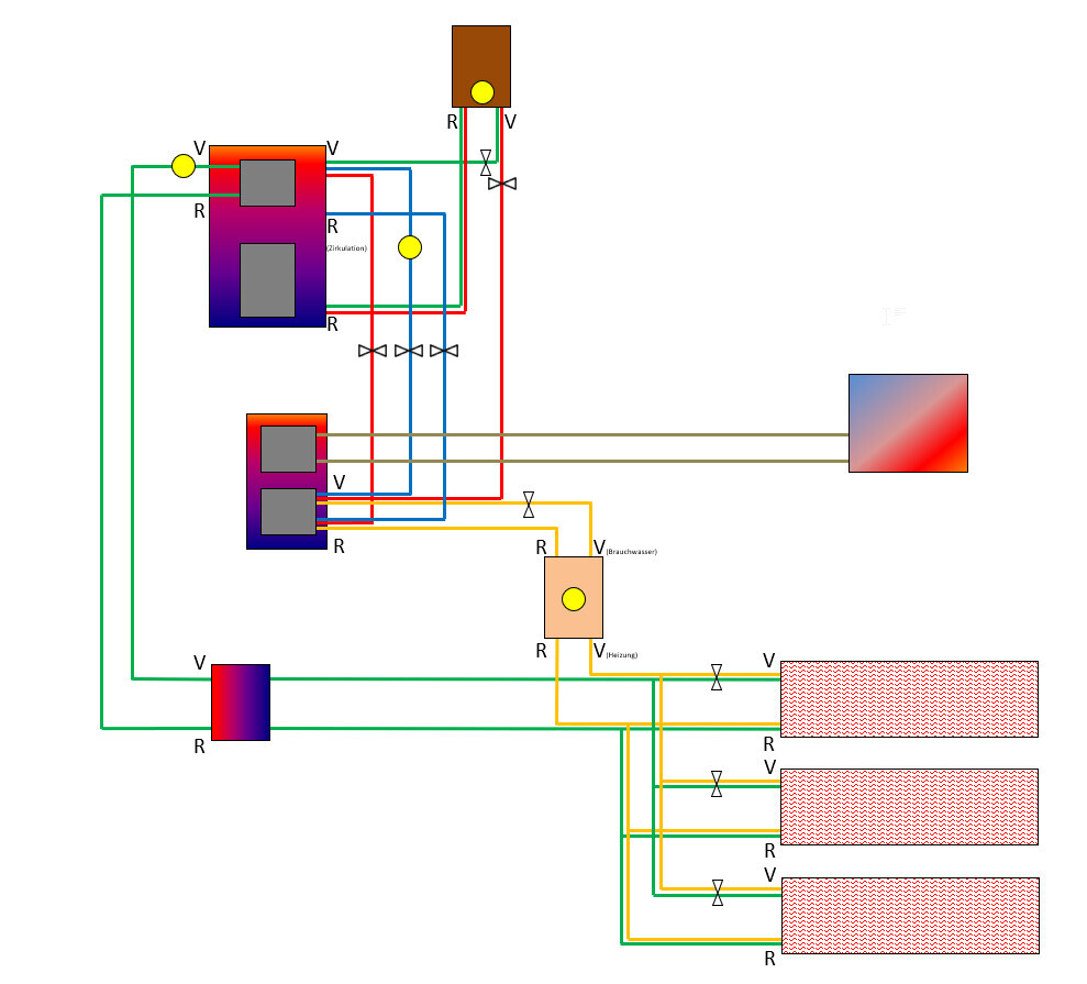
Ich habe einmal ein einfaches Schema gezeichnet, mit zwei Speichern (1000 Liter Puffer / 300 Liter Warmwasser Speicher).

Zur Funktion:

-Im Normalfall / Sommer, heizt die Wärmepumpe den Brauchwasserspeicher auf 50 Grad, ab einer bestimmten Uhrzeit auf (gelb).
-Wird der Ofen angemacht, wird zuerst der Brauchwasserspeicher durch den unterliegenden Wärmetauscher aufgeheizt und dann im Puffer weiter abgekühlt. (rot).
-Ist der Ofen aus, wir das Wasser vom Puffer solange umgeschichtet bis, der Speicher 60 Grad hat oder die gleiche Temperatur wie im Puffer (blau).
-Solar evtl. an den oberen Wärmetauscher vom Warmwasser Speicher (braun), ggf. kann der Puffer über den unteren Wärmetauscher auch noch erwärmt werden.
-Ist der Speicher kalt, der Ofen aus und es wir schnell Warmwasser gebraucht, schaltet die Wärmepumpe an und ein Heizstab im Warmwasser Speicher dient zu Unterstützung. Sonst halt normal über die Wärmepumpe nach Uhrzeit.
-Fußbodenheizung (Fußbodenheizung) und die DH (Deckenheizung) werden über die Wärmepumpe oder über den Puffer versorgt.

Das Schema ist von der Regelung her sehr einfach und würde über eine programmierbare Steuerung geregelt. Zudem sind hier wenige Komponenten verbaut die einen Defekt haben können oder eine Fehlersuche erschweren.

Ein Kombigerät / Kombispeicher möchte ich nicht, aus meiner Sicht relativ teuer und ich brauche immer einen Servicetechniker, wenn mal was ist.
Sollte es einmal zu Problemen kommen, kann man die Ventile von Hand schalten und die Wärmepumpe macht alleine die Arbeit.

Das ist mir auch sehr wichtig.

Das Brauchwasser (Frischwasser) kommt nicht mit dem Heizkreis in Verbindung.

Bitte noch nicht über die Art der Wärmequelle (Wärmepumpe, Solar, …) diskutieren.
Das möchte ich dann später, außer es ist im Zusammenhang über die Funktion. Danke.

Über die Regelung der Fußbodenheizung und DH, muss im zweiten Step dann noch geredet werden. Aber dazu muss erst mal die Anlage stehen.

Vielen Dank für die Unterstützung.

Schematisches Haustechnik-Diagramm mit Heizungen, Rohren und Heizkörpern
 
T

toxicmolotof

Guten Morgen und frohe Weihnachten.

Deine Zeichung habe ich nicht geprüft, da das der Job des Anlagenbauers oder noch besser eines Heizungsanlageningenieurs ist.

Was ich dir aber sagen kann:
So schön und ideal der Gedanke auch ist, dein Investment bekommst du vermutlich nie wieder raus.

Der Pufferspeicher reduziert die Wirkung der Wärmepumpe, nur um mit Holz wieder nachzuheizen. Vielleicht macht es mit einer Luft-Wasser-Wärmepumpe und gratis Holz Sinn.
 
B

bau_name

Hallo und Danke für die schnell Antwort.

Das Thema Anlagenbauer habe ich oben aufgeführt....
Ich sehe keinen Zusammenhang der Wärmepumpe und den Pufferspeicher?
 
T

toxicmolotof

Dann lasse dir das von einem Fachmann erklären. Ich bin kein Fachmann.

Eine Wärmepumpe benötigt vernünftig geplant keinen Puffer. Der Puffer verschwendet daher Energie durch unnötige Abwärme und Erwärmung.
 
B

bau_name

Warum kann man in Foren nicht normal diskutieren?

Das eine Wärmepumpe keinen Puffer braucht ist klar.

Wenn Du nur einmal mein Beitrag gelesen hättest und auch nur einmal mein Schema Dir angeschaut hättest, dann hättest Du gesehen, das der Puffer in den Schema nur für den Ofen ist. Die Wärmepumpe heizt direkt die Fußbodenheizung und DH und dann noch die Antwort das Du nicht vom Fach bist *kopfschütteln*

Ich würde mich freuen wenn hier noch vernünftige Antworten kommen und nicht nur aus Langeweile geschrieben.....führe ich nicht weiter aus.

Sorry.
 
J

Joedreck

Hallo!
Erstmal:Komische Art von dir in einem offenen Forum die Meinung und Äußerung Anderer beschneiden zu wollen. Funktioniert so eher selten.

Eine grundsätzliche Frage von mir: was ist deine Intention erst über ein Schema und dann über die Art der Wärmeerzeugung sprechen zu wollen? Evtl steckst du Wochen und Monate in eine Idee, welche dann aus welchem Grund auch immer platzen würde?
Um sinnvolle Tipps zu geben ist Hintergrundwissen unerlässlich
 
Zuletzt aktualisiert 11.12.2025
Im Forum Wärmepumpen / Lüftungsanlagen gibt es 815 Themen mit insgesamt 11813 Beiträgen


Ähnliche Themen zu Heizungsnalge Neubau (Wärmepumpe + Ofen + Solar)
Nr.ErgebnisBeiträge
1Wärmepumpe verträgt sich nicht mit wasserführendem Kamin 144
2Gasheizung + Solar & Kontrollierte-Wohnraumlüftung oder Luft-Wasser-Wärmepumpe Energieeinsparverordnung 2016 - Seite 326
3Fußbodenheizung und Luft-Wasser-Wärmepumpe im Neubau: handele ich mir Probleme ein? - Seite 428
4Luft-Wasser-Wärmepumpe in Kombination mit Fußbodenheizung arbeitet nicht korrekt - Seite 965
5Pufferspeicher bei Wärmepumpe sinnvoll? 72
6Luft-Wasser-Wärmepumpe mit Solarthermie und Kamin? Kosten/Nutzen/Sinn - Seite 234
7Zusätzliche Heizunterstützung von Solar/Kamin - Seite 212
8Wasserführender Kaminofen Fußbodenheizung, Wärmepumpe Photovoltaik Neubau? 28
9Gas, Wärmepumpe und Solar für ein Einfamilienhaus? - Seite 336
10Luft-Wasser-Wärmepumpe mit Fußbodenheizung richtig einstellen - Seite 554
11Luft-Wasser-Wärmepumpe - Pufferspeicher Ja oder Nein? - Seite 228
12Altbau Wohnung mit Gastherme - Fußbodenheizung jetzt, Wärmepumpe später 14
13Wärmepumpe, Wasserspeicher, Durchlauferhitzer, wfK, Fußbodenheizung, Heizen und Kühlen 12
14Wärmepumpe: Pufferspeicher, Leistung und Modulation 46
15Erfahrungen Sole-Wärmepumpe - Seite 46491
16Frischwasserstation und Pufferspeicher technisch bessere Wahl? - Seite 424
17Luft-Wasser-Wärmepumpe mit wasserführendem Kaminofen kombinieren - Seite 657
18Luft-Wasser-Wärmepumpe aktueller Verbrauch und Daten - Seite 781439
19Roth Wärmepumpe Einfamilienhaus Einstellung / Optimierung 23
20Wie Heizung mit Wärmepumpe im Neubau planen? 14

Oben