Grundriss Einfamilienhaus, ~180m², Keller mit Satteldach

4,30 Stern(e) 3 Votes
Zuletzt aktualisiert 20.11.2025
Sie befinden sich auf der Seite 8 der Diskussion zum Thema: Grundriss Einfamilienhaus, ~180m², Keller mit Satteldach
>> Zum 1. Beitrag <<

M

Mike12345678901

Also kurz ist relativ....Gebraucht hat er dafür 2 Monate, hat sich auch das Gelände angeschaut, Hoehenaufmass gemacht und so....aber herausgekommen ist halt dabei heiße Luft bzw. nichts ausser drei Konzeptzeichnungen die hinten und vorne Mist waren.

Architekt ist trotzdem nicht ausgeschlossen, keine Frage.
 
J

j.bautsch

und da habt ihr ihm gesagt welche punkte euch nicht gefallen so das er sie anpassen kann? oder habt ihr gleich die flinte ins korn geworfen ?
 
M

Mike12345678901

und da habt ihr ihm gesagt welche punkte euch nicht gefallen so das er sie anpassen kann? oder habt ihr gleich die flinte ins korn geworfen ?
Ne, das nicht aber es hat halt auch alles ewig lange gedauert......2 Wochen hier, 3 Wochen da......das war uns dann irgendwann zu blöd.
 
M

Mike12345678901

Anbei ein paar Ansichten.
Gegenueber dem ersten Entwurf von Seite 1 hat nun die Speis keine Tür mehr sondern ein Fenster.
Außerdem ist die Garage nach Norden gewandert, da sonst das Fenster im Bad OG nicht gepasst hätte.

Als nächsten Schritt werden wir uns den Eingangsbereich noch mal Anschauen,
das Dach noch mal ändern (das ist noch nicht so wie ich mir das vorstelle).

Dann kommen die Fenster noch mal - sieht aktuell noch bisserl langweilig aus.

Graues zweistöckiges Haus mit rotem Ziegeldach, Balkonen und Fenstern auf grünem Rasen.


Modernes Einfamilienhaus mit rotem Ziegel-Dach, grauen Wänden, Garage und grünem Garten.


Großes Einfamilienhaus mit weißer Fassade, braunen Dachziegeln und Holzveranda im Garten.


Modernes zweigeschossiges Haus mit rotem Ziegeldach, weiße und graue Fassade, Holzveranda.


Zweistöckiges Haus mit rotem Ziegeldach, weißen und grauen Fassaden, Carport und Rasen.


Weißes Einfamilienhaus mit rotem Ziegeldach, sonniger Anbau, Holzterrasse und grünem Rasen.


Grundriss eines Hauses mit blauer Umrandung, einer zentralen Treppe, mehreren Zimmern und Tueren.


Grundriss Erdgeschoss: Doppelgarage, Kochen/Essen/Wohnen, Speis, Diele, WC, Arbeitszimmer.


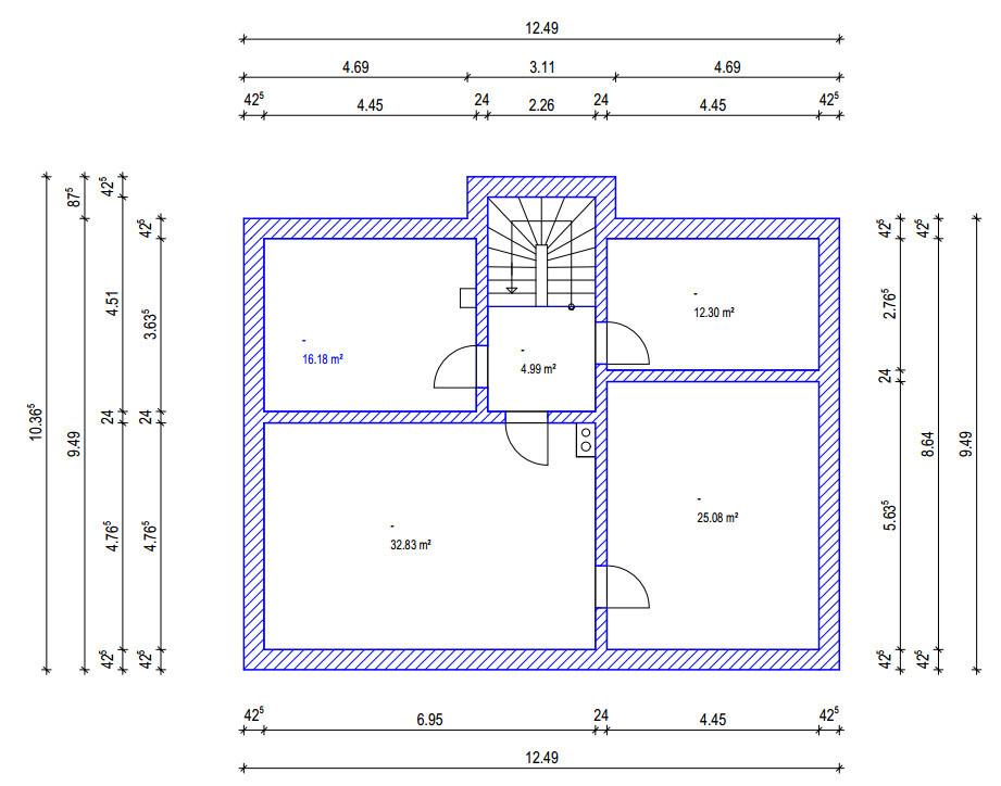
Grundriss eines Gebäudes mit mehreren Zimmern, Treppe, Luftraum und Flächenangaben in m².
 
kbt09

kbt09

Speisekammeränderung ok ... aber sonst sehe ich keine Verbesserung? Möblierung sieht man auch nicht mehr, noch nicht mal eine Beschriftung der Räume. Wie viel Dachüberstand ist das denn jetzt vor der Küche? Ich schätze mal 350 cm.

Küche noch immer mit dem Riesenabstand zwischen den Zeilen und der Fernab-Position vom Kühlschrank.

Möbliere auch mal die geschützte Terrasse. Ich würde z. B. beim Erker die bodentiefen Fenster rechts und links eher als normale Fenster ausführen, dann kann man in der Nische der geschützten Terrasse wenigstens eine Eckbank oder so stellen.

Und dann ... wo sind die Höhenlinien? Vor der Garage sollen doch bestimmt noch 5m Einfahrt sein. D. h. die Haustiefe ist dann ca. 19m an der Südseite. Lt. Lageplan:

sind da von planoben links bis 19 m südlich nach planrechts ca. 300 cm Höhenunterschied ... wie soll das gelöst werden? Dazu ergeben deine letzten Pläne überhaupt keine Erhellung.

Fensterlösung vorm Treppenhaus:


Hmm .. putzen?

So ein liegendes Fenster im Wohnbereich:

Ich finde, das passt nicht zu den gewaltigen Dachüberständen, genausowenig passen die französischen Balkone. Zumal diese gleich an der Trennwand der beiden Kinderzimmer sind. Möbliere mal die Kinderzimmer ... von außen sieht man die sich anbietende Schrankwand dort dann schön in voller Höhe.

Nee, das überzeugt mich nicht, vor allem fehlt mir hier komplett das Höhenkonzept.
 
Zuletzt aktualisiert 20.11.2025
Im Forum Grundrissplanung / Grundstücksplanung gibt es 2535 Themen mit insgesamt 87977 Beiträgen


Ähnliche Themen zu Grundriss Einfamilienhaus, ~180m², Keller mit Satteldach
Nr.ErgebnisBeiträge
1Stadtvilla 160-170 m², Problematik Anschluss Windfang mit Garage - Seite 332
2Einfamilienhaus ~190qm, drei Kinderzimmer, ohne Keller - Feedback wäre mega 19
3Einfamilienhaus-Grundriss 170 qm für 4 Personen mit Garage 20
4Umbau Kinderzimmer - Fenster in zwei Fenster aufteilen? 20
5Einfamilienhaus an Hanglage - Viele Planungsfragen 39
6Fenster im Gäste-WC/Gästezimmer trotz Garage möglich? 33
7Terrasse vom Nachbar grenzt an Garage 11
8Wie Gebäude platzieren? Haus Terrasse Garage Werkstatt 24
9Grundriss mit Garage auf Grundstück realisierbar? - Seite 229
10Fenster / Türen / Garderobe 13
11Grundstück - Baufenster - Lage von Haus und Garage - Seite 644
12Aufmusterung Elektro, Q2, Badfliesen, Drempel, bodentiefe Fenster 23
13Grundrissplanungen Einfamilienhaus und Garage - Seite 232
14Winkelbungalow, Terrasse ganz oder halb überdachen? - Seite 457
15Neubau einer ca. 8x11 Doppelhaushälfte, Einschätzung Grundriss und Fenster - Seite 235
16Grundrissplanung Einfamilienhaus (Stadtvilla) ca.140m² (3 Kinderzimmer) - Seite 242
17Haus, Garage / Carport auf dem Grundstück platzieren - Seite 493
18Grundrissplanung Einfamilienhaus (190 qm) mit Garage - Seite 218
19Einfamilienhaus mit Garage am leichten Hang - Seite 217
20hoher und beheizter Sport-Raum neben der Garage? - Ideen gesucht - Seite 656

Oben