Neubau Einfamilienhaus - Begleitet uns dabei!

4,90 Stern(e) 15 Votes
Zuletzt aktualisiert 05.10.2025
Sie befinden sich auf der Seite 11 der Diskussion zum Thema: Neubau Einfamilienhaus - Begleitet uns dabei!
>> Zum 1. Beitrag <<

Tassimat

Tassimat

Ich muss mich gerade leider kurz fassen:
1) Ich halte den Architekten für eine absolute Null, wenn er so hart am Bebauungsplan vorbei plant und dann noch so ein DG abliefert. Holt euch einen eigenen Architekten.

2) Montag Morgen macht ihr einen Termin beim Bauamt, um vorzusprechen, was genehmigungsfähig sein könnte. Nehmt Fotos und Sattelitenbilder der Nachbarschaft mit, sowie eine einfache Handskizze, welche Außenmaße ihr euch wünscht und überlegt euch eine Begründung, warum das genehmigt werden sollte. Dabei beachtet:

3) Garage als Nebengebäude planen, sonst geht die Fläche verloren

4) Verabschiedet euch von dem Walmdach und der Stadtvilla-Optik. Nehmt das Satteldach mit maximal erlaubten Gauben. Oder wäre sogar ein Staffelgschoss möglich?

Mit der Antwort des Bauamts lohnt es sich einen neuen Entwurf mit dem Architekten zu zeichen, vorher nicht. Bis dahin sind Stift und Zettel eure Freunde.
 
K

k-man2021

Ich würde mir NIE! eine Villa für an die 2 Millionen und einem vorhandenen Bebauungsplan von einem GU bauen lassen.
Ich halte den Architekten für eine absolute Null, wenn er so hart am Bebauungsplan vorbei plant und dann noch so ein DG abliefert. Holt euch einen eigenen Architekten.
Genau das habe ich auch gedacht, als ich das Budget gelesen habe. Bei so einem Budget am Architekten zu sparen ist m. E. der größte Fehler, den man machen kann. Wenn es schon so anfängt...
 
S

Sunshine387

Schön, dass du auch einem etwas anderen Zuschnitt aufgeschlossen zu sein scheinst. Bei der geringen Grundfläche habe ich mal einen Grundriss auf Grundlage der aktuell möglichen Zahlen gemacht. Mit einem Vollgeschoss und einem Staffelgeschoss, so kann die Grundflächenzahl wenigstens um 40% überschritten werden und alles passt mit den Übereinstimmungen zusammen (Baugrenzen und Grundflächenzahl). Für mehr Platz muss natürlich mit dem Bauamt gesprochen werden und ja auch bei meinem Grundriss geht noch deutlich mehr, wenn die Grundflächenzahl höher ausfallen darf.

Grundriss eines Gebäudes mit Wellness, Fitness, Büro, Technik, Lager, Waschraum, Treppenhaus, Flur.


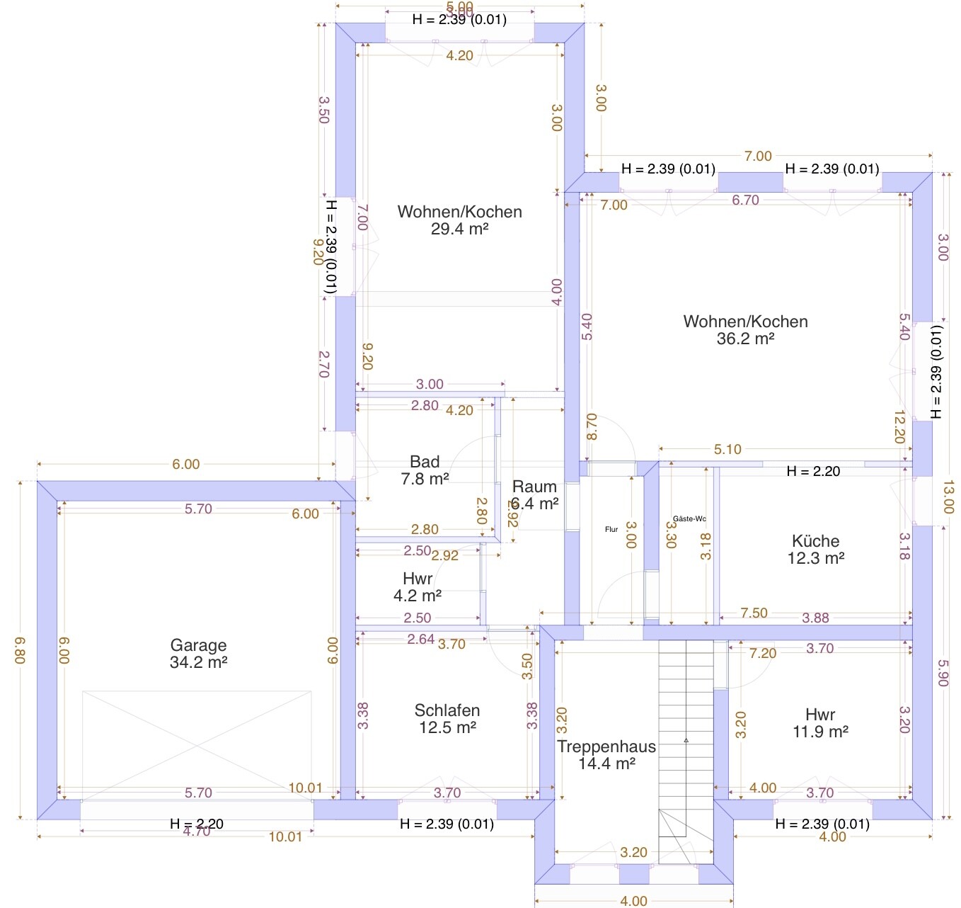
Grundriss eines Hauses: zwei Wohn-/Kochbereiche, Küche, Bad, Schlafen, Garage, Treppenhaus.


Grundriss DG: Schlafen, Kind 1, Kind 2, Galerie, Luftraum, Bad, Treppenhaus, Balkon.


Moderne zweigeschossige Hausfront mit Garage und großen Fenstern auf Grünfläche.


Moderne zweigeschossige Villa mit dunkler Klinkerfassade, weißem Obergeschoss und breitem Holzdeck.
 
M

Myrna_Loy

Ich muss mich gerade leider kurz fassen:
1) Ich halte den Architekten für eine absolute Null, wenn er so hart am Bebauungsplan vorbei plant und dann noch so ein DG abliefert. Holt euch einen eigenen Architekten.

2) Montag Morgen macht ihr einen Termin beim Bauamt, um vorzusprechen, was genehmigungsfähig sein könnte. Nehmt Fotos und Sattelitenbilder der Nachbarschaft mit, sowie eine einfache Handskizze, welche Außenmaße ihr euch wünscht und überlegt euch eine Begründung, warum das genehmigt werden sollte. Dabei beachtet:

3) Garage als Nebengebäude planen, sonst geht die Fläche verloren

4) Verabschiedet euch von dem Walmdach und der Stadtvilla-Optik. Nehmt das Satteldach mit maximal erlaubten Gauben. Oder wäre sogar ein Staffelgschoss möglich?

Mit der Antwort des Bauamts lohnt es sich einen neuen Entwurf mit dem Architekten zu zeichen, vorher nicht. Bis dahin sind Stift und Zettel eure Freunde.
Ich würde als Laie mit so großen Plänen und dem Budget nicht selber zum Bauamt marschieren. Manche Bauämter haben so gar keine Lust auf Bauherren, die meinen, sie könnten sich aufgrund von viel Geld alles erlauben. Kommt natürlich auf die Gemeinde und die Sachbearbeiter an. Du willst nicht, dass die sich nach Deinem Besuch für Streit einrichten. Ein Architekturbüro, das in der Region und der Preisklasse bereits gebaut hat, kann die zuständigen Ämter besser einschätzen und ausloten, was geht.
Und auch wenn die Nachbarn größer als im Bebauungsplan vorgesehen gebaut haben heißt das nicht, dass die nicht ihre Anwälte anrufen, wenn sie mitbekommen, dass Baugrenzen von Euch ignoriert werden. Unterschätze nicht den Widerstand gegen Neubauten. Da willst Du, dass ein Profi mit viel Erfahrung im Bereich Baurecht Deine Pläne wasserdicht plant.
 
M

Myrna_Loy

Bei der Bausumme würde ich ja eher überlegen, eine Tiefgarage zu bauen, statt mir die Fläche oben zu nehmen.
 
Tassimat

Tassimat

Ich würde als Laie mit so großen Plänen und dem Budget nicht selber zum Bauamt marschieren. Manche Bauämter haben so gar keine Lust auf Bauherren, die meinen, sie könnten sich aufgrund von viel Geld alles erlauben. Kommt natürlich auf die Gemeinde und die Sachbearbeiter an. Du willst nicht, dass die sich nach Deinem Besuch für Streit einrichten. Ein Architekturbüro, das in der Region und der Preisklasse bereits gebaut hat, kann die zuständigen Ämter besser einschätzen und ausloten, was geht.
Ich halte den Thread-Ersteller für diplomatisch genug, nicht wie die Axt im Walde aufzutreten und freundlich ein paar Auskünfte zu erhalten. Bei mir sitzen im Bauservice auch andere Leute, als die Antragsbearbeiter.

Ich habe persönlich erlebt wie der Mitarbeiter der Stadt nett zu mir war und die Architektin, die neben mir saß permanent angepfaumt wurde, wie man denn dies und das und jenes nicht wissen könne, sie sei ja Architektin und hätte mehr tun sollen usw. Dabei ging es nur vorab um die Frage, wie groß ich die Gauben maximal erweitern darf. Ich wollte die größer als alle Nachbarbebauungen. Ich war dann mit neuen Plänen nochmal alleine da und es lief super entspannt in meinem Sinne.
 
Zuletzt aktualisiert 05.10.2025
Im Forum Bauplanung gibt es 5061 Themen mit insgesamt 100646 Beiträgen


Ähnliche Themen zu Neubau Einfamilienhaus - Begleitet uns dabei!
Nr.ErgebnisBeiträge
1Vorplanung mit dem Architekten - eigener Grundriss sinnvoll? - Seite 218
2Grundriss 175qm Satteldach ohne Keller - Seite 16136
3Grundriss Haus mit Einliegerwohnung - Verbesserungsvorschläge? - Seite 33221
4Grundriss Winkelbungalow 150m² mit Erweiterungsmöglichkeiten - Seite 898
5Grundflächenzahl gegen Sonderzahlung erhöhbar? - Seite 215
6Grundriss Doppehaus mit ca. 165m2 und 150m2 / mit Satteldach / Gauben 25
7Grundflächenzahl/Geschossflächenzahl bei Grundstück ohne Bebauungsplan: Wie kalkulieren? Erfahrungen? - Seite 218
8Grundriss Einfamilienhaus mit 240m² mit Einliegerwohnung 75m² und Garage 39
9Grundriss Einfamilienhaus, ca. 200qm ohne Keller - Einschätzung - Seite 13172
10Grundriss-Umbau Teil einer Scheune zu Einfamilienhaus mit Option zu Zweifamilienhaus - Seite 533
11Haus durch GU oder Architekten planen lassen? 30
12Grundriss EG + OG für Doppelhaushälfte - Seite 529
13Der Grundriss soll es sein was sagt Ihr - Seite 639
14Allererster Grundriss-Entwurf des Erdgeschosses - Seite 11267
15Braucht man unbedingt einen Architekten? - Seite 210
16Einfamilienhaus Neubau 160qm Grundriss - Bitte um Feedback 22
17Grundriss gesucht für Hanghaus - Seite 212
18Meinungen zum Haus-Grundriss erwünscht 71
19Grundflächenzahl; § 19 Abs.4 Baunutzungsverordnung - Erfahrungen? - Seite 426
20Unser Grundriss-Entwurf für ein günstiges Haus - Seite 41348

Oben