Grundriss-Diskussion: Einfamilienhaus auf 630 qm Grundstück

4,80 Stern(e) 4 Votes
Zuletzt aktualisiert 21.11.2025
Sie befinden sich auf der Seite 2 der Diskussion zum Thema: Grundriss-Diskussion: Einfamilienhaus auf 630 qm Grundstück
>> Zum 1. Beitrag <<

K

Kreisrund

Sind das eigentlich die Originalpläne von deinem Architekten oder hast du die nachgezeichnet?
 
kbt09

kbt09

Die Speisekammer soll durch einen versteckten Zugang erreicht werden (optisch so, dass man denkt, dass dort ein Küchenschrank ist)
Das ist unnötig teuer und meiner Meinung nach in einer geschlossenen Küche absolut unnötig. Da würde ich mal in die explizite Planung gehen. Und dieser Einkaufs-Durchgebereich ist unnötig mit Türen versehen, im Durchgangsbereich kannst du eh nichts gescheites Lagern. Das muss einfach anders geplant werden.

Schlafzimmer Rohbaumaß 300 cm, die daneben gedachte Ankleide im Grunde genommen auch noch zu schmal, das wird einfach eng. 180 cm Matratzen haben ja in aller Regel auch noch einen Bettrahmen. Es bleiben rechts und links gut 50 cm. Schon, wenn man mal ein Beinproblem hat und mit Krücken zum Bett muss, wird das einfach unmöglich.

Es ist nicht so, dass man die Maße nicht lesen kann, aber z. B. die Treppe, ist nirgendwo bemaßt. Keine Stufenhöhe/Tritttiefe, keine Geschosshöhe irgendwo angegeben.

Die Loggia soll sein, weil dort ein Whirlpool hin soll? Habt ihr das schon mal länger probiert? Und, habt ihr mal gebräuchliche Whirlpools auf Abmessungen geprüft, denn hier sind ja auch nur 214 cm Rohbautiefe, das könnte nach meinem Empfinden eng werden.

Du selber stimmst in vielen Punkten zu, sei es Garderobe, dieser seltsame Wurmfortsatz vom Schlafzimmer, Badezimmer usw. ... ich denke, da muss man nochmal neu ansetzen.
Anzahl Stellplatz 2
Müssen die getrennt erreichbar sein? Garage nach deinen Worten 1 Auto und die Fahrräder?

Preisschätzung laut Architekt/Planer: 3000 EUR pro qm
hmm ... sehe ich eng kalkuliert, schon auch die Besonderheiten der tragenden OG-Außenwand über der Mitte der Garage. Soll da Eigenleistung dabei sein?

Persönliches Preislimit fürs Haus, inkl. Ausstattung: 700k
Auch incl. Grundstück? Welchen Preis hat das denn dann?
 
kbt09

kbt09

Quadratische Küchen lassen sich schwer möblieren, besser sind rechteckige Räume.
Es ist ein rechteckiger Raum, ungünstig ist einfach die als Stauraum gedachte Schleuse und die Einrichtungsplanung des Architekten.

Wobei ich das Fenster da eher nicht so breit planen würde und die Brüstungshöhe eher in Arbeitsplattenhöhe wählen würde mit normal hohem Fenster und nicht so einem lang gelegtem Fensterschlitz.

Generell muss man da auch nochmal fragen, wie der Fußbodenaufbau sein wird, denn die angegebenen BRHs scheinen vom Rohboden zu sein. Wenn der Fußbodenaufbau wie allgemein üblich mit 15-20 cm kalkuliert werden muss, hätten mir einige Zimmer eine zu hohe Brüstungshöhe.
 
K a t j a

K a t j a

Also ich finde den Entwurf nicht schlecht, damit kann man arbeiten. Die Schwachstellen wurden schon genannt, lassen sich m.E. aber leicht beheben:
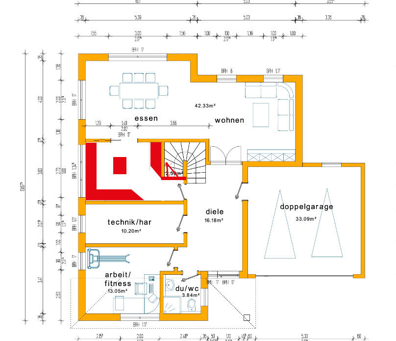
  1. Die Küche / Speisekammer-Situation ist so Blödsinn und kaum bis gar nicht nutzbar. Und klar will man vom Flur in die Küche und nicht erst einen Marathon durchs Wohnzimmer absolvieren. Meine Lösung wäre etwa dies:

2D-Hausgrundriss mit Essen Wohnen Diele Technik Dusche-WC und Doppelgarage


Im OG würde ich auf die Ankleide komplett verzichten und dafür lieber schöne Schränke kaufen. Das schafft sofort Freiheit und Platz zum Bewegen.
Das Bad ist eine Katastrophe aber dieses umzuplanen ist ja kein Problem.
Die Leseecke ist Quark, da will niemand sitzen. Der kleine Raum ist ideal für Koffer und Kleiderständer, wenn Du mich fragst.

Ich gehe hier von Flachdach aus und würde daher im OG eine Lichtorgie in den Flur einplanen lassen.

Ganz persönlich würde es mein Lebensgefühl beeinträchtigen, ständig um die Treppe zu kreisen. Küche und Wohnraum sind quasi im Kreis darum angeordnet. Die Chillecke ist eigentlich ein Durchgangsraum bzw. nicht wirklich chillig. Optimaler Weise betritt man die Wohnräume über den Essplatz, damit man A nicht durch die Küche muss und B nicht durch die Chillecke. Hier ist es also genau verkehrt herum und das würde mich stören und wäre leider das KO für den Entwurf. Trotzdem ist das Ding nicht total schlecht, wenn Du mich fragst.

Den Platz für die Möblierung der Garderobe halte ich übrigens für ausreichend, sobald Ihr auf die völlig überflüssige Tür in die Garage verzichtet. Allerdings ist die Anordnung nicht sehr elegant, wenn man tatsächlich 60cm tiefe Schränke stellen will, was man bei 4 Köpfen auch braucht.

Problematisch sehe ich auch die Statik hinsichtlich Teilüberbauung der Garage.
 
Zuletzt aktualisiert 21.11.2025
Im Forum Grundrissplanung / Grundstücksplanung gibt es 2535 Themen mit insgesamt 87982 Beiträgen


Ähnliche Themen zu Grundriss-Diskussion: Einfamilienhaus auf 630 qm Grundstück
Nr.ErgebnisBeiträge
1Fenster Brüstungshöhe 130 im Schlafzimmer / Arbeitszimmer? - Seite 1593
2Grundrissplanungen Einfamilienhaus und Garage - Seite 232
3OG Stadtville optimieren. Fenster Bodentief - Seite 13104
4Grundriss Einfamilienhaus 136m² mit Garage & Keller 17
5Meinungen f. Grundriss Einfamilienhaus ca. 160qm 29
6Grundrissfrage, Treppe, Fenster, Ausrichtung 12
7 2 Vollgeschosse, Durchgang Garage, Hauswirtschaftsraum unter Treppe 25
8Fenster / Türen / Garderobe 13
9Vorplanung mit dem Architekten - eigener Grundriss sinnvoll? 18
10Hilfe bei der Anordnung der Fenster benötigt! 32
11Ankleide/Schlafzimmer Problem - Grundrissdiskussion 25
12Haus ohne Garage und Keller? Ausbau Dachboden? Fresswarze? - Seite 585
13Grundstück - Baufenster - Lage von Haus und Garage - Seite 644
14Grundriss Stadtvilla / Anordnung Fenster, Feedback erwünscht - Seite 216
15Grundriss, längliches Einfamilienhaus, integrierte Garage kein Keller 16
16Stadtvilla mit gerader Treppe, offene moderne Bauweise, 140m² 18
17Grundriss Neubau Einfamilienhaus: Fenster/Türen/Innenwände Größe/Anordnung ok? - Seite 220
18Neubau einer ca. 8x11 Doppelhaushälfte, Einschätzung Grundriss und Fenster - Seite 235
19Grundriss 140 m2 Einfamilienhaus mit Garage - Hausausrichtung ok? 18
20Stadtvilla 160-170 m², Problematik Anschluss Windfang mit Garage - Seite 332

Oben