Grundrissplanung Hanghaus mit 5 Kinderzimmer

4,50 Stern(e) 4 Votes
Zuletzt aktualisiert 20.11.2025
Sie befinden sich auf der Seite 35 der Diskussion zum Thema: Grundrissplanung Hanghaus mit 5 Kinderzimmer
>> Zum 1. Beitrag <<

Y

ypg

Ich nehm es trotzdem heute als Anregung mit ins Gespräch. Bin mal gespannt, ob wir schon was zustande bringen heute, was auch meinem Mann gefällt [emoji5]
Wie Kerstin schon sagt: auf 12 Meter kann man anders planen als auf 10 Meter Breite.
Wenn man den Hang ignoriert, wird es eh ein anderes Haus.
Du fängst an, die Grundstückssituation zu vergessen
 
kbt09

kbt09

Damit läge Wohnen wieder am Garten und die ganze Kindermeute muss immer durchs Wohnzimmer um mal ein Glas zu trinken zu bekommen ... oder rund ums Haus nach unten in den Keller und dann nach oben.
 
kaho674

kaho674

Damit läge Wohnen wieder am Garten und die ganze Kindermeute muss immer durchs Wohnzimmer um mal ein Glas zu trinken zu bekommen ... oder rund ums Haus nach unten in den Keller und dann nach oben.
Ach so, das war wohl nicht gewünscht?
Wollte man nicht auch vom Frühstückstisch über die Straße schauen?
Knifflig.
 
kaho674

kaho674

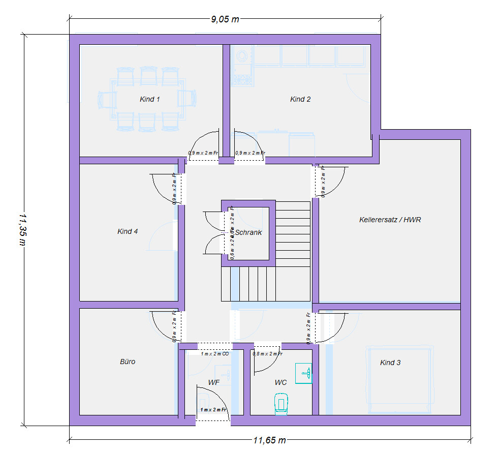
Hatte letztens was bei Bien-Zenker gesehen, da musste ich an Euch denken. Mal ne Skizze.
Allerdings die Frage, wie weit der Hang bei Kind 3 noch für ein Fenster reicht.
Treppenrichtung wäre auch noch zu klären.


Grundriss eines Hauses mit Räumen: Kind 1–4, Büro, WC, Schrank, Kellerersatz/HWR, Treppenhaus.

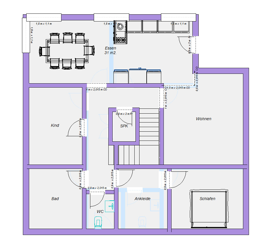
Grundriss eines Hauses: Räume Wohnen, Essen, Küche, Schlafen, Bad, WC, Kind, Ankleide, SPK, Treppe.
 
Zuletzt aktualisiert 20.11.2025
Im Forum Grundrissplanung / Grundstücksplanung gibt es 2535 Themen mit insgesamt 87978 Beiträgen


Ähnliche Themen zu Grundrissplanung Hanghaus mit 5 Kinderzimmer
Nr.ErgebnisBeiträge
1Meinungen zum Grundstück am Hang. - Seite 222
2Feedback Vorentwurf Hang KG/KG/EG/DG mit Einliegerwohnung - Seite 218
3Grundrissplanung für Zweifamilienhaus im Hang - Seite 9246
4Grundrissplanung Einfamilienhaus 280m² am Hang - Seite 335
5Hang mit Stützmauer auffangen - Höhenangabe 12
6Haus am Hang - ca. 200qm Wohnfläche 40
7Wie Hang sichern und Aufgang Garten kostengünstig gestalten? 27
8Leichte Hanglage - Aufschütten oder mit Hang bauen? 44
9Grundrissplanung Einfamilienhaus (Stadtvilla 140qm²) am Hang mit Doppelgarage - Seite 2495
10Doppelhaushälfte am Hang mit Keller Grundriss suche. 17
11Grundriss für Haus am Hang (EG und Wohn-UG) mit Max. 150m² 58
12Einfamilienhaus mit Garage am leichten Hang 17
13Haus am Hang mit 2 Einliegerwohnungen - Seite 551
14Kurvengrundstück, Einfamilienhaus 50m², Hang, Garagenoptimierung 41
15Steiles Hang Grundstück, Bitte um Einschätzung 17
16Hang abstützen und auffüllen - Mehrkosten? - Seite 231
17Außenanlage, Hang zum Nachbarn, wie rahmen ? 22
18Grundrissplanung einer Stadtvilla mit Staffelgeschoss am Hang 13
19Einfamilienhaus Bauvorhaben mit Hanglage -> Möglichkeiten Hang absichern - Seite 223
20Einfamilienhaus, mässiger Hang, steiniger Weg zum ersten Entwurf - Seite 424

Oben