Einfamilienhaus Stadtvilla 200qm 2 Vollgeschosse

4,30 Stern(e) 7 Votes
Zuletzt aktualisiert 06.10.2025
Sie befinden sich auf der Seite 3 der Diskussion zum Thema: Einfamilienhaus Stadtvilla 200qm 2 Vollgeschosse
>> Zum 1. Beitrag <<

tomtom79

tomtom79

Hier gibt es 140m2 Grundrisse die mehr Raum Qualität bieten als diese 200 m2.

Schau dir mal die anderen Beiträge an.
 
T

tombox

Danke für den Hinweis.

Leider habe ich noch nichts passendes gefunden. Entweder wurde mit Garagen, sehr einengten Fluren oder langen Wegen zB von Garage zur Küche/Speisekammer gearbeitet.

Hättest du denn ein konkreten Grundriss für eine bessere Raumnutzung?
 
Y

ypg

Danke für den Hinweis.

Leider habe ich noch nichts passendes gefunden. Entweder wurde mit Garagen, sehr einengten Fluren oder langen Wegen zB von Garage zur Küche/Speisekammer gearbeitet.

?
Dafür ist Deine Speis sowie Dein Schlafzimmer überhaupt nicht Möbliere- bzw mit Möbeln nicht begehbar!

Man _findet_ zwar keinen Hausentwurf, den lässt man planen, aber wir hatten hier Dich gerade einen sehr ähnlichen. Der war allerdings auch im OG viel zu wirr und kompliziert gestaltet.

Und eine Garage wird eh meist separat geplant.

Du solltest Dir einen Architekten nehmen, der Deine Bedürfnisse umsetzt.




Grüsse
 
M

Mike29

Man _findet_ zwar keinen Hausentwurf, den lässt man planen,

Du solltest Dir einen Architekten nehmen, der Deine Bedürfnisse umsetzt.




Grüsse
Und ich denke genau hier ist der Knackpunkt: Laut seiner Aussage im anderen Thread sagt sein GU: "Sag wie du es haben willst und wir bauen es so." Die Kosten für einen Architekt sollen anscheinend gespart werden (oder im GU-Vertrag ist nur die Feinzeichnung durch den Architekt enthalten) und der Grundriss soll in Eigenregie mit Hilfe des Forums Entstehen. Das Vorgehen ist doch immer identisch in seinen Threads: Grundriss einstellen, ein bis zwei Einwände dagegen anhören und die Tipps nicht wirklich annehmen, dann sofort die Frage nach nutzbaren Grundrissideen der User. Wahrscheinlich noch am Besten als Zeichnung mit Bemaßung um das dem GU vorzulegen.
Sorry, aber Anregungen zu holen ist ja vollkommen in Ordnung und dafür ist das Forum wohl auch gedacht, aber mMn sollte der TE selbst versuchen, die Anregungen umzusetzen, was er anscheinend nicht möchte!? Mehrmals wurde in den Threads die Treppe angesprochen, was gekonnt nicht versucht wird zu ändern. Und andere Beispiele gibt es da auch noch.

Ich lese es immer gerne, wenn jemand hier seinen Grundriss einstellt, um Meinung fragt und wie sich dann in Zusammenarbeit zwischen TE und Forum der Grundriss weiterentwickelt. Wenn dann der TE am Ende noch den finalenGrundriss feingezeichnet vom Architekten hier einstellt, ist das das i-Tüpfelchen. Aber die Threads, wo rüberkommt, dass der Grundriss nur abgenickt werden soll oder der TE auf Vorschläge nicht eingeht sind mittlerweile leider im Kommen.
 
Y

ypg

Ein Bauwilliger sollte seine Grenzen kennen und nicht meinen, einen studierten Fachmann zu ersetzen.
Aber auch bei Laien trennt sich die Spreu vom Weizen: einige haben Talent, können sich 3D im Kopf auch ohne Computerprogramm vorstellen und haben sich ein Grundwissen angeeignet, sodass ein fundamentaler Entwurf zustande kommt, mit dem dann der Fachmann arbeiten kann.

Ich bin gern behilflich, ein Typenhaus an persönliche Bedingungen anzugleichen, auch bei Architektenplänen auf dies und das hinzuweisen oder gute Eigenentwürfe auf Gängigkeit zu überprüfen und ggf Verbesserungen maßstabsgetreu umzusetzen, die als Vorlage beim Fachmann dienen.
Aber ich fange nicht bei a an, wenn der zukünftige Bauherr entweder zu geizig oder zu faul ist und das Projekt eh eher einem temporären Traum ohne Fundament gleicht.

Dieses Sweethome? Ist eh unterirdisch, zeigt noch nicht einmal Maße an und kann nur als Spielerei dienen.

Dann doch lieber mal Papier, Bleistift, Geodreieck und Radierer in die Hand nehmen, damit der Zeichner mal _ein Gefühl für Maße_ bekommt! Das sehe ich hier in kleinster Weise.


Grüsse
 
T

tombox

Hallo,

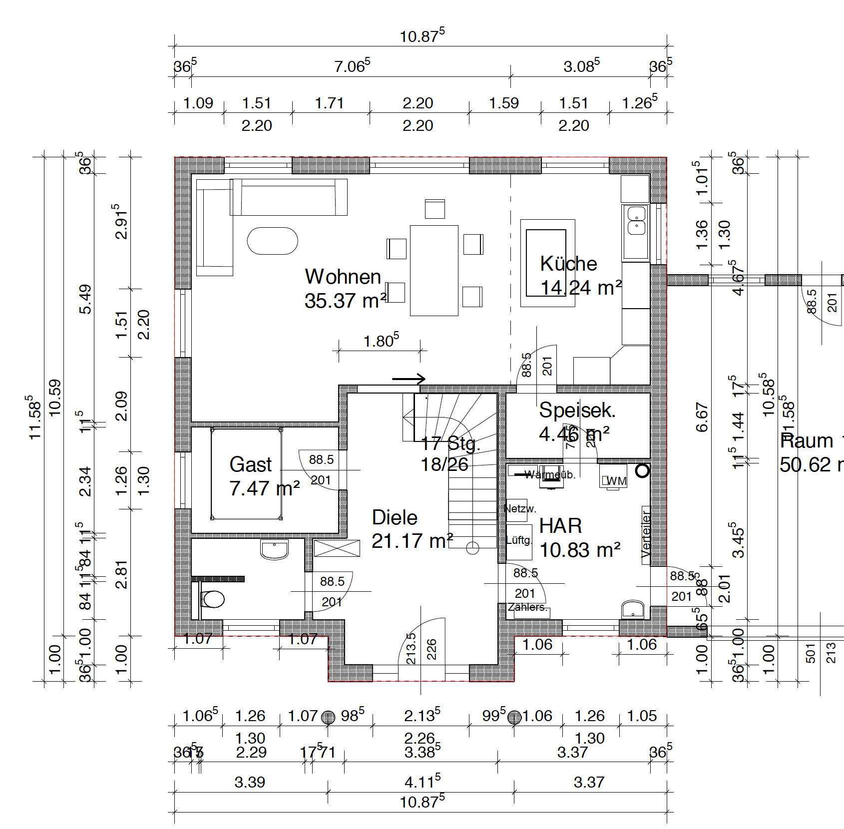
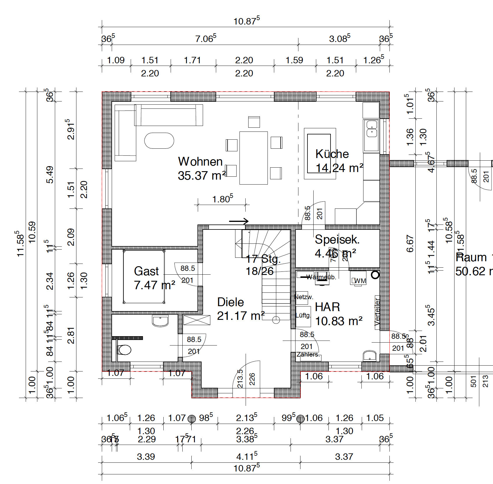
danke für das Feedback, wir haben versucht sie umzusetzen. Der Architekt des GUs hat mit uns zusammen diesen Grundriss entworfen.
Er hat sich gegen die Idee eine doppelt viertelgewendelte Treppe entschieden, weil er diese nicht in die Mitte eines Flur setzen würde, sondern nur an den Rand, aber mit einer Treppe am Rand wäre unsere Raumaufteilung nicht möglich und es würde ein langer Flur im OG entstehen.

Die lichte Raumhöhe liegt bei 2,75, die Brüstungshöhe ist 90, außer die Fenster im Wohnzimmer sind bodentief.

Was uns zur Zeit nicht gefällt ist das Gästezimmer und Gäste-WC deswegen sind auch das Bett und der Schrank so unmöglich gestellt, damit man die Probleme besser sieht. Aber wir sind uns unsicher ob ein Verzicht auf ein Gästezimmer zugunsten einer Küche auf der linken Seite und damit größerem Wohnzimmer sich lohnt.

Grundriss: Erdgeschoss mit Wohnzimmer 35 m², Küche 14 m², Diele 21 m², Gast 7,5 m².


Grundriss eines Hauses: zwei Kinderzimmer, Schlafen, Bad, Flur, Arbeiten, Ankleide, Abstellraum
 
Zuletzt aktualisiert 06.10.2025
Im Forum Grundrissplanung / Grundstücksplanung gibt es 2510 Themen mit insgesamt 87172 Beiträgen


Ähnliche Themen zu Einfamilienhaus Stadtvilla 200qm 2 Vollgeschosse
Nr.ErgebnisBeiträge
1Vorplanung mit dem Architekten - eigener Grundriss sinnvoll? 18
2Bungalow mit 140qm und Garage im Grundriss 13
3Grundriss Stadtvilla / Feedback Statik, Anordnung - Seite 228
4Wohnzimmer Grundrissplanungs-Ideen? - Seite 239
5Grundriss Satteldachhaus 172 qm - Bitte um eure Meinungen 23
6Feedback zu Grundriss Einfamilienhaus, 222 qm erwünscht 46
7Grundriss-Planung, 2 Vollgeschosse, ca. 130-140 qm ohne Keller - Seite 22192
8Grundriss für 150qm Einfamilienhaus mit Wohnzimmer nach Norden 21
9Grundriss Einfamilienhaus (ca. 170 qm) mit Garage - Hanglage 35
10Grundriss Doppelhaushälfte mit Gästezimmer 53
11Grundriss Einfamilienhaus, 200m2, 2 Vollgeschosse, Garage, ohne Keller 39
12Grundriss Einfamilienhaus mit 240m² mit Einliegerwohnung 75m² und Garage 39
13 2 Vollgeschosse, Durchgang Garage, Hauswirtschaftsraum unter Treppe 25
14Grundriss EG + OG für Doppelhaushälfte - Seite 229
15Grundriss für ein 2-geschossiges Einfamilienhaus ohne Keller 17
16Grundriss Einfamilienhaus, ca. 200qm ohne Keller - Einschätzung - Seite 13172
17Entwurf Einfamilienhaus mit Garage/Carport - bitte um Bewertung 22
18Unser anvisierter Grundriss - bitte um Einschätzungen 67
19Meinung zu Grundriss 16
20Grundriss unseres Bungalows - Seite 582

Oben