Grundriss Neubau Mehrfamilienhaus mit 3 Wohneinheiten, Wohnfläche ca. 350m²

4,60 Stern(e) 10 Votes
Zuletzt aktualisiert 22.11.2025
Sie befinden sich auf der Seite 9 der Diskussion zum Thema: Grundriss Neubau Mehrfamilienhaus mit 3 Wohneinheiten, Wohnfläche ca. 350m²
>> Zum 1. Beitrag <<

Y

ypg

Das war nicht bekannt, sollte aber kein Problem sein.
Für Dich scheint alles kein Problem zu sein, weil Du kein Planer bist.
Woher stammt diese Anforderung?
Aus alten Zeiten, wo man jeder Mietwohnung einen Kellerraum zugestanden hat.
Wer ohne Keller baut, muss dennoch für einen ausreichend großen Abstellraum sorgen. Richtwert sind ca. 6qm. Mehr geht auch.
Das muss man natürlich im Verhältnis der Wohnung sehen, deshalb der Begriff „ausreichend“.

So, ich hab mal bissel rumgespielt und zwei Geschosse geplant.
Süden ist planrechts, TK und Allzweckraum im EG, Grundfläche ist so ca. 15 x 12,5, Abstandsflächen sind gewährleistet.
Kinderzimmer EG habe ich wieder mit dem Bad getauscht, damit kein Aufenthalts/Schlafraum auf einen Pkw schauen muss.
Die mit Schlafzimmer markierten Räume haben Stellfläche für einen 3-Meter-Kleiderschrank.
Die Kinderzimmer leiden etwas unter dem Abstellraum, aber nützt ja Nix.
Im OG gibt es zwei Abstellräume für OG und DG, vom Hausflur aus zu begehen. Die Ecke ist schon mal sehr nutzbringend geplant.

2D-Grundriss eines Wohnhauses mit Zimmern, Flur, Küche und Balkon

Grundriss: WZ, Küche, Büro, SZ, 2 Kinderzimmer, Bad, WC, Terrasse, Garten, Flur, Parkplätze

Grundriss eines Obergeschosses mit mehreren Zimmern, Küche, Bad, Flur, Wohnzimmer und Balkon.
 
N

nevzatc21

Für Dich scheint alles kein Problem zu sein, weil Du kein Planer bist.

Aus alten Zeiten, wo man jeder Mietwohnung einen Kellerraum zugestanden hat.
Wer ohne Keller baut, muss dennoch für einen ausreichend großen Abstellraum sorgen. Richtwert sind ca. 6qm. Mehr geht auch.
Das muss man natürlich im Verhältnis der Wohnung sehen, deshalb der Begriff „ausreichend“.

So, ich hab mal bissel rumgespielt und zwei Geschosse geplant.
Süden ist planrechts, TK und Allzweckraum im EG, Grundfläche ist so ca. 15 x 12,5, Abstandsflächen sind gewährleistet.
Kinderzimmer EG habe ich wieder mit dem Bad getauscht, damit kein Aufenthalts/Schlafraum auf einen Pkw schauen muss.
Die mit Schlafzimmer markierten Räume haben Stellfläche für einen 3-Meter-Kleiderschrank.
Die Kinderzimmer leiden etwas unter dem Abstellraum, aber nützt ja Nix.
Im OG gibt es zwei Abstellräume für OG und DG, vom Hausflur aus zu begehen. Die Ecke ist schon mal sehr nutzbringend geplant.
Anhang anzeigen 87524 Anhang anzeigen 87526
Hallo ypg,

erst einmal Danke für Deine Entwürfe, die haben einige Interessante Aspekt, die mir neue Denkansätze gegeben haben. Vor allem Der Zugang zum Büro durch das Wohnzimmer. Von der Idee den Technikraum übers Treppenhaus zugänglich zu machen bin ich etwas abgerückt, da das Treppenhaus dadurch zu "hektisch" wird mit den Vielen Türen.

Bezüglich Abstellraum meinte ich, dass es kein Problem sein sollte es etwas größer zu machen und die 6m² zu erreichen.

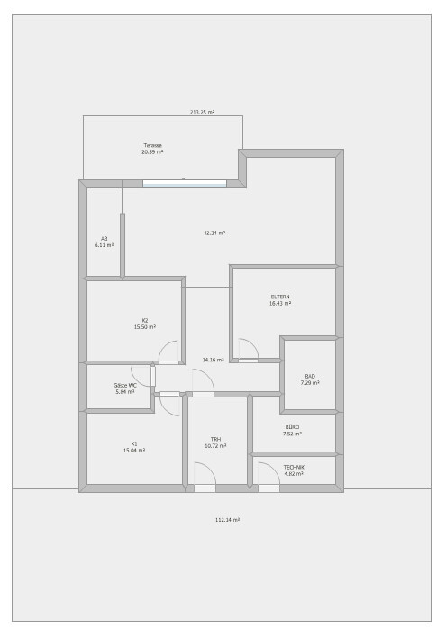
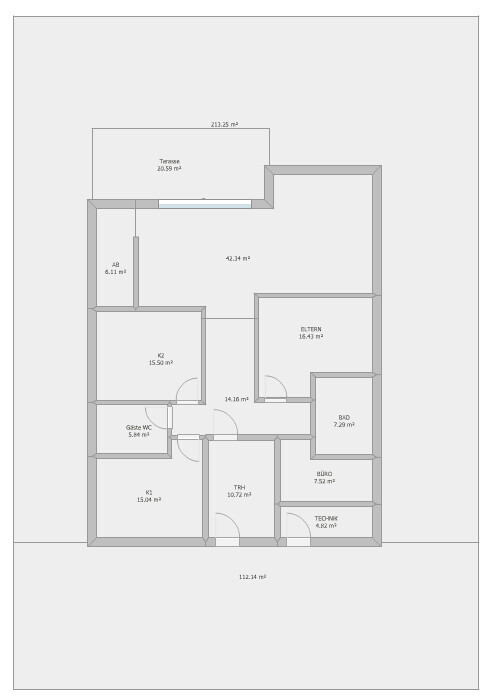
Ich habe mir übers Wochenende nochmal Gedanken Gemacht und bin auf einen neuen Ansatz gestoßen der ein paar der hier besprochenen Punkte berücksichtigt. Ich tendiere nun, den Technikraum einen eigenen Eingang von außen zu geben.


Grundriss eines Wohnhauses: Terrasse, Elternzimmer, Küche, Bad, Büro, Technikraum


Was hältst du davon?

Grüße
 
Y

ypg

Wir sollten uns schon auf eine Richtung einigen, wenn oben kein Norden ist.
Ansonsten kann man schlecht vergleichen.

Was hältst du davon?
Ich finde den Allraum sehr nett.
Einiges ist ähnlich bzw ist getauscht. Schlafzimmer-Tür müsste verschoben werden.
Dein Technikraum hat nicht die notwendigen 180 x 200, deshalb kann man den Entwurf eigentlich schon knicken.
Wenn Du den TK von außen begehbar machen willst, dann so, dass da kein Auto vorstehen wird und ein Handwerker da so ohne Weiteres rankommt.
Dein Büro hat knappe 170cm oder ähnlich in der Breite. Beim AB ist das schlauchige jetzt nicht so schlimm. Aber Möblierung vom Büro kann da schon knapp werden, wenn man seinen Stuhl bewegen will..
 
H

hanghaus2023

Ich habe mal die Bedenken von @ypg versucht einzuarbeiten.

Schlafzimmer größer, Tür versetzt. Möbliert. Technik und Büro etwas breiter. Elternbad kann auch den Eingang von der Diele bekommen. Im Kinderbad ist eine Duschbadewanne vorgesehen.


Grundriss eines Hauses mit Wohnbereich, Küche, Esszimmer, Schlafzimmer und Bad


Der Fernwärmeverteiler kann in den Technikraum und für Alle 3 Wohneinheiten genutzt werden. Somit ist mMn im OG und DG kein Technikraum erforderlich.
 
Zuletzt aktualisiert 22.11.2025
Im Forum Grundrissplanung / Grundstücksplanung gibt es 2535 Themen mit insgesamt 87992 Beiträgen


Ähnliche Themen zu Grundriss Neubau Mehrfamilienhaus mit 3 Wohneinheiten, Wohnfläche ca. 350m²
Nr.ErgebnisBeiträge
1Stadtvilla mit ca. 200qm - ohne Keller. Bitte um Feedback 50
2Größe vom Schlafzimmer und Kinderzimmer - Seite 238
3Grundriss Einfamilienhaus 155m², ohne Keller, 3 Kinderzimmer, 1 Büro 38
4Einfamilienhaus bauen mit/ohne Keller bei kleinem Grundstück - Seite 965
5Grundriss Einfamilienhaus ca. 140m² - Abtrennbares Treppenhaus - Seite 435
6Grundrissplanung Stadtvilla Doppelgarage | Keller | KFW40+ | 205m² 26
7Hausanschlussplanung und Technikraum im Keller 11
8Extra-Bad vom Schlafzimmer oder doch Abstellraum? 29
9Abluft im Schlafzimmer - Zuluft im Abstellraum - Seite 224
10Kinderzimmer und Schlafzimmer - Welche Größe ist zu empfehlen? 56
11Schlafzimmer im Keller 13
12Schallschutztür Schlafzimmer / Kinderzimmer 23
13Entwurf Einfamilienhaus mit 3 Kinderzimmer, Keller und Grenzbebauung 32
14Grundriss Einfamilienhaus ohne Keller, 3 Kinderzimmer und Büro 18
15Einfamilienhaus mit 156 m² Grundfläche (2 Kinderzimmer + Homeoffice) 21
16Entwurf EFH, 2 Vollgeschosse, Satteldach, kein Keller, Doppelgarage 31
17Grundrisse für Einfamilienhaus, ca. 140m², ohne Keller - Seite 1378
18Grundriss Einfamilienhaus, 140 qm mit Keller 40
19Einfamilienhaus (2Etagen+Wohn-Keller+ausgebautes Dach) etwa 200qm -Änderungen - Seite 8162

Oben