Gästebad 75x90cm Dusche Armaturplatzierung

4,50 Stern(e) 4 Votes
Zuletzt aktualisiert 21.11.2025
Sie befinden sich auf der Seite 3 der Diskussion zum Thema: Gästebad 75x90cm Dusche Armaturplatzierung
>> Zum 1. Beitrag <<

E

ElBoCaDiLlO

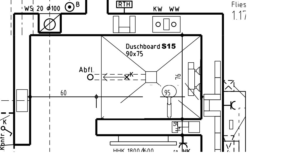
Schon, aber dann würde die Brause ja immer noch in Richtung Ausgang stehen. Und man geht ja eh nicht bis zum Ende der Dusche.
Ich glaube ich lasse es so machen, wie angehangen, in der Hoffnung, dass es dennoch passt.
Auf jeden Fall würde die Armatur ja extrem stören, wenn sie an der langen Seite wäre.
Vielen Dank für Eure Hilfe

2D-Badgrundrissplan mit Dusche, Abfluss und Sanitärinstallationen
 
Jochen104

Jochen104

Aus dem Gefühl heraus würde ich behaupten, dass die Dusche mehr auf die Seite spritzt als in die Richtung in die die Brause zeigt. In der Regel hat die ja nur eine geringe Neigung und das Wasser spritztt eher frontal auf den Körper, so dass dieser die spritzter eher Richtung Seite ablenkt.
Ich glaube ich lasse es so machen, wie angehangen, in der Hoffnung, dass es dennoch passt.
Viel Erfolg. Du kannst ja mal berichten
 
Ibdk14

Ibdk14

Ich würde auch beides an die kurze Seite machen. Beim Duschen wie in deiner eigenen Zeichnung stößt man sich doch sonst gern an der Armatur den Ellbogen/Hüfte oder was weiß ich an. Stell ich mir zumindest so vor
 
E

ElBoCaDiLlO

Ich bin es noch mal.
Also, werde doch Armatur und Brause an die kurze Seite bringen, aber würdet ihr die Brause mittig setzen oder wegzeigend vom Duscheingang? Ist halt nur Wand und keine Tür, so dass möglichst wenig Wasser rausfliegt.

2D-Grundriss eines Hauses mit Duschbad und Grundrissdetails.


2D-Grundriss eines Duschbads mit Dusche, Abfluss und Türen
 
Zuletzt aktualisiert 21.11.2025
Im Forum Sanitär / Bad / WC gibt es 1377 Themen mit insgesamt 14412 Beiträgen


Ähnliche Themen zu Gästebad 75x90cm Dusche Armaturplatzierung
Nr.ErgebnisBeiträge
1Unterputzarmaturen Wanne mit Handbrause - Seite 211
2Duschbeleuchtung Walk in Dusche - Seite 214
3Ablaufrinne Bodenebene Dusche mit Fußbodenheizung 44
4Anschluss Badewanne an Dusche 21
5Fliesenhöhe 2 m in Dusche genug? 18
6Dusche 2 Seiten offen 26
7Bodengleiche Dusche mit Fenster in der Nähe 13
8Offene Dusche - Wie tief? - Seite 228
9Badplanung bei einem kleinen Bad mit Walkinn Dusche 22
10Hauptbadezimmer (10qm) mit offener Dusche, Ideen? 84
11Grundriss Bad mit Dusche 11
12Fußbodenheizung in der Dusche? - Seite 214
13Duschwanne oder geflieste Dusche? - Seite 224
14Bodentiefe offene Dusche, welche Größe? 16
15Dusche auf Podest und Schubfach 13
16Decke über der Dusche - LED-Spots 12
17Bodengleiche Dusche fertig und Problem mit Abdichtung 25
18größere Dusche im Grundriss unterbringen - Welche Größe wählen? - Seite 238
19Fußbodenheizung in der Dusche notwendig? Was meint ihr dazu? 35
20In der Dusche kommt kein Warmwasser mehr an... 13

Oben