Hallo!
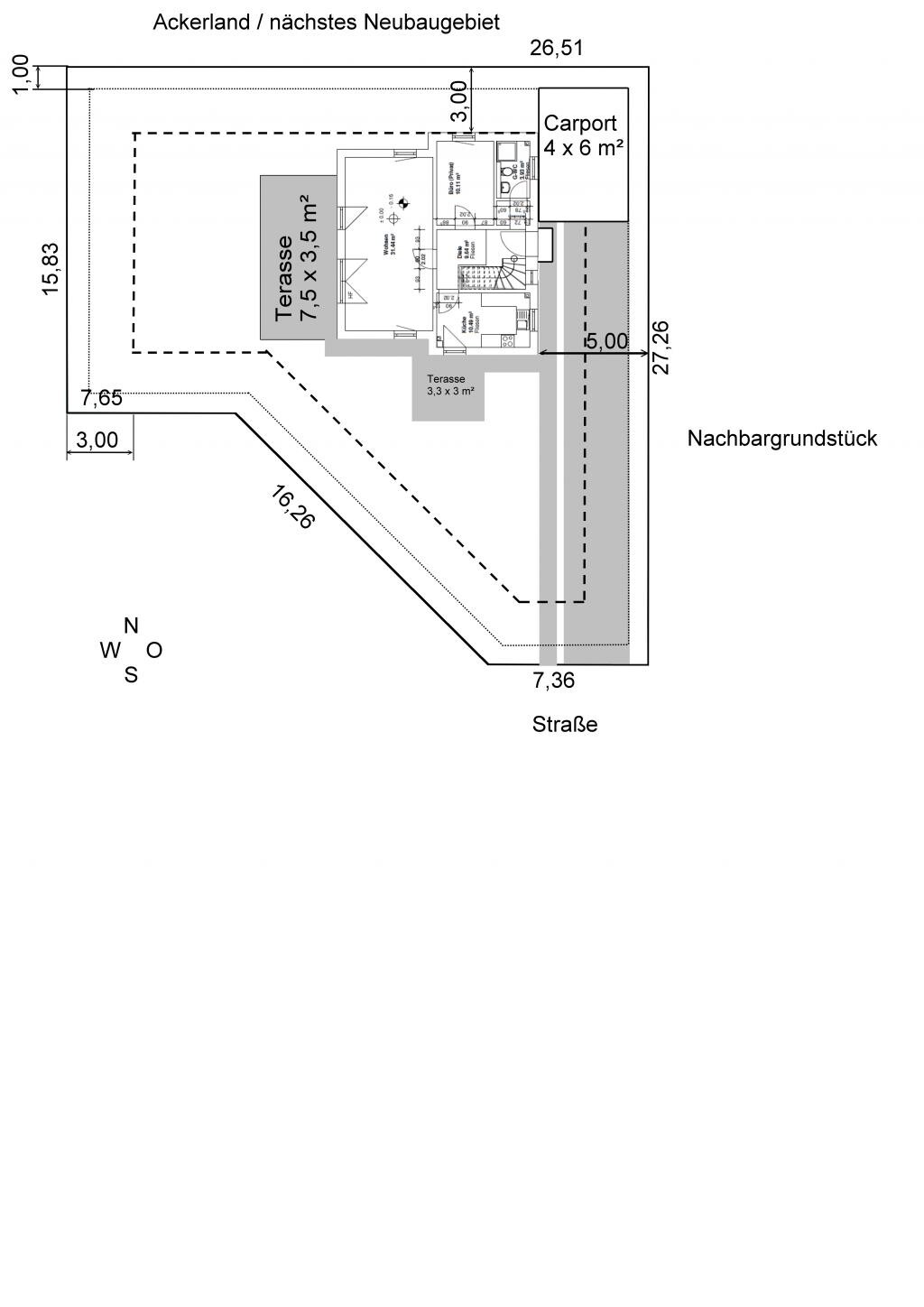
Wir stehen gerade vor der schwierigen Entscheidung wie wir unser Haus ausrichten sollen. Wir haben mittlerweile zwei favorisierte Varianten (siehe Bilder).
Bei dem Grundstück handelt es sich um ein Hang-Grundstück mit leichtem Abfall nach Süden.
Auf der anderen Straßenseite sind sowohl im Süden als auch im Westen weitere Baugrundstücke.
Für mich ist eigentlich die Variante 1 mit der Terrassen im Süden die schönere (u.A. wegen der Aussicht). Nur frage ich mich, ob der versteckte Eingang im Norden und der "lange" Weg dorthin nicht etwas ungewöhnlich sind.
Über Meinungen und Tipps würde ich mich sehr freuen.
LG
Variante 1
Variante 2


Wir stehen gerade vor der schwierigen Entscheidung wie wir unser Haus ausrichten sollen. Wir haben mittlerweile zwei favorisierte Varianten (siehe Bilder).
Bei dem Grundstück handelt es sich um ein Hang-Grundstück mit leichtem Abfall nach Süden.
Auf der anderen Straßenseite sind sowohl im Süden als auch im Westen weitere Baugrundstücke.
Für mich ist eigentlich die Variante 1 mit der Terrassen im Süden die schönere (u.A. wegen der Aussicht). Nur frage ich mich, ob der versteckte Eingang im Norden und der "lange" Weg dorthin nicht etwas ungewöhnlich sind.
Über Meinungen und Tipps würde ich mich sehr freuen.
LG
Variante 1
Variante 2
Für mich gehört der Eingang in den "Eingangsbereich" -also sichtbar nach vorn - vielen ist das egal.
Jeder Standard-Grundriss kann seine Terrasse entsprechend der Sonne hin befördern, auch im gemütlichen Sinn des Grundstücks.
Wenn die Idee fehlt bzw es man es selbst nicht kann: Architekt wechseln oder später Garten-Landschaftsbauer befragen
Warum macht Ihr nicht Zugang im Westen und Terrasse im Süden?.
Jeder Standard-Grundriss kann seine Terrasse entsprechend der Sonne hin befördern, auch im gemütlichen Sinn des Grundstücks.
Wenn die Idee fehlt bzw es man es selbst nicht kann: Architekt wechseln oder später Garten-Landschaftsbauer befragen
Warum macht Ihr nicht Zugang im Westen und Terrasse im Süden?.
D
Doc.Schnaggls10.02.14 09:08Hallo,
ich würde auf jeden Fall Variante 1 mit der Südterrasse wählen.
Überleg mal, wieviel Grundstücksfläche Du Dir bei Variante 2 mit der Hofeinfahrt zupflasterst... Da möchte ich ich Winter nicht Schnee räumen müssen...
Grüße,
Dirk
ich würde auf jeden Fall Variante 1 mit der Südterrasse wählen.
Überleg mal, wieviel Grundstücksfläche Du Dir bei Variante 2 mit der Hofeinfahrt zupflasterst... Da möchte ich ich Winter nicht Schnee räumen müssen...
Grüße,
Dirk
Ähnliche Themen