ᐅ Grundriss Bungalow mit Einliegerwohnung - Grundriss Feedback
Erstellt am: 22.03.2018 20:01
blaupuma 22.03.2018 20:01
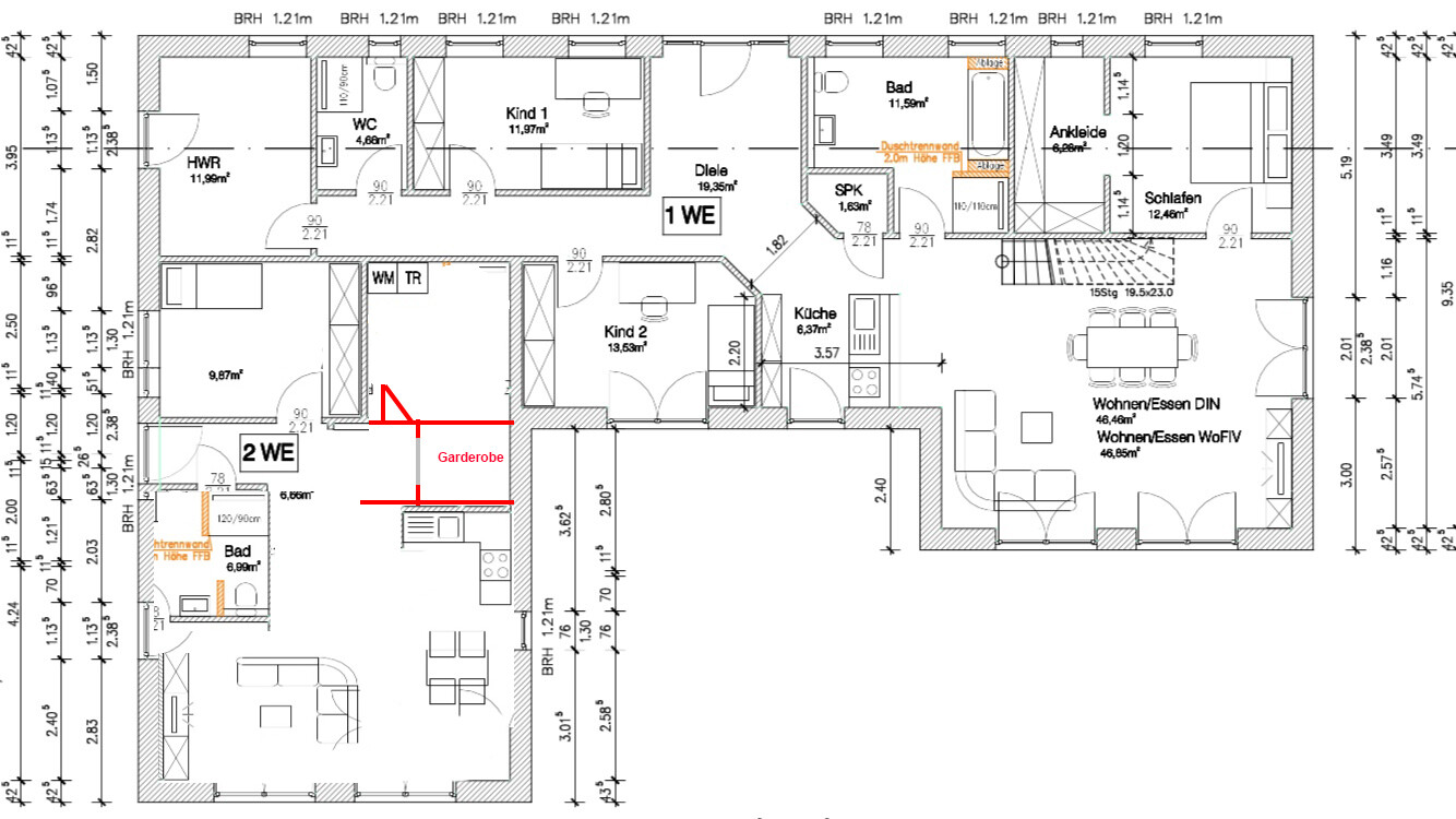
Hallo, ich wollte euch endlich mal den ersten Entwurf vom Bungalow Grundriss vorstellen. Vielleicht habt ihr ja noch Verbesserungsvorschläge?
Als Info vorab.
Wir bauen ein Bungalow mit Einliegerwohnung (Schwiegermutter. )
Mein Ziel war es den Bungalow Grundriss möglichst großzügigen ca 150 qm zu realisieren.
Mein Hauptmerkmal ist ein großzügiger Wohn/ Essbereich.
Der Wohn Essbereich mit Küche ist in beiden Wohnungen offen bis zum First.
Die Lichthöhe der Räume beträgt 265cm.
Das Büro ist aus Platzgründen nun in die Galerie gewandert über dem Schlafzimmer. Dort gibt es eine Höhe von 2 Metern und eine Fläche von 20qm mit schrägen also nutzbar lediglich 12 qm. Der Rest des DG bleibt Lagerraum.
Leider sind die Kinderzimmer reaktiv klein, [emoji53] aber meiner Frau ist es wichtig die Haustür exakt in die Mitte zu setzen. Die Mauer bekommt noch einen minimalen Vorsprung um die Giebel etwas besser abzuzeichnen.
( Gesamtlänge der Front ist 23,3 Meter. )
In der zweiten Wohnung ist eigentlich ein Bad zu viel aber das muss wohl so sein. O.k.
Die Speisekammer wird vergrößert und die Dusche kommt weg.
Eine Garage findet auf diesem Grundriss keinen Platz mehr. Wir haben die maximale Größe ausgereizt. Ist auch unwichtig für uns.
Ach so es kommt noch ein Kamin in die Nähe nähe der Treppe, da der Schornstein sonst zu lang herausragt aus dem Dach.
Das Fenster im OG kommt weg dafür gibt es ein Velux im Dach, und die Giebel werden ganz hochgemauert.
Bebauungsplan/Einschränkungen
Größe des Grundstücks: 905qm
Hang: nein
Grundflächenzahl: 0,3
Geschossflächenzahl:
Baufenster, Baulinie und -grenze:
Randbebauung:
Anzahl Stellplatz: 2
Geschossigkeit: 1
Dachform: Satteldach
Stilrichtung: modern dänisch
Ausrichtung
Maximale Höhen/Begrenzungen
weitere Vorgaben
Anforderungen der Bauherren
Stilrichtung, Dachform, Gebäudetyp: Bungalow, Satteldach 35grad
Keller, Geschosse: Kein Keller,
1 Geschoss
Anzahl der Personen, Alter: 2 Personen plus Kind; 30, 29, 2,
Raumbedarf im EG, OG: ca 150 m²
Büro: Familiennutzung oder Homeoffice?
Schlafgäste pro Jahr: 0
offene oder geschlossene Architektur: offen
konservativ oder moderne Bauweise: modern
offene Küche, keine Insel
Anzahl Essplätze: 4-6
Kamin: Ja
Musik/Stereowand:
Balkon, Dachterrasse: Nein
Garage,nein
Hausentwurf
Von wem stammt die Planung:
-Architekt eines Bauunternehmers eigener Entwurf
Was gefällt besonders? Warum?: Offener Wohnzimmerbereich, offen bist zum First.
Was gefällt nicht? Warum?: evtl. zu kleine Kinderzimmer
Heiztechnik: Fernwärme
So nun hoffe ich auf ein Feedback zu unserem Bungalow Grundriss - Danke





Als Info vorab.
Wir bauen ein Bungalow mit Einliegerwohnung (Schwiegermutter. )
Mein Ziel war es den Bungalow Grundriss möglichst großzügigen ca 150 qm zu realisieren.
Mein Hauptmerkmal ist ein großzügiger Wohn/ Essbereich.
Der Wohn Essbereich mit Küche ist in beiden Wohnungen offen bis zum First.
Die Lichthöhe der Räume beträgt 265cm.
Das Büro ist aus Platzgründen nun in die Galerie gewandert über dem Schlafzimmer. Dort gibt es eine Höhe von 2 Metern und eine Fläche von 20qm mit schrägen also nutzbar lediglich 12 qm. Der Rest des DG bleibt Lagerraum.
Leider sind die Kinderzimmer reaktiv klein, [emoji53] aber meiner Frau ist es wichtig die Haustür exakt in die Mitte zu setzen. Die Mauer bekommt noch einen minimalen Vorsprung um die Giebel etwas besser abzuzeichnen.
( Gesamtlänge der Front ist 23,3 Meter. )
In der zweiten Wohnung ist eigentlich ein Bad zu viel aber das muss wohl so sein. O.k.
Die Speisekammer wird vergrößert und die Dusche kommt weg.
Eine Garage findet auf diesem Grundriss keinen Platz mehr. Wir haben die maximale Größe ausgereizt. Ist auch unwichtig für uns.
Ach so es kommt noch ein Kamin in die Nähe nähe der Treppe, da der Schornstein sonst zu lang herausragt aus dem Dach.
Das Fenster im OG kommt weg dafür gibt es ein Velux im Dach, und die Giebel werden ganz hochgemauert.
Bebauungsplan/Einschränkungen
Größe des Grundstücks: 905qm
Hang: nein
Grundflächenzahl: 0,3
Geschossflächenzahl:
Baufenster, Baulinie und -grenze:
Randbebauung:
Anzahl Stellplatz: 2
Geschossigkeit: 1
Dachform: Satteldach
Stilrichtung: modern dänisch
Ausrichtung
Maximale Höhen/Begrenzungen
weitere Vorgaben
Anforderungen der Bauherren
Stilrichtung, Dachform, Gebäudetyp: Bungalow, Satteldach 35grad
Keller, Geschosse: Kein Keller,
1 Geschoss
Anzahl der Personen, Alter: 2 Personen plus Kind; 30, 29, 2,
Raumbedarf im EG, OG: ca 150 m²
Büro: Familiennutzung oder Homeoffice?
Schlafgäste pro Jahr: 0
offene oder geschlossene Architektur: offen
konservativ oder moderne Bauweise: modern
offene Küche, keine Insel
Anzahl Essplätze: 4-6
Kamin: Ja
Musik/Stereowand:
Balkon, Dachterrasse: Nein
Garage,nein
Hausentwurf
Von wem stammt die Planung:
-Architekt eines Bauunternehmers eigener Entwurf
Was gefällt besonders? Warum?: Offener Wohnzimmerbereich, offen bist zum First.
Was gefällt nicht? Warum?: evtl. zu kleine Kinderzimmer
Heiztechnik: Fernwärme
So nun hoffe ich auf ein Feedback zu unserem Bungalow Grundriss - Danke
blaupuma 22.03.2018 20:12
Ach so: Die Giebel im Garten zeigen nach Westen!
kaho674 22.03.2018 20:42
Boa. Schlafzimmer und Bad ohne Fenster in der Einliegerwohnung. Absurd.
Die Miniküche im Haupttrackt ist kleiner als mein Gäste-WC. Und die lange Front ist ausgerechnet nicht zu sehen bei den Ansichten...
Die Miniküche im Haupttrackt ist kleiner als mein Gäste-WC. Und die lange Front ist ausgerechnet nicht zu sehen bei den Ansichten...
kbt09 22.03.2018 21:04
Mir fehlen leider auch ein wenig die Worte für diese Grundrisse. Es sind immerhin gut 146 und knapp 70 qm .. aber Küchen wie in der Puppenstube, wo noch nicht mal Hochschränke passen.
Durchgangsbereiche neben dem Tisch, wo noch ein Kamin hin soll zum Schlafbereich.
Aber, die Hauseingangstür von der großen Wohnung ist mittig.
Lageplan fehlt leider auch.
Durchgangsbereiche neben dem Tisch, wo noch ein Kamin hin soll zum Schlafbereich.
Aber, die Hauseingangstür von der großen Wohnung ist mittig.
Lageplan fehlt leider auch.
blaupuma 22.03.2018 21:24
kaho674 schrieb:
Boa. Schlafzimmer und Bad ohne Fenster in der Einliegerwohnung. Absurd.
Die Miniküche im Haupttrackt ist kleiner als mein Gäste-WC. Und die lange Front ist ausgerechnet nicht zu sehen bei den Ansichten...Volle Breitseite
Also das Schlafzimmer der kleinen Wohnung bekommt natürlich ein Fenster wurde hier vergessen. Das Bad ist ohne Fenster da sonst der Wohnbereich zu klein wird
( das muss dahinten verschwinden leider)
Die Küche in der großen Wohnung ist klein ja :-( Vorschläge?
Die Hausfront bleibt bei der Länge und die Giebel werden im
Mauerwerk sichtbar ( für mich auch bei der langen Front sehr stimmig )
ypg 22.03.2018 21:26
Was mir negativ auffällt:
Lange Hausfront, auch sehr unspannend mit den Fenstern gestaltet.
Giebel ohne Fenster finde ich bei der Höhe nicht schön, eher „leer“...
Hauptwohnung:
Situation Schlafzimmer-Bad-Ankleide sehr unpraktisch in der Handhabung. Immer um den Esstisch herum... wenn einer Besuch hat, muss der andere Ehepartner immer am Besuch vorbei. Rückzug ist somit gar nicht gegeben. Tupperpartys und Pokerrunden ade.
Kinderzimmer an der Hauptterrasse, hm... Abendliche Grillrunden unter Freunden ohne Kinder ade.
Küche viel zu klein!!! Dafür Bad zu groß.
Verbesserungsvorschlag: Küchenbereich mit Schlafzimmer tauschen, Bad mit Hauswirtschaftsraum, Garderobenplatz bilden.
Nebenwohnung:
Für Altersruhesitz wäre mir der Eingangsbereich zu schmal. Ich persönlich kann mit einem Bad ohne Fenster leben, aber das Schlafzimmer ist ohne Fenster gar kein Aufenthaltsraum und darf somit gar nicht als solches genehmigt werden. Setze man ein Fenster ein, verstößt man meines Wissens gegen die Brandschutzordnung (2 Wohnungen/Fensterabstand 3 Meter oder so ähnlich)
Auch ist die Wohnung die meiste Zeit im Jahr dunkel, weil die Sonne die Fenster im Westen nicht erreicht.
Positiv: dänischer Baustil. Galerie (obwohl ich mir jetzt die 3D-Wirkung und Statik noch nicht vor Augen geführt habe) Schöner Eingangsbereich.
Lange Hausfront, auch sehr unspannend mit den Fenstern gestaltet.
Giebel ohne Fenster finde ich bei der Höhe nicht schön, eher „leer“...
Hauptwohnung:
Situation Schlafzimmer-Bad-Ankleide sehr unpraktisch in der Handhabung. Immer um den Esstisch herum... wenn einer Besuch hat, muss der andere Ehepartner immer am Besuch vorbei. Rückzug ist somit gar nicht gegeben. Tupperpartys und Pokerrunden ade.
Kinderzimmer an der Hauptterrasse, hm... Abendliche Grillrunden unter Freunden ohne Kinder ade.
Küche viel zu klein!!! Dafür Bad zu groß.
Verbesserungsvorschlag: Küchenbereich mit Schlafzimmer tauschen, Bad mit Hauswirtschaftsraum, Garderobenplatz bilden.
Nebenwohnung:
Für Altersruhesitz wäre mir der Eingangsbereich zu schmal. Ich persönlich kann mit einem Bad ohne Fenster leben, aber das Schlafzimmer ist ohne Fenster gar kein Aufenthaltsraum und darf somit gar nicht als solches genehmigt werden. Setze man ein Fenster ein, verstößt man meines Wissens gegen die Brandschutzordnung (2 Wohnungen/Fensterabstand 3 Meter oder so ähnlich)
Auch ist die Wohnung die meiste Zeit im Jahr dunkel, weil die Sonne die Fenster im Westen nicht erreicht.
Positiv: dänischer Baustil. Galerie (obwohl ich mir jetzt die 3D-Wirkung und Statik noch nicht vor Augen geführt habe) Schöner Eingangsbereich.
Ähnliche Themen