ᐅ Brötje BLW Neo 8 Heizkurve Einstellungen
Erstellt am: 02.10.2020 08:09
Alessandro 02.10.2020 08:09
ich will in meinem Neubau mit Fußbodenheizung, die Wärmepumpe optimal einstellen um höchst mögliche Effizienz zu erreichen.
Da ich keine Ahnung von Heizungen habe, seht es mir bitte nach dass ich weder mit Fachausdrücken glänzen, noch eine schematische Skizze anfertigen kann
Ich wohne in Mittelhessen, das Haus hat 200qm und insgesamt 9 Heizkreise.
Die Einstellungen des Installateurs waren wie folgt:
Heizgrenze: 18°
RL_soll bei 18°: 32°
RL_soll bei 0°: 37°
RL_soll bei -15°: 39°
Für den Mischer sind die Werte gleich. Ich wurde in einem anderen Thread gefragt warum ein Mischer verbaut ist. Ehrlich gesagt weiß ich es nicht...
Ich habe hier mal Bilder der Anlage und hoffe dass ihr mir ein bisschen weiterhelfen könnt.



Da ich keine Ahnung von Heizungen habe, seht es mir bitte nach dass ich weder mit Fachausdrücken glänzen, noch eine schematische Skizze anfertigen kann
Ich wohne in Mittelhessen, das Haus hat 200qm und insgesamt 9 Heizkreise.
Die Einstellungen des Installateurs waren wie folgt:
Heizgrenze: 18°
RL_soll bei 18°: 32°
RL_soll bei 0°: 37°
RL_soll bei -15°: 39°
Für den Mischer sind die Werte gleich. Ich wurde in einem anderen Thread gefragt warum ein Mischer verbaut ist. Ehrlich gesagt weiß ich es nicht...
Ich habe hier mal Bilder der Anlage und hoffe dass ihr mir ein bisschen weiterhelfen könnt.
Mycraft 02.10.2020 08:31
Also ich sehe da schon mal 2x MAG(Membranausdehnungsgefäss) hast du eine übliche Fußbodenheizung mit Plastikrohren? Wenn ja wie ist die Bezeichnung der beiden Gefäße? Diese sollten, sofern es die einfachen Stahlgefässe sind schleunigst auf die Edelstahlvariante getauscht werden.
Ist kein Mangel und muss extra bestellt werden desw. kannst du deinen Heizi nicht dafür in die Pflicht nehmen aber deine Fußbodenheizung wird es dir danken. Da durch diese Maßnahme die Lebensdauer erheblich gesteigert wird.
Und sehe ich da auch zwei Pufferspeicher? Oder hast du zusätzlich zu der Wärmepumpe noch Solarthermie auf dem Dach?
Hast du eine Schematische Skizze in deinen Unterlagen?
Ist kein Mangel und muss extra bestellt werden desw. kannst du deinen Heizi nicht dafür in die Pflicht nehmen aber deine Fußbodenheizung wird es dir danken. Da durch diese Maßnahme die Lebensdauer erheblich gesteigert wird.
Und sehe ich da auch zwei Pufferspeicher? Oder hast du zusätzlich zu der Wärmepumpe noch Solarthermie auf dem Dach?
Hast du eine Schematische Skizze in deinen Unterlagen?
halmi 02.10.2020 08:33
Da hat ja der Heizungsbauer aus dem vollen Geschöpf.
Ich bin Laie, aber es sieht für mich so aus als wäre da ein separater Puffer für die Fußbodenheizung installiert worden... leider.
wir auf jeden Fall eine Aufgabe das effizient zu betreiben.
Ich bin Laie, aber es sieht für mich so aus als wäre da ein separater Puffer für die Fußbodenheizung installiert worden... leider.
wir auf jeden Fall eine Aufgabe das effizient zu betreiben.
Grobmutant 02.10.2020 09:01
Mycraft schrieb:
Diese sollten, sofern es die einfachen Stahlgefässe sind schleunigst auf die Edelstahlvariante getauscht werden.Was ist der Vorteil von der Edelstahlvariante bei einer Fußbodenheizung mit Kunststoffrohren?
Daniel-Sp 02.10.2020 09:08
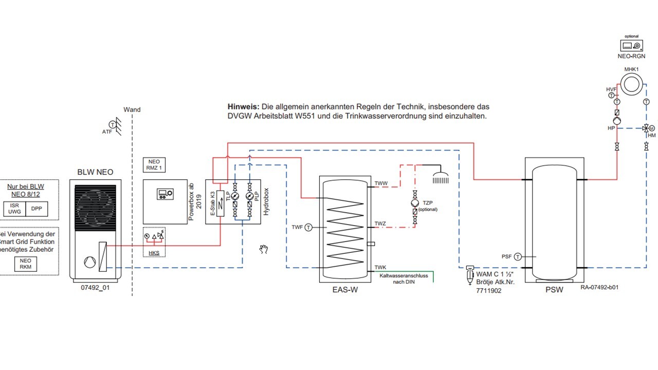
Ich wünsche mir auch eine Skizze von der Hydraulik.
Gibt es nur die Wärmepumpe, oder gibt es noch einen zweiten Wärmeerzeuger?
Gibt es nur die Wärmepumpe, oder gibt es noch einen zweiten Wärmeerzeuger?
Alessandro 02.10.2020 09:08
Mycraft schrieb:
Also ich sehe da schon mal 2x MAG(Membranausdehnungsgefäss) hast du eine übliche Fußbodenheizung mit Plastikrohren? Wenn ja wie ist die Bezeichnung der beiden Gefäße? Diese sollten, sofern es die einfachen Stahlgefässe sind schleunigst auf die Edelstahlvariante getauscht werden.
Ist kein Mangel und muss extra bestellt werden desw. kannst du deinen Heizi nicht dafür in die Pflicht nehmen aber deine Fußbodenheizung wird es dir danken. Da durch diese Maßnahme die Lebensdauer erheblich gesteigert wird.
Und sehe ich da auch zwei Pufferspeicher? Oder hast du zusätzlich zu der Wärmepumpe noch Solarthermie auf dem Dach?
Hast du eine Schematische Skizze in deinen Unterlagen?links ist ein Cosmo MAG-W 18, rechts ein Cosmo MAG-H
ja da ist ein zweiter Pufferspeicher. Solarthermie habe ich keine installiert.
Skizze habe ich leider nicht.
Fußbodenheizung mit normalen Kunststoffleitungen.
Einen zweiten Wärmeerzeuger gibt es nicht.
Ähnliche Themen