G
goldfisch13813.12.24 00:25Hallo zusammen,
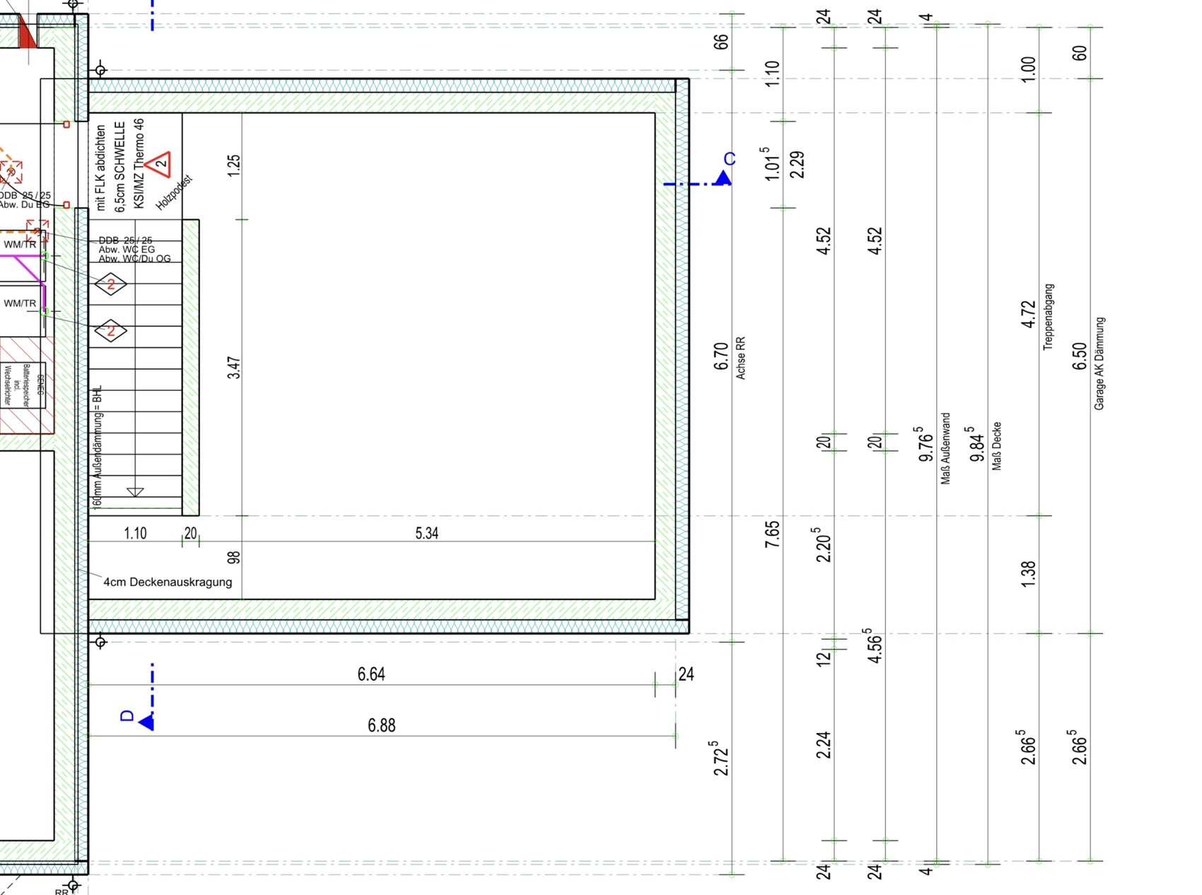
wir sind derzeit in der finalen Umsetzung unseres Haus & stehen hier vor einer elementaren Thematik.
Wir bauen ein Mehrfamilienhaus (OG vermietet / 100 qm) und werden selbst auch einziehen. Mein Wunsch ist hierbei eine Doppelgarage für zwei Fahrzeuge.
Aufgrund der großen Grundfläche der Garage kam im Laufe der Zeit die Idee auf, die Garage zu unterkellern, weshalb nun auch eine Treppe (1m statt wie im Plan 1,10m) eingeplant wurde.
Allerdings habe ich nun die Befürchtung, dass die verbleibenden 5,44m in der Breite etwas zu knapp bemessen sind. Nun wurde seitens dem Maurer die Idee vorgebracht, da die Garage sowieso gemauert wird, das Maß um 50cm nach außen Richtung Grenzpunkt zu verlängern. Somit würde sich für den potenziellen Carport neben der Garage eine Restbreite von 3,03m zur Grundstücksgrenze ergeben. Das angrenzende Grundstück ist im Familienbesitz.
Frage ist nun, ob diese Idee der Verlängerung der Garage realisierbar ist & mit der Kellertreppe vereinbar ist. Wir möchten ungern noch Autos vor der Garage parken geschweige denn nur ein Auto hinein stellen, da die Garage ausschließlich von uns als Vermieter verwendet werden soll. Option zwei wäre die Kellertreppe wegfallen zu lassen - eher ungern.
Wir bitten um Fremdmeinungen um uns hier ein besseres Bild verschaffen zu können.
Über Erfahrungswerte freue ich mich
Gruß


wir sind derzeit in der finalen Umsetzung unseres Haus & stehen hier vor einer elementaren Thematik.
Wir bauen ein Mehrfamilienhaus (OG vermietet / 100 qm) und werden selbst auch einziehen. Mein Wunsch ist hierbei eine Doppelgarage für zwei Fahrzeuge.
Aufgrund der großen Grundfläche der Garage kam im Laufe der Zeit die Idee auf, die Garage zu unterkellern, weshalb nun auch eine Treppe (1m statt wie im Plan 1,10m) eingeplant wurde.
Allerdings habe ich nun die Befürchtung, dass die verbleibenden 5,44m in der Breite etwas zu knapp bemessen sind. Nun wurde seitens dem Maurer die Idee vorgebracht, da die Garage sowieso gemauert wird, das Maß um 50cm nach außen Richtung Grenzpunkt zu verlängern. Somit würde sich für den potenziellen Carport neben der Garage eine Restbreite von 3,03m zur Grundstücksgrenze ergeben. Das angrenzende Grundstück ist im Familienbesitz.
Frage ist nun, ob diese Idee der Verlängerung der Garage realisierbar ist & mit der Kellertreppe vereinbar ist. Wir möchten ungern noch Autos vor der Garage parken geschweige denn nur ein Auto hinein stellen, da die Garage ausschließlich von uns als Vermieter verwendet werden soll. Option zwei wäre die Kellertreppe wegfallen zu lassen - eher ungern.
Wir bitten um Fremdmeinungen um uns hier ein besseres Bild verschaffen zu können.
Über Erfahrungswerte freue ich mich
Gruß
Wer aus den wirren Gedanken schlau wird, möge sie mir altem Mann mal übersetzen. Danke im voraus.
https://www.instagram.com/11antgmxde/
https://www.linkedin.com/company/bauen-jetzt/
https://www.instagram.com/11antgmxde/
https://www.linkedin.com/company/bauen-jetzt/
G
goldfisch13813.12.24 00:42Hauptfrage ist, ob eine Verlängerung der Garage um 50cm genügt, um 2 Autos in der Garage zu platzieren und planseits rechts neben der Garage einen zusätzlichen Carport zu errichten? Ist das klarer? Gerne erläutern, was unklar ist 🙂
goldfisch138 schrieb:
Hauptfrage ist, ob eine Verlängerung der Garage um 50cm genügt,Du meinst wohl eher eine Verbreiterung ... denn du willst ja die 5,34 m, die planrechts der Treppe bleiben durch Verschieben der rechten Wand um 50 cm nach rechts, erweitern.Carport dann eben nur 3 m .. bzw., wenn ihr die Pfosten auf die Grenze setzt, im vorderen Bereich dann 3,3 m.
Ist denn die Befestigung des Carport auf der Garagenseite direkt an der Wand ohne Pfosten geplant?
Und, man muss sich halt klar sein, dass man im Carport dann immer soweit möglich nach rechts parkt, damit man als Fahrer links noch aussteigen kann. D. h. Fahrgäste auf Beifahrerseite sollten vor dem Carport aussteigen.
534 cm nutzbare Breite für 2 Autos in der Garage halte ich auch für relativ unkomfortabel, es sei denn, man fährt sehr kleine Autos.
G
goldfisch13813.12.24 06:44kbt09 schrieb:
Du meinst wohl eher eine Verbreiterung ... denn du willst ja die 5,34 m, die planrechts der Treppe bleiben durch Verschieben der rechten Wand um 50 cm nach rechts, erweitern.
Carport dann eben nur 3 m .. bzw., wenn ihr die Pfosten auf die Grenze setzt, im vorderen Bereich dann 3,3 m. Ist denn die Befestigung des Carport auf der Garagenseite direkt an der Wand ohne Pfosten geplant? Und, man muss sich halt klar sein, dass man im Carport dann immer soweit möglich nach rechts parkt, damit man als Fahrer links noch aussteigen kann. D. h. Fahrgäste auf Beifahrerseite sollten vor dem Carport aussteigen. 534 cm nutzbare Breite für 2 Autos in der Garage halte ich auch für relativ unkomfortabel, es sei denn, man fährt sehr kleine Autos. Was wäre denn ein komfortables Maß für die Innengarage? Notfalls würde das Auto dann eben nicht in den Carport sondern längs entlang des Hauses geparkt werden.
Da wurde sich einfach etwas verplant und ich versuche nun das in den Brunnen gefallene Kind Kochbeutel retten.
S
Simon-18913.12.24 07:08Hallo,
in der bayrischen Stellplatzverordnung sind Parkplätze mind. 2,30m breit. In der Regel werden die meisten Parkplätze von Baumärkten, Einkaufsläden etc. mit 2,50m Breite geplant. In deiner Planung werden es rund 2,70m sein. Ein moderner Mittelklassekombi hat schon mal eine Karosseriebreite von ca. 1,85m ohne Spiegel gemessen. Wenn beide Türen komfortabel geöffnet werden müssen, kann man locker 75cm je Tür hinzufügen. Also ergibt sich je Auto in diesem Beispiel schon einmal ein Platzplatzbedarf von 3,35m. Noch 50cm zwischen den geöffneten Türen der Fahrzeuge und 25cm zur Wand dazugezählt kommen schon 6,80m heraus um wirklich komfortabel alles bei offenen Türen umlaufen zu können.
Nur mal als Beispiel, wirklichkeitsnah ist das eher selten. Ich würde die 50cm Verbreiterung für die Garage vorsehen.
in der bayrischen Stellplatzverordnung sind Parkplätze mind. 2,30m breit. In der Regel werden die meisten Parkplätze von Baumärkten, Einkaufsläden etc. mit 2,50m Breite geplant. In deiner Planung werden es rund 2,70m sein. Ein moderner Mittelklassekombi hat schon mal eine Karosseriebreite von ca. 1,85m ohne Spiegel gemessen. Wenn beide Türen komfortabel geöffnet werden müssen, kann man locker 75cm je Tür hinzufügen. Also ergibt sich je Auto in diesem Beispiel schon einmal ein Platzplatzbedarf von 3,35m. Noch 50cm zwischen den geöffneten Türen der Fahrzeuge und 25cm zur Wand dazugezählt kommen schon 6,80m heraus um wirklich komfortabel alles bei offenen Türen umlaufen zu können.
Nur mal als Beispiel, wirklichkeitsnah ist das eher selten. Ich würde die 50cm Verbreiterung für die Garage vorsehen.
Ähnliche Themen