Wir sind gerade dabei unser Badezimmer zu planen und irgendwie sind wir nicht ganz glücklich mit dem jetzigen Plan. Jetzt hoffe ich auf eure kreativen Ideen.
Das Badezimmer ist im Obergeschoss und hat eine Größe von 3,30m auf 4,15m, wobei die 3,30m noch variabel sind. Wir haben an der Fensterseite einen Kniestock bei 1,80m.
Geplant ist bisher noch ein Lichtband einzusetzen, wir sind aber mittlerweile schon am überlegen ob es nicht doch besser wäre ein oder zwei Dachfenster anzubringen. Da die Fensterseite auch die Straßenseite ist und man bei einem Lichtband auf einer Höhe von ca.1,50m schauen müsste das die Rollladen immer unten sind wenn man sich im Bad aufhält.
Drin sein soll eine Dusche ca 1,00m x 1,50m, eine Badewanne mit vielleicht Sitzgelegenheit, ein Doppelwaschtisch mit Spiegel und Schrank, WC und Bidet und ein Handtuchheizkörper.
Hier ist mal ein Versuch wie wir es uns vielleicht gedacht haben.
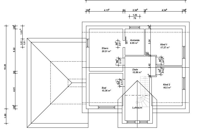
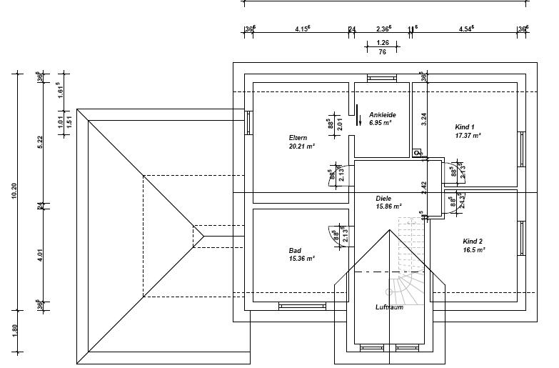
Und auch gleich mal der Grundriss des OG, ihr müsst euch nur einen Abstellraum zwischen Schlafzimmer und Badezimmer denken. Der Plan ist noch nicht aktualisiert worden.
Ich freue mich auf eure Ideen


Das Badezimmer ist im Obergeschoss und hat eine Größe von 3,30m auf 4,15m, wobei die 3,30m noch variabel sind. Wir haben an der Fensterseite einen Kniestock bei 1,80m.
Geplant ist bisher noch ein Lichtband einzusetzen, wir sind aber mittlerweile schon am überlegen ob es nicht doch besser wäre ein oder zwei Dachfenster anzubringen. Da die Fensterseite auch die Straßenseite ist und man bei einem Lichtband auf einer Höhe von ca.1,50m schauen müsste das die Rollladen immer unten sind wenn man sich im Bad aufhält.
Drin sein soll eine Dusche ca 1,00m x 1,50m, eine Badewanne mit vielleicht Sitzgelegenheit, ein Doppelwaschtisch mit Spiegel und Schrank, WC und Bidet und ein Handtuchheizkörper.
Hier ist mal ein Versuch wie wir es uns vielleicht gedacht haben.
Und auch gleich mal der Grundriss des OG, ihr müsst euch nur einen Abstellraum zwischen Schlafzimmer und Badezimmer denken. Der Plan ist noch nicht aktualisiert worden.
Ich freue mich auf eure Ideen
Hallo, ich finde Lichtbänder generell gut. Auch wenn sie in entsprechender Höhe Sichtschutz bieten. Auf 1,50 Höhe würde man wenig von außen sehen, schliesslich schauen Fußgänger von unten nach oben. Verstehe ich es richtig, dass es 30cm Höhe haben soll? Passt denn das Lichtband zu Eurem Hausstil? Wäre vielleicht ganz gut, wenn Du die Frontansicht auch noch zur Verfügung stellen würdest, um zu schauen, wohin man das Fenster ziehen kann
Habt Ihr Euch auf die Wannenmaße schon geeinigt? 160 x 75 sind arg wenig, Standard wäre doch 170 x 75, was schon winzig ist.
so schlecht finde ich die Aufteilung gar nicht, nur die Wanne, die kommt mir etwas verloren vor, dafür das waschbecken etwas an die Wand gequetscht, aber das kann auch live besser aussehen
Wo wäre denn der Verlauf des Abflusses geplant?
Habt Ihr Euch auf die Wannenmaße schon geeinigt? 160 x 75 sind arg wenig, Standard wäre doch 170 x 75, was schon winzig ist.
so schlecht finde ich die Aufteilung gar nicht, nur die Wanne, die kommt mir etwas verloren vor, dafür das waschbecken etwas an die Wand gequetscht, aber das kann auch live besser aussehen
Wo wäre denn der Verlauf des Abflusses geplant?
Hallo ypg,
die Höhe des Lichtbandes steht noch nicht ganz fest, geplant ist bisher eine Höhe von 80 cm. Denkst du man sieht von außen nicht hoch? Ich hab die Befürchtung man kann direkt auf meinen Hintern blicken . Ach es ist schwierig, auf das Lichtband sind wir gekommen, da wir erst keine Dachfenster wollten, jetzt bin ich mir da nicht mehr so sicher. Wir haben noch ein Lichtband auf der Rückseite des Hauses in der Ankleide, aber sonst keine. Ich hänge noch eine Datei an mit der Frontansicht. Bei der Badewanne habe ich gar nicht auf die Größe geachtet, welche Größe nimmt man denn um auch mal zu zweit gemütlich zu baden? Wie könnten wir das Waschbecken mehr von der Wand kriegen? Einfach die Mauer verlängern? Das würde dann aber so eine ewig lange Dusche geben. Beim Abflussverlauf sind wir noch ganz frei, da ist noch nichts geplant.

die Höhe des Lichtbandes steht noch nicht ganz fest, geplant ist bisher eine Höhe von 80 cm. Denkst du man sieht von außen nicht hoch? Ich hab die Befürchtung man kann direkt auf meinen Hintern blicken . Ach es ist schwierig, auf das Lichtband sind wir gekommen, da wir erst keine Dachfenster wollten, jetzt bin ich mir da nicht mehr so sicher. Wir haben noch ein Lichtband auf der Rückseite des Hauses in der Ankleide, aber sonst keine. Ich hänge noch eine Datei an mit der Frontansicht. Bei der Badewanne habe ich gar nicht auf die Größe geachtet, welche Größe nimmt man denn um auch mal zu zweit gemütlich zu baden? Wie könnten wir das Waschbecken mehr von der Wand kriegen? Einfach die Mauer verlängern? Das würde dann aber so eine ewig lange Dusche geben. Beim Abflussverlauf sind wir noch ganz frei, da ist noch nichts geplant.
Ein Lichtband ist es aber nicht, was Ihr da habt. Nun gut, ich habe mal gedanklich mit der Dusche "gespielt".
Mach die Wand nicht zu lang, ich weiss jetzt, warum ich ein Problem mit dem Waschbecken habe
Mich persönlich würde es stören, mit dem Rücken zur Tür zu stehen.
Wenn es Euch nicht stört, dann spiel doch mal mit den Gedanken, Wanne neben der Tür (statt Toilette und Bidet) zu setzen, die beide anderen entsprechen dort, wo jetzt die Wanne steht.
Wanne reicht für zwei 180 x 80, wir haben es selbst ausprobiert, es gibt auch Formen, die sparen Wasser, aber genug Platz ist trotzdem für 2 .
Grundsätzlich sollte ja der Blick auf was Schönes fallen, wenn man in den Raum blickt, also Waschbecken oder Wanne.
Wie schon gesagt, hätte ich ein Problem mit Rücken zur Tür, würde dann eventuell Wanne dort, wo Waschbecken ist, Dusche dort, wo Toilette ist, Toilette statt Dusche und Waschbecken an der Seitenwand von Dusche. Fenster bündig mit dem von unten links abschließen lassen. Aber das nur in Theorie, Du kannst es ja mal ausprobieren.
Das Podest vor der Toilette (so, wie es jetzt ist) ist auch was feines, dann kann man dort die Klorolle ablegen
Mach die Wand nicht zu lang, ich weiss jetzt, warum ich ein Problem mit dem Waschbecken habe
Mich persönlich würde es stören, mit dem Rücken zur Tür zu stehen.
Wenn es Euch nicht stört, dann spiel doch mal mit den Gedanken, Wanne neben der Tür (statt Toilette und Bidet) zu setzen, die beide anderen entsprechen dort, wo jetzt die Wanne steht.
Wanne reicht für zwei 180 x 80, wir haben es selbst ausprobiert, es gibt auch Formen, die sparen Wasser, aber genug Platz ist trotzdem für 2 .
Grundsätzlich sollte ja der Blick auf was Schönes fallen, wenn man in den Raum blickt, also Waschbecken oder Wanne.
Wie schon gesagt, hätte ich ein Problem mit Rücken zur Tür, würde dann eventuell Wanne dort, wo Waschbecken ist, Dusche dort, wo Toilette ist, Toilette statt Dusche und Waschbecken an der Seitenwand von Dusche. Fenster bündig mit dem von unten links abschließen lassen. Aber das nur in Theorie, Du kannst es ja mal ausprobieren.
Das Podest vor der Toilette (so, wie es jetzt ist) ist auch was feines, dann kann man dort die Klorolle ablegen
Ist es kein Lichtband weil es zu hoch ist? Die Position der Dusche kann man eigentlich nicht viel verändern, da wir ja auch der Fensterseite einen Kniestock haben, zwar erst bei 1,80m aber ich glaub eine Dusche braucht schon 2m Höhe.
Und dieses "Podest" soll hoffentlich auch nicht als Klopapierrollen Ablage dienen
Wie sieht es eigentlich aus mit Wände und Fliesen? Würdet ihr bis ganz zur Decke fliesen? Ich denke es ist besser, da man gut drüber wischen kann und auch nicht Streichen müsste. Aber wohl Geschmacksache.
Und dieses "Podest" soll hoffentlich auch nicht als Klopapierrollen Ablage dienen
Wie sieht es eigentlich aus mit Wände und Fliesen? Würdet ihr bis ganz zur Decke fliesen? Ich denke es ist besser, da man gut drüber wischen kann und auch nicht Streichen müsste. Aber wohl Geschmacksache.
Ähnliche Themen