Hausübergabe Probleme und Lösungen gesucht?

4,60 Stern(e) 5 Votes
Zuletzt aktualisiert 07.10.2025
Sie befinden sich auf der Seite 3 der Diskussion zum Thema: Hausübergabe Probleme und Lösungen gesucht?
>> Zum 1. Beitrag <<

K

klaf333

Bist du dir da sicher? Schau noch mal in den Vertrag, normalerweise ist das eine Standardklausel wenn man ein so neues Haus von privat kauft.
Bei uns war das irgendwie formuliert in der Art von "Die Verkäufer treten die .... blablubb ... Erfüllungs- , Gewährleistungs- und Schadensersatzansprüche an die Käufer ab. Die Käufer nehmen die Abtretung an." . Auch relativ weit vorne im Vertrag.
Ist hier das passende dabei?
Oder fehlt es?

Seite 5 eines Vertragsdokuments zu Auflassung, Eigentumsumschreibung und Kaufpreis.


Bildschirmfoto einer Vertragsseite mit §5 Rechten des Käufers bei Mängeln und Vorkaufsrechten.
 
K

klaf333

Ich schätze das war der Vertragsentwurf und der Notar hat es als Option reingeschrieben

Ja das war der Vertragsentwurf.

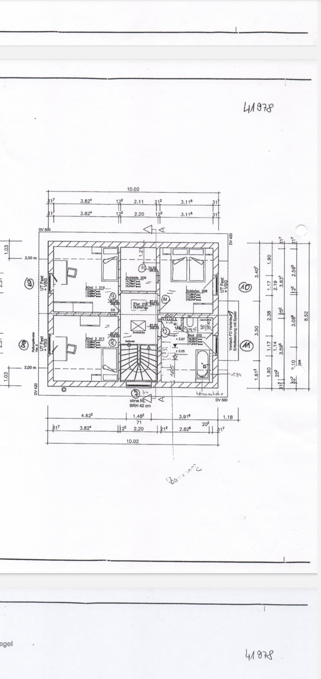
Was sagt ihr eigentlich zum Grundriss?
Es war eine freie Planung:

Was finde ich gut:
(8,5m* 10m = 130m2)

* Abstellraum unter der Treppe
* 5 Zimmer
* gleich große Kinderzimmer
* Fenster im Treppenhaus
* Möglichkeit das Wohnzimmer mit einer Schiebetür abzutreten
* hoher Kniestock
* Durchgang zum Garten vom Technikraum
* hohe Deckenhöhe


Was ist nicht so besonders:

* Technikraum nicht sinnvoll nutzbar von 9,5m2 gehen 2m2 verloren (Durchgang)
(ich hätte die Dusche weg gelassen im EG für den Technikraum)
* Dachboden nicht, kaum nutzbar <1m max. Höhe (dafür ist er wenigstens gedämmt)
* Wohnzimmer etwas sehr klein ( mehr wie Sofa, Sideboard für Fernseher, Kamin und ein kleiner Tisch passen nicht rein.
* keine Garderobe (1,60m Breite Flur) = Hauptgarderobe in Technikraum Durchgang und eine winzige in den normalen Flur.
* Abgehangene Decke Arbeitszimmer und Tür geht nach innen auf (soll Sportraum werden)
* Blick vom Schlafzimmer direkt ins Wohnzimmer Nachbarhaus.
(Das Grundstück ist ja ca 46m * 23m Breit, evtl wäre es anderes gegangen)
+Carport hinter dem Haus ohne Dreh Möglichkeit = 20m + jedes mal Rückwarts fahren) so werde ich die kleine Wiese direkt vorm Haus viel mehr fürs Auto nutzen.
* Lage Ausrichtung nicht optimal für Photovoltaikanlage
* das Vordach hätte man auch als Balkon, Elternschlafzimmer bauen können.



Allgemeines: zum Haus:

Toll
*Elektrische Rollos
* Deckenhotspots
* LAN Dosen in den Zimmern... Die ich selber nicht nutze
* Licht mit Bewegungsmelder installiert Flur, Treppe
* Starkstromanschluss. Aber warum in der Wohnung und nicht im Garten (Zählerschrank)
* Wasseranschluss im Garten
* Kamin

Negativ:
*Heizung Luft - Luft Wärmepumpe
*zu wenig Austeckdosen (2) dafür aber 3 Leerrohre in den Garten, Carport, Einfahrt
* Wasserzähler nicht im Haus!!!? Sondern in der Einfahrt im Schacht?!?
* keine Außenbeleuchtung Terrasse




**** Es ist wie es ist, und kommt wie es kommt****

Alles eine starke Verbesserung zu jetzt Plattenbau 64m2 3 Zimmer. ( und
5-8?!? Teschen über einem in 75m2?!?)

Ich hab vom OG nochmal ein neues Bild gemacht da das andere ja nicht schick ist.

Grundrissplan eines Mehrzimmer-Wohnhauses mit Treppenhaus und Maßlinien


Detaillierter Hausgrundriss mit Wohnzimmer, Essbereich, Küche und Treppe


Schnitt durch ein zweistöckiges Haus mit Treppe, Dachstuhl und Fundament

detaillierter-hausgrundriss-plan-zeichnung.jpg
 
K a t j a

K a t j a

Solider Grundriss. Ich finde das Wohnzimmer nicht zu klein - der Gesamtgröße angemessen. Ich täte ja das Büro mehr brauchen, als einen Sportraum.
 
Zuletzt aktualisiert 07.10.2025
Im Forum Kaufberatung / Substanzbewertung gibt es 513 Themen mit insgesamt 11929 Beiträgen


Ähnliche Themen zu Hausübergabe Probleme und Lösungen gesucht?
Nr.ErgebnisBeiträge
1Bungalow Grundriss ~16x9.5m ( außen ) in 1000m² mit Altbestand - Seite 2102
2Grundriss für 150qm Einfamilienhaus mit Wohnzimmer nach Norden 21
3Grundriss Einfamilienhaus ohne Keller, 3 Kinderzimmer und Büro 18
4Grundriss: Offenes Wohnzimmer inkl. Kamin - Feedback 11
5Platzierung der Möbel im Wohnzimmer im Grundriss 10
6Grundriss Einfamilienhaus 155m², ohne Keller, 3 Kinderzimmer, 1 Büro 38
7Einfamilienhaus mit 156 m² Grundfläche (2 Kinderzimmer + Homeoffice) 21
8Grundriss Einfamilienhaus 240m², 2 Vollgeschosse ohne Keller, Massiv 47
9Grundriss Traumhaus - 173m² mit 3 Kinderzimmern - Seite 11131
10Unser anvisierter Grundriss - bitte um Einschätzungen 67
11Grundriss 2-geschossige Stadtvilla - Änderungsvorschläge/Ideen 12
12Grundriss ca. 170 m² Einfamilienhaus, ohne Keller mit Carport - Seite 889
13Grundriss-Planung, 2 Vollgeschosse, ca. 130-140 qm ohne Keller - Seite 12192
14Grundriss Fails Sammelthread - Grundrisse die keiner wollte - Seite 225
15Planungsphase Grundriss Einfamilienhaus - Seite 315
16Einfamilienhaus,Zwei Varianten Grundriss vom Architekt - Seite 239
17Grundriss Einfamilienhaus, 2 Vollgeschosse ca. 180qm, 600qm Grundstück - Seite 856
18Grundriss 150 m²-Hauses optimieren - Tipps - Seite 242
19Grundriss Einfamilienhaus - Beurteilung 27
20Bitte Meinungen zum Altbau-Grundriss 19

Oben