Aufteilung Bad - KURZFR. Änderung

4,80 Stern(e) 4 Votes
Zuletzt aktualisiert 23.12.2025
Sie befinden sich auf der Seite 4 der Diskussion zum Thema: Aufteilung Bad - KURZFR. Änderung
>> Zum 1. Beitrag <<

G

Grantlhaua

Und den Schenkel zur Raummitte aus Glas.
Bringt Platz, Licht und Luftigkeit.
wir wollten aber bewusst auf Glas verzichten, da so eine Glasscheibe einfach dreckig wird/wirkt wenn man sie nicht nach jedem Duschen zu 100% sauber macht.

Ich hätte mir hier eher eine Holzvertäfelung passend zum Waschtisch vorgestellt, das entweder per Spot/Deckenlampe oder per Wandlampe akzentuiert wird.
 
G

Grantlhaua

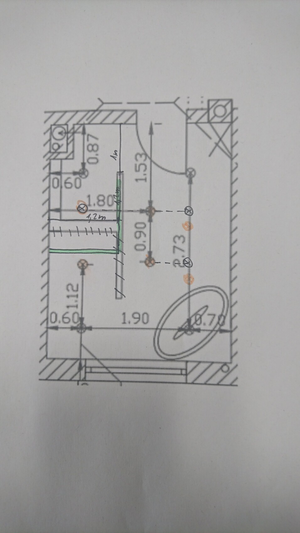
Ich habe versucht die zwei möglichkeiten darzustellen...

In grün ist der neue Verlauf der Wand eingezeichnet.

in schwarz die Möglichkeit 1, zwei neue Spots in Reihe mit den aktuellen Spots.

in orange die Möglichkeit 2, die 2,73m dritteln und dort zwei Spots in einer Flucht mit den zwei vorhandenen einfügen. die zwei alten Spots an der Mauer dann zuspachteln.

Grundriss eines Innenraums mit Tür, Badezimmerausstattung und Maßlinien.
 
G

Grantlhaua

Der Spiegel soll natürlich über den Waschtisch. :) wie weit würdest du dann die Spots maximal von der Wand entfernt setzen? Wir haben jetzt ne bastellösung... Der Spiegel wird rundum beleuchtet, sodass ich da wenig Befürchtung hab.
 
G

Grantlhaua

So, in Abstimmung mit dem Elektriker haben wir jetzt das Problem gelöst... Wir haben jetzt einfach KG Rohre auf die gewünschten Positionen gestellt und fixiert. Die werden jetzt mit einbetoniert und später wird dann einfach nur die Filigrandecke durchbohrt.
 
Zuletzt aktualisiert 23.12.2025
Im Forum Sanitär / Bad / WC gibt es 1386 Themen mit insgesamt 14464 Beiträgen


Ähnliche Themen zu Aufteilung Bad - KURZFR. Änderung
Nr.ErgebnisBeiträge
1Dichtungsproblem mit Waschtisch-Einhand-Einlochbatterie 01092283 - Seite 247
2Welche Armatur für Waschtisch? 13
3Positionierung von WC und Waschtisch im Kinderbad 22
4Trockenbauwand für schweren Waschtisch 10
5Waschtisch - Wasser läuft immer nach hinten 13
6Spiegel fliesenbündig? - Seite 214

Oben