ᐅ Badplanung Gästebad
Erstellt am: 22.04.16 20:23
Wir waren heute im Sanitärstudio und uns wurde eine Umgestaltung für unser kleines Gäste-WC vorgeschlagen, wo ich gerne einmal eure Meinungen zu hören möchte.
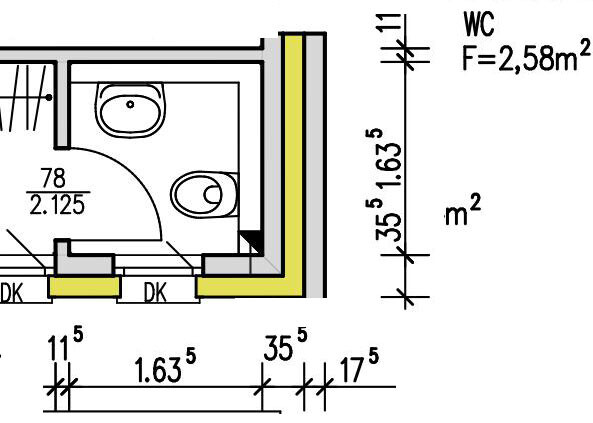
Die Version Bad_orig ist die Variante vom Architekt wo wir bisher mit zufrieden waren, nun hat uns der Sanitär Planer auf die Variante Bad_vorschlag hingewiesen und meinte das es die bessere Lösung wäre auch in Bezug auf die Fliesen später. Dadurch hat man nur eine Installationsebene und auch würde man sich Fliesen sparen da nur die ein Wand gefliest werden muss.
Generell finde ich die Variante nicht schlecht da so auch an der anderen Wand noch viel Platz für einen schrank oder sowas ist, aber ich weiß nicht ob es zu knapp ist. Das Bad hat die Masse von 1,63 x 1,63.
Generell meinte er benötigt man 80 cm für das WC und dann rechne ich mal 45 cm waschbecken dann sollte das auf 1,63 breite passen. Natürlich könnte man das Bad mit Waschbecken noch tauschen.
Bin da mal auf eure Einschätzungen gespannt.


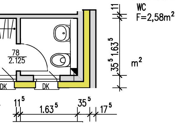
Die Version Bad_orig ist die Variante vom Architekt wo wir bisher mit zufrieden waren, nun hat uns der Sanitär Planer auf die Variante Bad_vorschlag hingewiesen und meinte das es die bessere Lösung wäre auch in Bezug auf die Fliesen später. Dadurch hat man nur eine Installationsebene und auch würde man sich Fliesen sparen da nur die ein Wand gefliest werden muss.
Generell finde ich die Variante nicht schlecht da so auch an der anderen Wand noch viel Platz für einen schrank oder sowas ist, aber ich weiß nicht ob es zu knapp ist. Das Bad hat die Masse von 1,63 x 1,63.
Generell meinte er benötigt man 80 cm für das WC und dann rechne ich mal 45 cm waschbecken dann sollte das auf 1,63 breite passen. Natürlich könnte man das Bad mit Waschbecken noch tauschen.
Bin da mal auf eure Einschätzungen gespannt.
E
EveundGerd22.04.16 21:07Variante Original verspricht doch etwas mehr Platz auf der Toilette. Aus dem Waschbecken könnte man einen Waschtisch machen und schon hat man Platz für die im Gäste-WC benötigten Dinge. ,)
Ich bin auch an dem Thema dran und habs mir ebenfalls im EG bisschen zu kuschlig gemacht. Zu Deiner Planung: WC ist 40 breit und braucht links und rechts ca. 20cm (was gut ausreicht; auch für üppige Menschen) -> sind wir bei 80cm. Dann bleiben nochmals 80cm für nen Waschtisch, was gut machbar ist.
Vorteil bei der Sanitär Planung ist, dass du nur eine Vormauerung brauchst. Da bleibt mehr vom Boden. Außerdem kannst bei der Sanitär Planung Türe schwenken und Händewaschen....das geht bei der ArchiPlanuung nicht.
Ad hoc würde ich den Sanitär nehmen.
Vorteil bei der Sanitär Planung ist, dass du nur eine Vormauerung brauchst. Da bleibt mehr vom Boden. Außerdem kannst bei der Sanitär Planung Türe schwenken und Händewaschen....das geht bei der ArchiPlanuung nicht.
Ad hoc würde ich den Sanitär nehmen.
J
Jochen10422.04.16 23:43Mir gefällt die zweite Variante auch besser, da du Platz hast un dich hinzustellen wenn du die Tür auf und zu machst.
🙂
🙂
W
Watcher7822.04.16 23:50mh schwierig. Sofern ihr auch meint es ist genug Platz würde ich dem Sanitär Planer zustimmen.
Evtl. kann man WC und Waschbecken noch tauschen beim Sanitär Plan
Evtl. kann man WC und Waschbecken noch tauschen beim Sanitär Plan
Ähnliche Themen