L
Losgehtss11.10.23 22:16Hallo
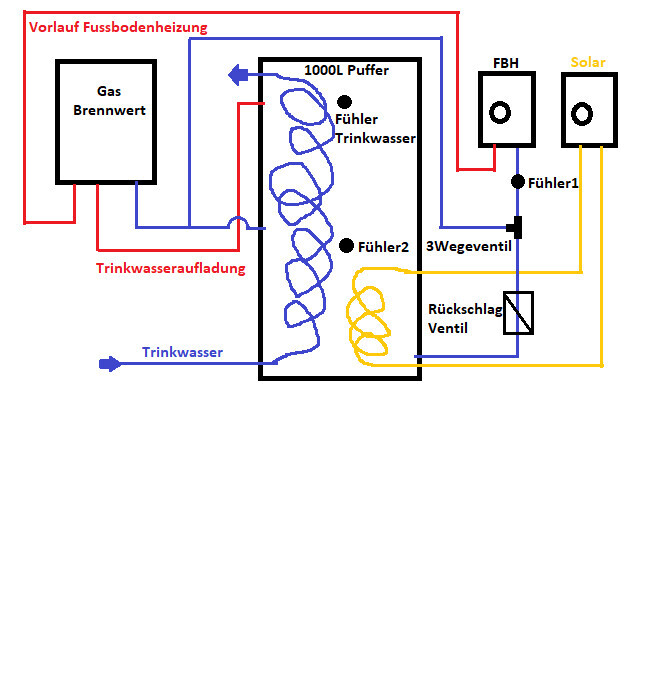
Ich baue meine Heizung um. Es kommt ein 1000L Hygienepuffer mit 6 Solarthermie Kollektoren auf ein bestehendes Gasbrennwertgerät. Dazu habe ich mir ein Anlagenschema aufgezeichnet und möchte wissen, ob ihr es genau so machen würdet.
Es ist eine Fußbodenheizung installiert.
Zum Schema muss ich noch erklären, was ich mir vorstelle:
Steuerung soll Rücklauffühler1 und Pufferfühler2 messen und 3 Wegeventil steuern. Ist Fühler1 kälter als Fühler2, nimmt es die Pufferwärme mit in das Gasgerät. Sollte er wärmer sein, wird der Puffer ausgelassen.

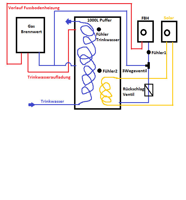
Ich baue meine Heizung um. Es kommt ein 1000L Hygienepuffer mit 6 Solarthermie Kollektoren auf ein bestehendes Gasbrennwertgerät. Dazu habe ich mir ein Anlagenschema aufgezeichnet und möchte wissen, ob ihr es genau so machen würdet.
Es ist eine Fußbodenheizung installiert.
Zum Schema muss ich noch erklären, was ich mir vorstelle:
Steuerung soll Rücklauffühler1 und Pufferfühler2 messen und 3 Wegeventil steuern. Ist Fühler1 kälter als Fühler2, nimmt es die Pufferwärme mit in das Gasgerät. Sollte er wärmer sein, wird der Puffer ausgelassen.
Anzeige
R
RotorMotor12.10.23 09:11Besser Photovoltaik mit Heizstab als Solarthermie. ;-)
Ähnliche Themen