ᐅ Pufferspeicher verliert im WW schnell an Temperatur
Erstellt am: 22.12.25 16:40
Hallo zusammen,
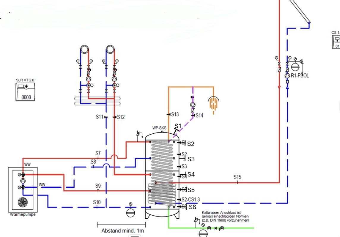
wir haben seit jetzt bald eineinhalb Jahren eine Wärmepumpe und damit einen Pufferspeicher "Citrin Solar Wärmepumpe-SKS 650-1 premium"
Nun beobachten wir folgendes und sind da nun schon eine ganze Weile mit dem Installateur, der auch den Hersteller Citrin mit dazu geholt hat.
Gefühlt versucht hier einer dem anderen die Schuld zuzuschieben, eine Lösung sehen wir aber nicht bisher.
Effekt im WINTER, also wenn die Heizung läuft
Unterer Bereich des Puffers liegt bei ~30-35 °C Heizungen funktionieren alle OK.
WW Bereich oben wird auf 50 °C erwärmt ab 15:30 Uhr, damit wenn vorhanden Photovoltaik Strom benutzt wird.
Nun sehen wir und FÜHLEN auch, dass das Wasser relativ schnell wieder runter kühlt.
Wir verlieren also innerhalb weniger Stunden ~15 °C im WW Bereich, auch ohne jegliche WW-Entnahme.
Im Resultat haben wir schön mit Photovoltaik aufgewärmtes Wasser um 15:30/16:00, aber wenn man abends, sagen wir mal um 22 Uhr Duschen möchte, reicht das WW nicht mehr.
Von einer Badewanne ganz zu schweigen.
Zusammen mit dem Installateur wurde u.a. ein Versuch gemacht, der alle(!) Vor- und Nachläufe sowie sonstige Verbindungen zum Speicher , Zirkulation, Solar usw geschlossen hat.
Vorher einmal WW auf Temperatur gebracht.
Im gesamten Bereich der Aufzeichnung wurde KEIN WW entnommen!

(die drei ganz dünnen, orangen Balken sind nur Markierungen, keine WW-Aufbereitung!)
Zum Vergleich im SOMMER:
hier wird der komplette Speicher von der Solarthermie auf dem Dach auf 55 °C gebracht, also oben und unten.
Der Wärmeverlust beträgt jetzt von Abends (Sonnenuntergang) bis zum nächsten Mittag, wenn die Sonne wieder auf die Solarthermie-Module kommt, nur ca 3 °C.
Selbst, wenn hier dann mal einen Tag danach keine Sonne scheint, bleibt der Temperaturverlust mit ~8 °C über dann ZWEI Tage im Rahmen.
Meine Frage nun:
Ist so ein drastischer Wärmeverlust des Speichers normal und zu akzeptieren, oder liegt hier ein Fehler vor?
Wäre es sinnvoll, den Speicher NUR für WW zu benutzen und die Heizung somit direkt an die Wärmepumpe anzuschiessen? Das war eine schon diskutierte Idee des Installateurs. (Meine Bedenken sind evtl. steigende Zahl Konverterstarts, was der Installateur meint, wäre nicht der Fall, da die Anlage "Moduliert" und statt an/auf dann durchgängig mit der niedrigeren, nötigen Leistung laufen würde.)
Bei der Idee wäre im Heizkreis KEIN Puffer mehr.
Viessmann Vitocal 250 A
Im Haus sind aktuell 2 Heizkreise, was mit den aktuellen Einstellungen gut funktioniert.
Aktuell ist die Anlage so angeschlossen/aufgebaut

Anfang Januar gibt’s ein Gespräch mit dem Installateur und bis dahin möchte ich versuchen raus zu bekommen, ob das was die schin vorgeschlagen haben sinnvoll ist, Ggfls Probleme macht und so weiter.
Die haben schon selbst gesagt, das so ein Temperaturverlust nicht normal ist und es ist auch als Mangel gemeldet.
wir haben seit jetzt bald eineinhalb Jahren eine Wärmepumpe und damit einen Pufferspeicher "Citrin Solar Wärmepumpe-SKS 650-1 premium"
Nun beobachten wir folgendes und sind da nun schon eine ganze Weile mit dem Installateur, der auch den Hersteller Citrin mit dazu geholt hat.
Gefühlt versucht hier einer dem anderen die Schuld zuzuschieben, eine Lösung sehen wir aber nicht bisher.
Effekt im WINTER, also wenn die Heizung läuft
Unterer Bereich des Puffers liegt bei ~30-35 °C Heizungen funktionieren alle OK.
WW Bereich oben wird auf 50 °C erwärmt ab 15:30 Uhr, damit wenn vorhanden Photovoltaik Strom benutzt wird.
Nun sehen wir und FÜHLEN auch, dass das Wasser relativ schnell wieder runter kühlt.
Wir verlieren also innerhalb weniger Stunden ~15 °C im WW Bereich, auch ohne jegliche WW-Entnahme.
Im Resultat haben wir schön mit Photovoltaik aufgewärmtes Wasser um 15:30/16:00, aber wenn man abends, sagen wir mal um 22 Uhr Duschen möchte, reicht das WW nicht mehr.
Von einer Badewanne ganz zu schweigen.
Zusammen mit dem Installateur wurde u.a. ein Versuch gemacht, der alle(!) Vor- und Nachläufe sowie sonstige Verbindungen zum Speicher , Zirkulation, Solar usw geschlossen hat.
Vorher einmal WW auf Temperatur gebracht.
Im gesamten Bereich der Aufzeichnung wurde KEIN WW entnommen!
(die drei ganz dünnen, orangen Balken sind nur Markierungen, keine WW-Aufbereitung!)
Zum Vergleich im SOMMER:
hier wird der komplette Speicher von der Solarthermie auf dem Dach auf 55 °C gebracht, also oben und unten.
Der Wärmeverlust beträgt jetzt von Abends (Sonnenuntergang) bis zum nächsten Mittag, wenn die Sonne wieder auf die Solarthermie-Module kommt, nur ca 3 °C.
Selbst, wenn hier dann mal einen Tag danach keine Sonne scheint, bleibt der Temperaturverlust mit ~8 °C über dann ZWEI Tage im Rahmen.
Meine Frage nun:
Ist so ein drastischer Wärmeverlust des Speichers normal und zu akzeptieren, oder liegt hier ein Fehler vor?
Wäre es sinnvoll, den Speicher NUR für WW zu benutzen und die Heizung somit direkt an die Wärmepumpe anzuschiessen? Das war eine schon diskutierte Idee des Installateurs. (Meine Bedenken sind evtl. steigende Zahl Konverterstarts, was der Installateur meint, wäre nicht der Fall, da die Anlage "Moduliert" und statt an/auf dann durchgängig mit der niedrigeren, nötigen Leistung laufen würde.)
Bei der Idee wäre im Heizkreis KEIN Puffer mehr.
Viessmann Vitocal 250 A
Im Haus sind aktuell 2 Heizkreise, was mit den aktuellen Einstellungen gut funktioniert.
- Fußbodenheizung Wohn/Esszimmer ~40 qm (Heizkurve Niveau 4 Steigung 0,2)
- Heizkörper ~120 qm (Heizkurve Niveau 5 Steigung 0,4)
Aktuell ist die Anlage so angeschlossen/aufgebaut
Anfang Januar gibt’s ein Gespräch mit dem Installateur und bis dahin möchte ich versuchen raus zu bekommen, ob das was die schin vorgeschlagen haben sinnvoll ist, Ggfls Probleme macht und so weiter.
Die haben schon selbst gesagt, das so ein Temperaturverlust nicht normal ist und es ist auch als Mangel gemeldet.
J
Jesse Custer22.12.25 17:01Man erlaube mir den Einwurf: das Ding ist doch für Wärmepumpen gar nicht geeignet?
Dass das Wasser im Winter schnell kalt wird ist doch ganz klar - Du hast keinerlei reale Trennung zwischen Heizung und WW. Das ist kein Fehler, das ist schlicht Physik.
Im Sommer mit Solar ist das ok - die Heizung läuft ja gar nicht und nimmt auch keine Wärme ab.
Aber was Ihr braucht ist kein SKS, sonder ein Wärmepumpe-Modell... steht ja sogar in deren Beschreibung...
Dass das Wasser im Winter schnell kalt wird ist doch ganz klar - Du hast keinerlei reale Trennung zwischen Heizung und WW. Das ist kein Fehler, das ist schlicht Physik.
Im Sommer mit Solar ist das ok - die Heizung läuft ja gar nicht und nimmt auch keine Wärme ab.
Aber was Ihr braucht ist kein SKS, sonder ein Wärmepumpe-Modell... steht ja sogar in deren Beschreibung...
N
nordanney22.12.25 17:46Deshalb sollte man den Speicher auch nur für Warmwasser benutzen und mit der Wärmepumpe direkt in die Fußbodenheizung gehen. Alles andere ist hydraulischer Mist.
Ich muss dem Vorredner beipflichten, scheinbar handelt es sich um einen Wellrohrspeicher, in dem sich das Wellrohr mit dem Trinkwasser über einen wesentlichen Teil des Puffers erstreckt und damit auch genau die Temperatur des Puffers annimmt. Kontrollier doch mal wie sich die Temperatur im Puffer verändert. Wahrscheinlich genau wie das Trinkwasser. Falls du tatsächlich weiter einen Puffer betreiben willst wäre ein Schichtspeicher mit Frischwasserstation geeignet. Das ist aber wie schon geschrieben eigentlich Unsinn. Da wäre ein reiner Trinkwasserspeicher und die Fußbodenheizung direkt an der WO wahrscheinlich besser.
J
Jesse Custer22.12.25 19:29Peter_H_ schrieb:
Kann leider nicht mehr editieren. Ich sehe gerade, dass der Speicher wohl ein Schichttrennblech hat. Vielleicht mal prüfen wo die Heizung das Warmwasser entnimmt. Vielleicht kühlt die Heizung ja das obere Volumen, und damit auch das Trinkwasser ab.Das hat er eben gerade nicht - der SKS ist ohne, der Wärmepumpe mit...
Ähnliche Themen