Hausbau - Ratgeber
Bauherrenhilfe
- Bauherrenhilfe vor Vertragsabschluss
-- Warum einen unabhängigen Baubetreuer?
-- Vertragsgrundlagen
-- Bausumme
-- Zahlungsplan zur Kostenkontrolle
-- Pflichten des Bauherren vor Vertragsabschluss
-- Unterlagen beim Hausbau vor Vertragsabschluss
- Bauherrenhilfe nach Vertragsabschluss
-- Bauantrag bei Behörden
-- Bau-Genehmigungsverfahren bei Baubehörden
-- Bauspezifische Versicherungen
-- Bauzeitenplan
-- Baubeginn - die Letzten Pflichten der Bauherrschaft
- Bauherrenhilfe während der Bauzeit
- Gewährleistungsansprüche
- Bauabnahme
Baufinanzierung
- Baufinanzierung - Allgemeine Fragen
- Kreditarten
- Kredit-Konditionen
- Bausparen
- Staatliche Förderungen
- Verkehrswert
- Haushaltsrechnung und Bonität
Hausbau Planung
- Haustypen
- Hausbau Vorbereitungsarbeiten
- Das Baugrundstück
- Baugrund beim Hausbau
- Baurecht
- Gebäudeschutz
- Erdarbeiten und Wasserhaltung
- Stützmauern
- Einfriedung
- Untergeschoss
- Kanalisation
- Tragende Elemente
- Nichttragende Innenwände
- Fundation / Fundament
- Deckenkonstruktionen
- Dächer
- Kaminanlagen
- Treppen Rampen Leitern
- Dachbeläge und Spengler
- Fenster
- Sonnen und Wetterschutz
- Aussenputze
- Einbauten, Küchen, Türen
- Bodenbeläge und Unterlagsböden
- Parkett
- Gips, Wand, Decke
Haustechnik und Energie
- Heiztechnik
- Lüftung und Klimatechnik
- Sanitärtechnik
- Elektrotechnik
- Erneuerbare Energie
Whirlpools / Jacuzzi
Hausbau Magazin
- Baufinanzierung trotz Krise?
- Das Blockhaus
- Moderne Dämmstoffe im Vergleich
- Erker Vor- und Nachteile
- Glasflächen beim Hausbau
- Günstig ein Haus Bauen
- Mediterraner Hausbaustil
- Mehrgenerationenhaus
- Moderne Architektur
- Gartengestaltung leicht gemacht
- Traditioneller Ziegelbau
- Villa als höchster Traum
- Im Eigenheim Ruhestand geniessen
- Altbau sanieren
- Kauf einer Holzgarage
- Immobilienmakler
- Arbeitshandschuhe für den Winter
- Zuhause verschönern
- Outdoor-Plissees
- Schlafzimmer planen
- Terrassenüberdachung
- Wohngebäudeversicherung
- Zaunarten und Eigenschaften
- Hauseingang gestalten
- Der perfekte Grundriss
- Sparsamer heizen im Altbau
- Einfamilienhaus smart finanzieren
- Planung einer PV-Anlage
- Neues Haus
- Immobilienfinanzierung
- Installation einer Photovoltaikanlage
- Asbest erkennen und entfernen
- Gartenpflege im Frühling – worauf achten
- Sauna im Fokus - Wellness zuhause
- Erfolgreich vermieten
- Die perfekte Winterbekleidung
- Das Niedrigenergiehaus
- Der April und seine Stürme
- Architektonische Vielfalt
- Ökologisch und nachhaltig bauen
- Das perfekte Schlafzimmer
- Nachhaltige Energieversorgung
- Zukunftsorientiert bauen
- Nachhaltigkeit beim Hausbau
- Tiny Houses
- Wärmepumpen als nachhaltige Heizvariante
- Maßgeschneiderten Kleiderschrank
- Der richtige Baukredit
- Ratgeber für erfolgreichen Hausbau
- Haus als Altersvorsorge
Do-it-yourself Anleitungen
- Verlegeanleitung für Bodenbeläge und Parkett
- Bodenbeläge und Parkett reinigen und pflegen
- Malerarbeiten am Haus
- Garten Tipps
- Umzug und Reinigung

ᐅ Wärmepumpe und Booster sinnvoll einbauen?

Erstellt am: 19.06.18 23:17
S
StefanWinkler
S
StefanWinkler
19.06.18 23:17
Hallo,

ich bräuchte einen Rat. Die Diskussion mit dem Vermieter ist mühsam und es besteht auch kein Interesse des Heizungsherstellers, Heizungsbauers oder der Ablesefirma daran was zu ändern.
Ich bin leider kein Heizungsexperte, aber zumindest glaube ich, dass wir im Heizungskeller kein gutes Heizungssetup haben und der Heizungsbauer unfähig ist, weil er sich nicht mit Wärmepumpen auskennt.

Infos:
Mehrfamilienhaus, 6 Wohnungen (480qm Nutzfläche gesamt), Baujahr Mitte 2011. Das Haus ist an sich hochwertig ausgeführt. Massivbauweise, 3-Fach-Verglasung, durchgängig Fußbodenheizung (Keine Heizkörper). Im Winter braucht man wenig Heizung, weil viele Glasfronten nach Süden. Kein Solar auf dem Dach.

Verbaut wurde:
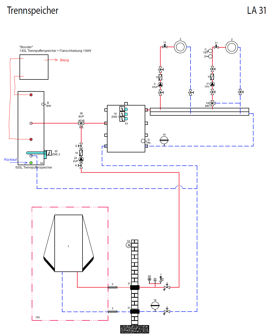
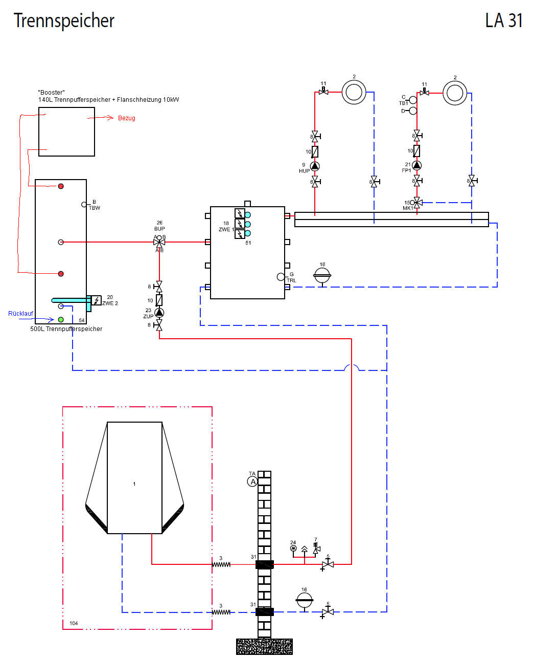
  • Luft-Wasser-Wärmepumpe Novelan LA31
  • 500L Trennpufferspeicher (TPS500 Novelan/Alpha Innotec)
  • Pufferspeicher Jura 140L mit Juratherm 10kW Flanschheizung (Nr.90410 400V/10kW) (ab Ende 2015 verbaut)

Im Jahr 2011, 2012 und 2013 gab es Probleme mit der Heizung, da diese auf einen Fehler lief, den keiner auslas und behob. Dadurch ging sie in den Notbetrieb und heizte vornehmlich elektrisch.
Dies fiel erst 2013 auf, als wir der Nebenkosten-Abrechnung wegen irrwitziger kWh-Verbräuche widersprochen haben. Das wurde behoben, und 2014 und 2015 liefen sehr gut (siehe unten Verbrauchsübersicht).
Zum Jahreswechsel 2015/16 wurde ein 140L-Speicher mit Flanschheizung zusätzlich eingebaut, da der Vermieter die Vorschrift bzgl. Legionellenschutz einhalten will. Das heißt für ihn, dass Brauchwasser immer 60° haben muss. Das schafft aber die Wärmepumpe nicht, da diese nur bis maximal 50-55° schafft. Daher die Idee eines "Boosters" der das Brauchwasser von 50° auf 60° hochheizen soll.

Jahresverbräuche bisher:
2013: 20616 kWh (durch Notbetrieb)
2014: 15900 kWh
2015: 15690 kWh
2016: 24044 kWh (ab hier Einbau eines "Boosters")
2017: 26302 kWh

Problem: Die Nebenkostenabrechnungen 2016 und 2017 weisen einen Energiekostenanteil für das Warmwasser von 1,8% auf. Der Rest von 98,2% entfällt auf Heizung.
Außerdem stieg der Stromverbrauch von 15690kWh (2015) auf 26302kWh (2017). Das erschien mir fehlerhaft. Bisher konnte nicht ermittelt werden, wie die Aufteilung zwischen Warmwasser und Heizung war. Es wurde daher in den Abrechnungen rechnerisch aus den Wärmemengenzähler der Wohnungen errechnet. Daher Widerspruch.

Es war bisher nur ein Zähler verbaut, auf den alles im Heizungsraum läuft, also Wärmepumpe, Flanschheizung und restliche Umwälzpumpen. Ein Trennung zwischen Wärmepumpe und Booster war bisher nicht möglich. Nach meinem Widerspruch wurde nun ein extra Zähler für die Flanschheizung (Booster) montiert.

Diesen habe ich nun einen Monat beobachtet und meine Theorie wurde bestätigt. Die Wärmepumpe langweilt sich und braucht etwa (im Sommer, obwohl sie da sehr gut laufen würden) in etwa 90kWh/Monat (inkl. Umwälzpumpen) wohingegen der Booster alleine 780kWh/Monat gezogen hat (Juni). Die nächste Nebenkostenabrechnungen wird also einen Energiekostenanteil für Warmwasser von ca. 65% ausweisen. 35% Heizung. Aktuell ist es sogar eine Aufteilung von 11% zu 89%, da wir keine Heizung im Sommer brauchen.

Die hydraulische Einbindung sieht man im Anhang.
Technische Haustechnik-Schemadarstellung mit Trennspeicher, Booster und Rohrleitungen


So wie ich das sehe, heizt der Booster ständig, weil die Wärmepumpe ja gar keine 60° bringen kann. Das Heißwasser fließt von dem 150L Speicher zurück in den 500L-Trennpufferspeicher und erwärmt diesen auch mit. Es wird also fast das gesamte Warmwasser elektrisch beheizt.
In meiner kindlichen Theorie, dachte ich, dass die Wärmepumpe das Brauchwasser auf 50° aufheizt und der Booster dann die letzten 10° bringt. Aber so wie das Setup ist, heizt der 140L-Booster den 500L-Trennpufferspeicher mit und die Wärmepumpe heizt nur noch marginal, da das Wasser ja bereits warm ist. Konkret reden wir daher über 10.000kWh Mehrverbrauch pro Jahr (~3000€ bei den Strompreisen).

Daher konkrete Frage: Wie müsste der Plan aussehen, dass es effizient läuft (unter der Bedingung des Legionellenschutzes)?
D
Deliverer
20.06.18 10:21
Puh. Spannend.

Wirklich helfen kann ich da nicht, aber ist es nicht so, dass es als Legionellenschutz ausreicht, alle paar Tage das Brauchwasser einmal zu erhitzen und dann zwischendrin den Booster einfach auszulassen? Das Wasser muss doch nicht permanent auf 60 Grad gehalten werden...
S
Sondelgeher12
20.06.18 16:03
Deliverer schrieb:
Puh. Spannend.

Wirklich helfen kann ich da nicht, aber ist es nicht so, dass es als Legionellenschutz ausreicht, alle paar Tage das Brauchwasser einmal zu erhitzen und dann zwischendrin den Booster einfach auszulassen? Das Wasser muss doch nicht permanent auf 60 Grad gehalten werden...

So sehe ich das auch und so ist es bei uns auch...
novelanalpha innotecflanschheizungwärmepumpebrauchwasserwarmwasservermieterwohnungennotbetriebspeicher