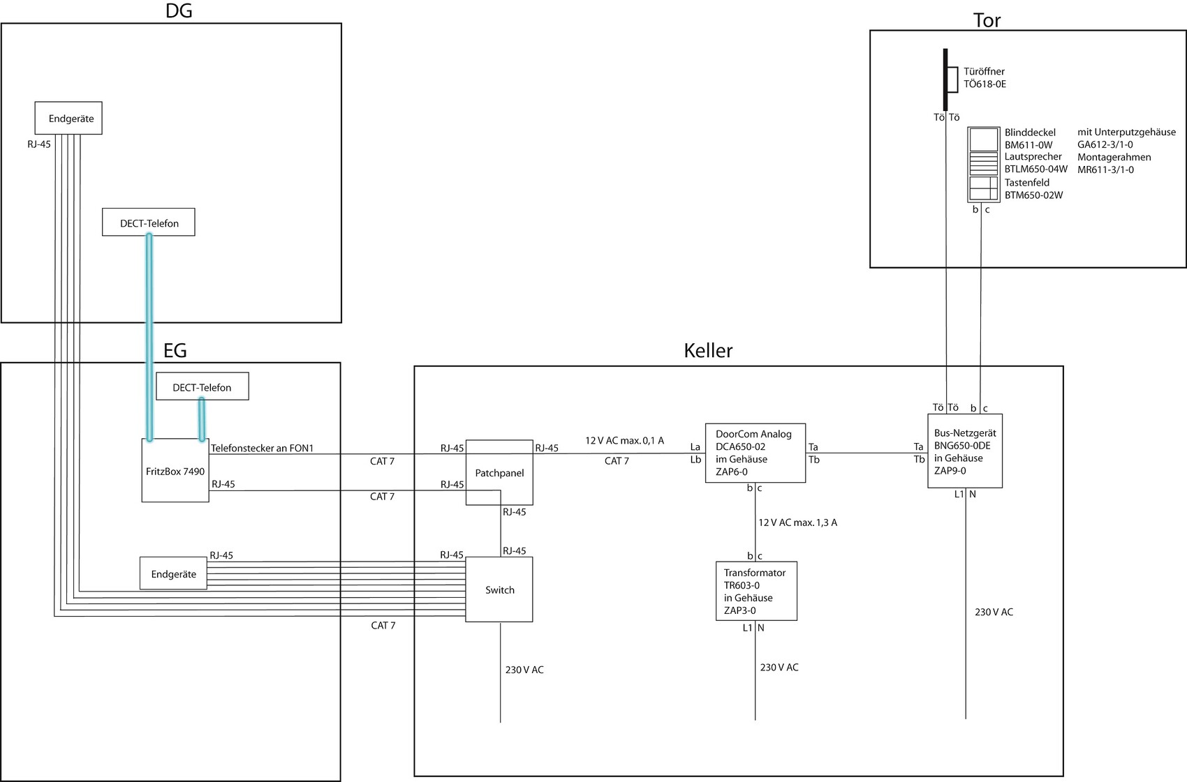
Hallo,
ich habe jetzt alles nach dem Schaltplan von unten aufgebaut und verkabelt.
Heute wollte ich alles einmal testen und habe versucht, die Einrichtung nach Anleitung durchzuführen.
Bei der Anmeldung des Türlautsprechers am BNG passierte trotz mehrmaligen Versuchen nichts. Wenn ich die Lichttaste für 4 Sekunden gedrückt halte, kommt kein Ton und im Menü vom DoorCom tut sich auch nichts.
Ich hab den Lautsprecher dann mit einem neuen Kabel wenige Zentimeter neben das Busnetzgerät angeschlossen, auch da ging es bei der Einrichtung nicht weiter. Die LED am Tastenfeld der Klingel waren die ganze an und funktionierten.
Nach ein paar Versuchen war die LED 1 dann komplett aus und die 250 mA Sicherung am BNG durch.
Weiß jemand, woran es liegen kann, dass
1) der Lautsprecher nicht vom BNG erkannt wird und
2) die Sicherung durchbrennt?
Danke für Ratschläge und Hilfe

ich habe jetzt alles nach dem Schaltplan von unten aufgebaut und verkabelt.
Heute wollte ich alles einmal testen und habe versucht, die Einrichtung nach Anleitung durchzuführen.
Bei der Anmeldung des Türlautsprechers am BNG passierte trotz mehrmaligen Versuchen nichts. Wenn ich die Lichttaste für 4 Sekunden gedrückt halte, kommt kein Ton und im Menü vom DoorCom tut sich auch nichts.
Ich hab den Lautsprecher dann mit einem neuen Kabel wenige Zentimeter neben das Busnetzgerät angeschlossen, auch da ging es bei der Einrichtung nicht weiter. Die LED am Tastenfeld der Klingel waren die ganze an und funktionierten.
Nach ein paar Versuchen war die LED 1 dann komplett aus und die 250 mA Sicherung am BNG durch.
Weiß jemand, woran es liegen kann, dass
1) der Lautsprecher nicht vom BNG erkannt wird und
2) die Sicherung durchbrennt?
Danke für Ratschläge und Hilfe
Anzeige
Hallo tomtom16,
schau mal hier: Siedle Vario Türsprechanlage - Probleme bei Installation. Da wird jeder fündig!
schau mal hier: Siedle Vario Türsprechanlage - Probleme bei Installation. Da wird jeder fündig!
Ähnliche Themen