tomtom79 schrieb:
Du hast ne Tahoma Box und das sind FunkschalterIch steh echt auf der Leitung.
Laut Lieferschein habe ich Art. Nr. 1811272, das ist der "Zentralschalter Smoove Origin IB (für verdrahtete Rollladenmotoren)"
Habe nun aber auch festgestellt, dass ich noch 3 von 4 unbenutzte "Funk-Steckmodul Animeo RTS 1860105" hier liegen habe (die es unter der Artikelnummer bei Somfy gar nicht mehr gibt).
Was läuft hier schief?
S
Strahleman16.04.21 11:15@Nemesis wenn ich das Schaltbild von deinem Zentralschalter richtig sehe, dann kommuniziert dieser über einen sog. IB BUS. Hast du neben der Tahoma Box noch eine andere Zentrale oder evtl. Somfy-Schalter (Smoove UNO IB+) direkt an den Rollos? Für mich sieht es so aus, als ob dein Zentralschalter nur ein Signal an die einzelnen Rollladenschalter ausgibt, d.h. du müsstest die Rollladen bei bei den Rollladenschaltern einlernen. Kenne die Somfy-Welt leider nicht so genau, daher nur dies als Vermutung.
Strahleman schrieb:
@Nemesis wenn ich das Schaltbild von deinem Zentralschalter richtig sehe, dann kommuniziert dieser über einen sog. IB BUS. Hast du neben der tahoma Box noch eine andere Zentrale oder evtl. Somfy-Schalter (Smoove UNO IB+) direkt an den Rollos? Für mich sieht es so aus, als ob dein Zentralschalter nur ein Signal an die einzelnen Rollladenschalter ausgibt, d.h. du müsstest die Rollladen bei bei den Rollladenschaltern einlernen. Kenne die Somfy-Welt leider nicht so genau, daher nur dies als Vermutung.Diesen "Zentralschalter" habe ich in allen Zimmern als Taster, frag mich nicht warum der dann Zentralschalter heißt.
Ich kann die Rollläden am Taster einlernen was diese "my-Position" angeht, sprich mit druck auf "my" fährt der Rollladen in eine zuvor eingespeicherte Position.
Mein Problem ist aber, dass ich beim Webzugriff auf die Tahoma-Box via Browser dort im Menü keine Rollläden finde. Dort gibt es auch nur die Reiter io oder RTS, nicht ib, siehe unten 🙁
A
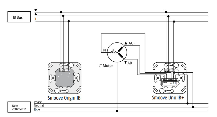
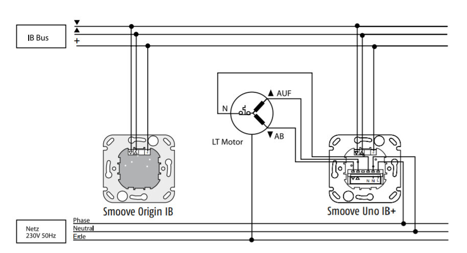
AllThumbs16.04.21 13:51Grundproblem scheint doch zu sein, dass die Tahoma Box ausschließlich Funkprotokolle bedient, du allerdings ein Bus-basiertes und damit kabelgebundes System hast.
Funktionsweise ist auf den beiden Bildern unten eigentlich ganz gut dargestellt. Jeder Taster am individuellen Rollladen steuert erstmal auch nur genau diesen. Über die Busleitung sind die individuellen Taster mit dem Zentralschalter verbunden. Damit kann der Zentralschalter den Taster anweisen auch ohne manuelle Betätigung den Rollladen zu fahren.
Auf die Schnelle habe ich auch kein externes System gefunden, dass man an den IB Bus anklemmen könnte. Scheint mir eine absolute Nischenlösung von Somfy zu sein?


Funktionsweise ist auf den beiden Bildern unten eigentlich ganz gut dargestellt. Jeder Taster am individuellen Rollladen steuert erstmal auch nur genau diesen. Über die Busleitung sind die individuellen Taster mit dem Zentralschalter verbunden. Damit kann der Zentralschalter den Taster anweisen auch ohne manuelle Betätigung den Rollladen zu fahren.
Auf die Schnelle habe ich auch kein externes System gefunden, dass man an den IB Bus anklemmen könnte. Scheint mir eine absolute Nischenlösung von Somfy zu sein?
Ähnliche Themen