G
Grantlhaua11.04.19 12:45Wir wollten im Bad unbedingt eine T-Lösung und haben das ganze auch so geplant. Jetzt ist uns im Rohbau allerdings aufgefallen, wie eng das Ganze durch das T wird. Ich hab daraufhin das Bad komplett umgeschmissen, hab aber jetzt das Problem, dass die Spots nicht mehr zum Bad passen... Ich krieg die Krise... Ich muss mir unbedingt bis zum Wochenende ne Lösung einfallen lassen, da am Montag die Decke betoniert wird... Wie krieg ich die vorhandenen Spots am besten integriert?
Hat jemand ne Idee?


Hat jemand ne Idee?
Also ohne Bilder wird das nichts,und vor allem ist deine Anfrage recht ungenau.
T Lösung..Spots.....betondecke....bilder Logo
T Lösung..Spots.....betondecke....bilder Logo
G
Grantlhaua11.04.19 13:43Servus und entschuldige,
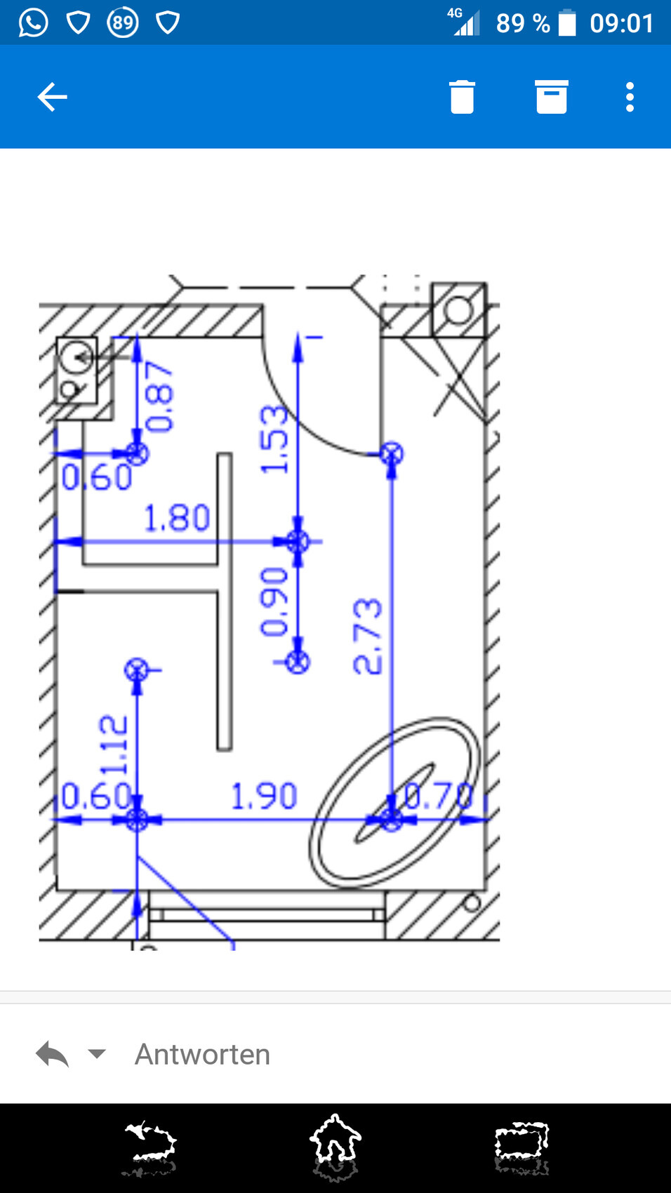
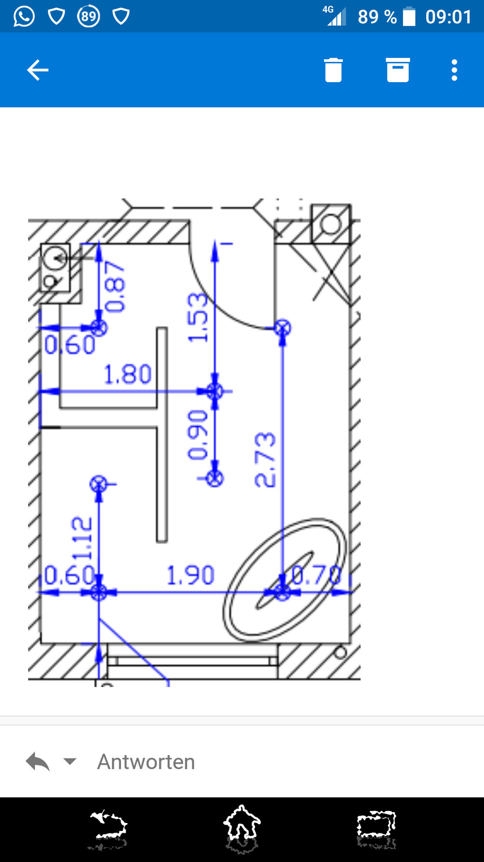
das obere Bild entspricht dem, was ich mir jetzt überlegt habe und was platztechnisch auch ohne Probleme rein geht (Habs mal im Raum aufgezeichnet(. Der Raum hat 4,13x3,20. Das L ist jetzt 1m von der oberen Wand entfernt und hat ein Innenmaß von 1,2x1,2m. Der geplante Waschtisch hat ein Maß von 180x60 und die Badewanne soll natürlich soweit als Möglich ins Eck. Der gemauerte Schrank Links oben soll den Wäscheabwurf darstellen. Hier habe ich mir überlegt, den Abwurf Deckenhoch abzukoffern und in diese Abkofferung Fächer für Handtücher zu integrieren.
Das untere Bild entspricht der aktuellen Anordnung der Spots.
das obere Bild entspricht dem, was ich mir jetzt überlegt habe und was platztechnisch auch ohne Probleme rein geht (Habs mal im Raum aufgezeichnet(. Der Raum hat 4,13x3,20. Das L ist jetzt 1m von der oberen Wand entfernt und hat ein Innenmaß von 1,2x1,2m. Der geplante Waschtisch hat ein Maß von 180x60 und die Badewanne soll natürlich soweit als Möglich ins Eck. Der gemauerte Schrank Links oben soll den Wäscheabwurf darstellen. Hier habe ich mir überlegt, den Abwurf Deckenhoch abzukoffern und in diese Abkofferung Fächer für Handtücher zu integrieren.
Das untere Bild entspricht der aktuellen Anordnung der Spots.
Ok,ich sehe mal in den Unterlagen ob wir sowas ähnliches haben.
Wie ist die Decke momentan geschaffen....Beton mit Kabelauslässen bzw.kann man diese noch abhängen?
Wenn du sagst,Betonieren.....also die Decke vom Bad und da hängen nun Kabel raus.....rein zu Verständnis.
Wie ist die Decke momentan geschaffen....Beton mit Kabelauslässen bzw.kann man diese noch abhängen?
Wenn du sagst,Betonieren.....also die Decke vom Bad und da hängen nun Kabel raus.....rein zu Verständnis.
G
Grantlhaua11.04.19 13:52Die Viligranbetondecke mit den entsprechenden Kaiser Dosen liegt aktuell schon drauf. Wir haben die Decke leider nach unserem Plan bestellt und daher die Spots entsprechend geplant. Der Badplaner hat uns darauf leider auch nicht hingewiesen. Sodass wir das ganze erst im Rohbau festgestellt haben
Deckenhöhe ist???
Ähnliche Themen