Hausbau - Ratgeber
Bauherrenhilfe
- Bauherrenhilfe vor Vertragsabschluss
-- Warum einen unabhängigen Baubetreuer?
-- Vertragsgrundlagen
-- Bausumme
-- Zahlungsplan zur Kostenkontrolle
-- Pflichten des Bauherren vor Vertragsabschluss
-- Unterlagen beim Hausbau vor Vertragsabschluss
- Bauherrenhilfe nach Vertragsabschluss
-- Bauantrag bei Behörden
-- Bau-Genehmigungsverfahren bei Baubehörden
-- Bauspezifische Versicherungen
-- Bauzeitenplan
-- Baubeginn - die Letzten Pflichten der Bauherrschaft
- Bauherrenhilfe während der Bauzeit
- Gewährleistungsansprüche
- Bauabnahme
Baufinanzierung
- Baufinanzierung - Allgemeine Fragen
- Kreditarten
- Kredit-Konditionen
- Bausparen
- Staatliche Förderungen
- Verkehrswert
- Haushaltsrechnung und Bonität
Hausbau Planung
- Haustypen
- Hausbau Vorbereitungsarbeiten
- Das Baugrundstück
- Baugrund beim Hausbau
- Baurecht
- Gebäudeschutz
- Erdarbeiten und Wasserhaltung
- Stützmauern
- Einfriedung
- Untergeschoss
- Kanalisation
- Tragende Elemente
- Nichttragende Innenwände
- Fundation / Fundament
- Deckenkonstruktionen
- Dächer
- Kaminanlagen
- Treppen Rampen Leitern
- Dachbeläge und Spengler
- Fenster
- Sonnen und Wetterschutz
- Aussenputze
- Einbauten, Küchen, Türen
- Bodenbeläge und Unterlagsböden
- Parkett
- Gips, Wand, Decke
Haustechnik und Energie
- Heiztechnik
- Lüftung und Klimatechnik
- Sanitärtechnik
- Elektrotechnik
- Erneuerbare Energie
Whirlpools / Jacuzzi
Hausbau Magazin
- Baufinanzierung trotz Krise?
- Das Blockhaus
- Moderne Dämmstoffe im Vergleich
- Erker Vor- und Nachteile
- Glasflächen beim Hausbau
- Günstig ein Haus Bauen
- Mediterraner Hausbaustil
- Mehrgenerationenhaus
- Moderne Architektur
- Gartengestaltung leicht gemacht
- Traditioneller Ziegelbau
- Villa als höchster Traum
- Im Eigenheim Ruhestand geniessen
- Altbau sanieren
- Kauf einer Holzgarage
- Immobilienmakler
- Arbeitshandschuhe für den Winter
- Zuhause verschönern
- Outdoor-Plissees
- Schlafzimmer planen
- Terrassenüberdachung
- Wohngebäudeversicherung
- Zaunarten und Eigenschaften
- Hauseingang gestalten
- Der perfekte Grundriss
- Sparsamer heizen im Altbau
- Einfamilienhaus smart finanzieren
- Planung einer PV-Anlage
- Neues Haus
- Immobilienfinanzierung
- Installation einer Photovoltaikanlage
- Asbest erkennen und entfernen
- Gartenpflege im Frühling – worauf achten
- Sauna im Fokus - Wellness zuhause
- Erfolgreich vermieten
- Die perfekte Winterbekleidung
- Das Niedrigenergiehaus
- Der April und seine Stürme
- Architektonische Vielfalt
- Ökologisch und nachhaltig bauen
- Das perfekte Schlafzimmer
- Nachhaltige Energieversorgung
- Zukunftsorientiert bauen
- Nachhaltigkeit beim Hausbau
- Tiny Houses
- Wärmepumpen als nachhaltige Heizvariante
- Maßgeschneiderten Kleiderschrank
- Der richtige Baukredit
- Ratgeber für erfolgreichen Hausbau
- Haus als Altersvorsorge
Do-it-yourself Anleitungen
- Verlegeanleitung für Bodenbeläge und Parkett
- Bodenbeläge und Parkett reinigen und pflegen
- Malerarbeiten am Haus
- Garten Tipps
- Umzug und Reinigung

ᐅ Brötje BLW Neo 8 Heizkurve Einstellungen

Erstellt am: 02.10.20 08:09
A
Alessandro
D
Daniel-Sp
15.10.20 23:37
Hast du heute Abend die Heizkurve nochmal angehoben?
A
Alessandro
15.10.20 23:54
Daniel-Sp schrieb:

Hast du heute Abend die Heizkurve nochmal angehoben?

nein
D
Daniel-Sp
15.10.20 23:57
OK.
Wenn du das IR Thermometer hast und der Heizstab deaktiviert ist, geht es an das Badezimmer.
Ich habe etwas Befürchtungen das der Heizstab zuheizt und deswegen der Rücklauf wärmer ist als der Vorlauf. Das müssen wir ausschließen.
D
Daniel-Sp
15.10.20 23:59
Ich fürchte, die wohnst nicht in Hamburg...
A
Alessandro
16.10.20 00:14
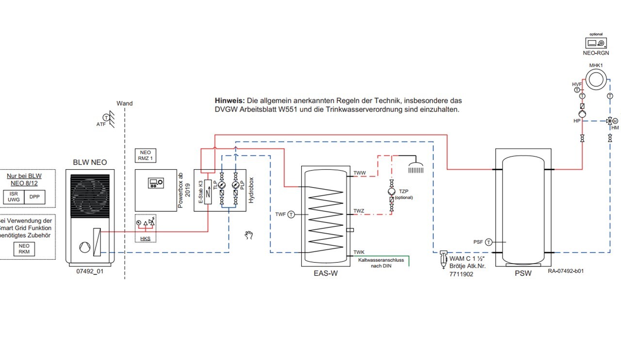
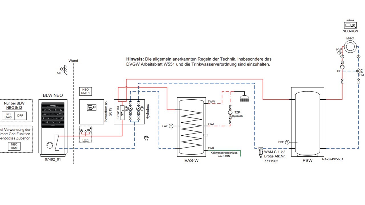
laut Hydraulikschema ist der Rücklauffühler = Pufferspeicherfühler oder?
Ich sehe zumindest keinen Fühler im Rücklauf. Oder ist der im HM verbaut?


Technische Skizze einer Heizungsanlage: Pumpen, Wärmetauscher, Regelung, rotes/blaues Rohrsystem.
A
Alessandro
16.10.20 00:16
warum der Heizstab zu einer erhöhten Rücklauf-Temp führen sollte, verstehe ich nicht.
Nein, ich komme leider nicht aus Hamburg
heizstabrücklauf