ᐅ Badplanung mit Wäscheabwurfschacht
Erstellt am: 07.07.16 13:50
Nachdem hier im Moment so fleißig an einigen Bädern geplant wird und da durchaus gute Ideen und Vorschläge kamen, würde ich auch gerne unser Bad zur Diskussion stellen.
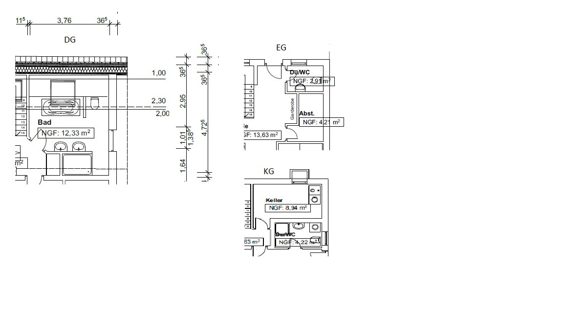
Insbesondere wünschen wir uns noch einen Wäscheabwurfschacht, wissen aber nicht so recht wo wir den platzieren sollen damit das auch im EG mit dem Schacht passt. Auch in der Position der Toilette und der Waschbecken sind wir noch unschlüssig.
Die Badewanne soll unter das Dachfenster, das Dachfenster kann allerdings noch geschoben werden.
Vielleicht hat hier ja jemand die zündende Idee.

Insbesondere wünschen wir uns noch einen Wäscheabwurfschacht, wissen aber nicht so recht wo wir den platzieren sollen damit das auch im EG mit dem Schacht passt. Auch in der Position der Toilette und der Waschbecken sind wir noch unschlüssig.
Die Badewanne soll unter das Dachfenster, das Dachfenster kann allerdings noch geschoben werden.
Vielleicht hat hier ja jemand die zündende Idee.
J
Jochen10407.07.16 14:03Hallo,
dann versuche ich mich auch mal hier.
Als erstes sollte die Position des Wäscheabwurfs festgelegt werden, weil hiervon die weitere Planung abhängt. Optimal wäre der für mich so positioniert, dass er im EG im Abstellraum oben rechts verläuft und dann im KG unten rechts im Waschkeller heraus kommt.
Ob das so möglich ist, lässt sich leider ohne Bemaßung der anderen Räume nicht feststellen.
dann versuche ich mich auch mal hier.
Als erstes sollte die Position des Wäscheabwurfs festgelegt werden, weil hiervon die weitere Planung abhängt. Optimal wäre der für mich so positioniert, dass er im EG im Abstellraum oben rechts verläuft und dann im KG unten rechts im Waschkeller heraus kommt.
Ob das so möglich ist, lässt sich leider ohne Bemaßung der anderen Räume nicht feststellen.
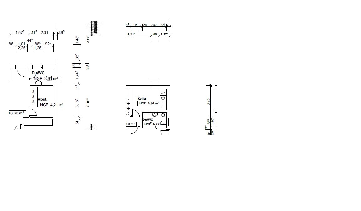
Hier noch die Maße aus EG und KG
Unsere Idee war ebenfalls im Bad neben dem Fenster an der Außenwand den Schacht zu platzieren. Allerdings haben wir Bedenken dass das etwas komisch aussieht an dieser Stelle. Auch wäre dann die Toilette dort etwas eingeengt wenn sie da bleibt, wo sie eingezeichnet ist.

Unsere Idee war ebenfalls im Bad neben dem Fenster an der Außenwand den Schacht zu platzieren. Allerdings haben wir Bedenken dass das etwas komisch aussieht an dieser Stelle. Auch wäre dann die Toilette dort etwas eingeengt wenn sie da bleibt, wo sie eingezeichnet ist.
J
Jochen10407.07.16 14:12Im KG fehlt das Maß des Raumes "Keller". Aber das musst du hier auch nicht einstellen, sondern kannst dir die Position selbst ausrechnen.
Ähnliche Themen