ᐅ Unerwartete Spannung gemessen - Erklärung?
Erstellt am: 13.03.2021 16:00
Nanopixel 13.03.2021 16:00
Hallo zusammen,
bei meinem Kühlschrank habe ich hinten an der Anlassvorrichtung (ähnlich der im angehängten Bild) mit dem Multimeter die Spannung gemessen und dabei seltsame Werte festgestellt.
An 1 und 2 liegt direkt das Netzkabel und damit Dauerspannung, hier misst man ca. 230V, also wie erwartet.
An 3 und 4 liegt Spannung an, wenn das Relais schaltet (also der Kompressor laufen soll). Wenn das Teil läuft und man hier misst, erhält man eine Spannung von über 270V (!)
Auch wenn man (im geschalteten Zustand) zwischen 4 und 2 oder zwischen 1 und 3 die Spannung misst, erhält man diesen Wert.
Wie ist das erklärbar?
Gruß
N

bei meinem Kühlschrank habe ich hinten an der Anlassvorrichtung (ähnlich der im angehängten Bild) mit dem Multimeter die Spannung gemessen und dabei seltsame Werte festgestellt.
An 1 und 2 liegt direkt das Netzkabel und damit Dauerspannung, hier misst man ca. 230V, also wie erwartet.
An 3 und 4 liegt Spannung an, wenn das Relais schaltet (also der Kompressor laufen soll). Wenn das Teil läuft und man hier misst, erhält man eine Spannung von über 270V (!)
Auch wenn man (im geschalteten Zustand) zwischen 4 und 2 oder zwischen 1 und 3 die Spannung misst, erhält man diesen Wert.
Wie ist das erklärbar?
Gruß
N
Mycraft 13.03.2021 16:20
Das ist nicht unerwartet sondern absolut normal.
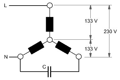
Es ist eine Steinmetzschaltung.
Durch den Kondensator wird eine Hilfsphase erzeugt. Diese hat allerdings anstatt 120° nur eine Phasenverschiebung von weniger als 90°. Es wird also nur ein elliptisches Drehfeld erzeugt, das jedoch ausreicht, um dem Motor eine Drehrichtung vorzugeben, sodass er selbstständig anläuft. Allerdings hat der Motor dadurch auch einen welligen Drehmomentverlauf und es entstehen je nach abgefordertem Drehmoment Brummgeräusche mit der doppelten Netzfrequenz. Der Kondensator und die Spule des Motors bilden zusammen einen Reihenschwingkreis. Im Betrieb entsteht am Kondensator daher eine höhere Spannung als die Netzspannung.Damit er nicht zerstört wird, sollte er wie beim Kondensatormotor für 400…450 V Wechselspannung ausgelegt sein. Bedingt durch den Kondensator sind die Ströme in den einzelnen Strängen unterschiedlich groß. Der Anlaufstrom des Motors ist vom erforderlichen Drehmoment abhängig und beträgt ein Mehrfaches des Nennstromes. Da es durch den Betrieb größerer Motoren zu verstärkten einphasigen Belastungen des Netzes kommt, ist die Erlaubnis zum Betrieb von Motoren mit Steinmetzschaltung je nach Versorger auf 1,5 kW begrenzt.

Es ist eine Steinmetzschaltung.
Durch den Kondensator wird eine Hilfsphase erzeugt. Diese hat allerdings anstatt 120° nur eine Phasenverschiebung von weniger als 90°. Es wird also nur ein elliptisches Drehfeld erzeugt, das jedoch ausreicht, um dem Motor eine Drehrichtung vorzugeben, sodass er selbstständig anläuft. Allerdings hat der Motor dadurch auch einen welligen Drehmomentverlauf und es entstehen je nach abgefordertem Drehmoment Brummgeräusche mit der doppelten Netzfrequenz. Der Kondensator und die Spule des Motors bilden zusammen einen Reihenschwingkreis. Im Betrieb entsteht am Kondensator daher eine höhere Spannung als die Netzspannung.Damit er nicht zerstört wird, sollte er wie beim Kondensatormotor für 400…450 V Wechselspannung ausgelegt sein. Bedingt durch den Kondensator sind die Ströme in den einzelnen Strängen unterschiedlich groß. Der Anlaufstrom des Motors ist vom erforderlichen Drehmoment abhängig und beträgt ein Mehrfaches des Nennstromes. Da es durch den Betrieb größerer Motoren zu verstärkten einphasigen Belastungen des Netzes kommt, ist die Erlaubnis zum Betrieb von Motoren mit Steinmetzschaltung je nach Versorger auf 1,5 kW begrenzt.
Nanopixel 13.03.2021 20:49
Ah super danke für die ausführliche Erläuterung!
Dieses Prinzip war mir bisher nicht bekannt - bisschen gegoogelt, offenbar setzt man die Steinmetzschaltung ein, um Drehstrommotoren einphasig zu betreiben. Was dann in meinem Fall wohl der Kompressor des Kühlschranks ist.
Jetzt stellt sich dadurch für mich eine weitere Frage: Was, wenn man oben an den von mir als 3 und 4 bezeichneten Stellen mittels Abzweigklemmen parallel einen anderen Verbraucher anschließt (keinen Motor), der aber 230V erwartet?
Ich frage deshalb, weil es mein ursprünglicher Plan war, hier einen Trafo und dahinter 12V PC Lüfter anzuschließen, die immer dann laufen, wenn der Kompressor läuft.
Ich war natürlich zu ungeduldig und habe es schon ausprobiert und auch hier überrascht das Resultat: Obwohl mehr als 270V am Trafo anliegen, liefert er trotzdem exakt 12,0 V am Ausgang und der Lüfter läuft normal... warum?
MfG
N
Dieses Prinzip war mir bisher nicht bekannt - bisschen gegoogelt, offenbar setzt man die Steinmetzschaltung ein, um Drehstrommotoren einphasig zu betreiben. Was dann in meinem Fall wohl der Kompressor des Kühlschranks ist.
Jetzt stellt sich dadurch für mich eine weitere Frage: Was, wenn man oben an den von mir als 3 und 4 bezeichneten Stellen mittels Abzweigklemmen parallel einen anderen Verbraucher anschließt (keinen Motor), der aber 230V erwartet?
Ich frage deshalb, weil es mein ursprünglicher Plan war, hier einen Trafo und dahinter 12V PC Lüfter anzuschließen, die immer dann laufen, wenn der Kompressor läuft.
Ich war natürlich zu ungeduldig und habe es schon ausprobiert und auch hier überrascht das Resultat: Obwohl mehr als 270V am Trafo anliegen, liefert er trotzdem exakt 12,0 V am Ausgang und der Lüfter läuft normal... warum?
MfG
N
seat88 13.03.2021 20:54
Mit welchem Hintergedanken willst du dein Experiment vollziehen?
Mycraft 13.03.2021 21:22
Ohne fundierte Kenntnisse würde ich da gar nicht mehr rangehen an deiner Stelle. Strom ist tödlich.
An 230V Stromkreisen haben nur ausgebildete Fachkräfte zu hantieren und das aus gutem Grund. Für die Laien wurde der Schuckostecker geschaffen nachdem ist Schluss. Alles dahinter -> ausgebildete Fachkraft.
An 230V Stromkreisen haben nur ausgebildete Fachkräfte zu hantieren und das aus gutem Grund. Für die Laien wurde der Schuckostecker geschaffen nachdem ist Schluss. Alles dahinter -> ausgebildete Fachkraft.
Nanopixel 13.03.2021 21:23
Wer sagt dass ich Laie bin.
Kann ich bitte nur eine Antwort auf meine Frage bekommen.
Kann ich bitte nur eine Antwort auf meine Frage bekommen.