ᐅ Heizung Wintergarten Galerie
Erstellt am: 04.03.16 22:54
Hall zusammen,
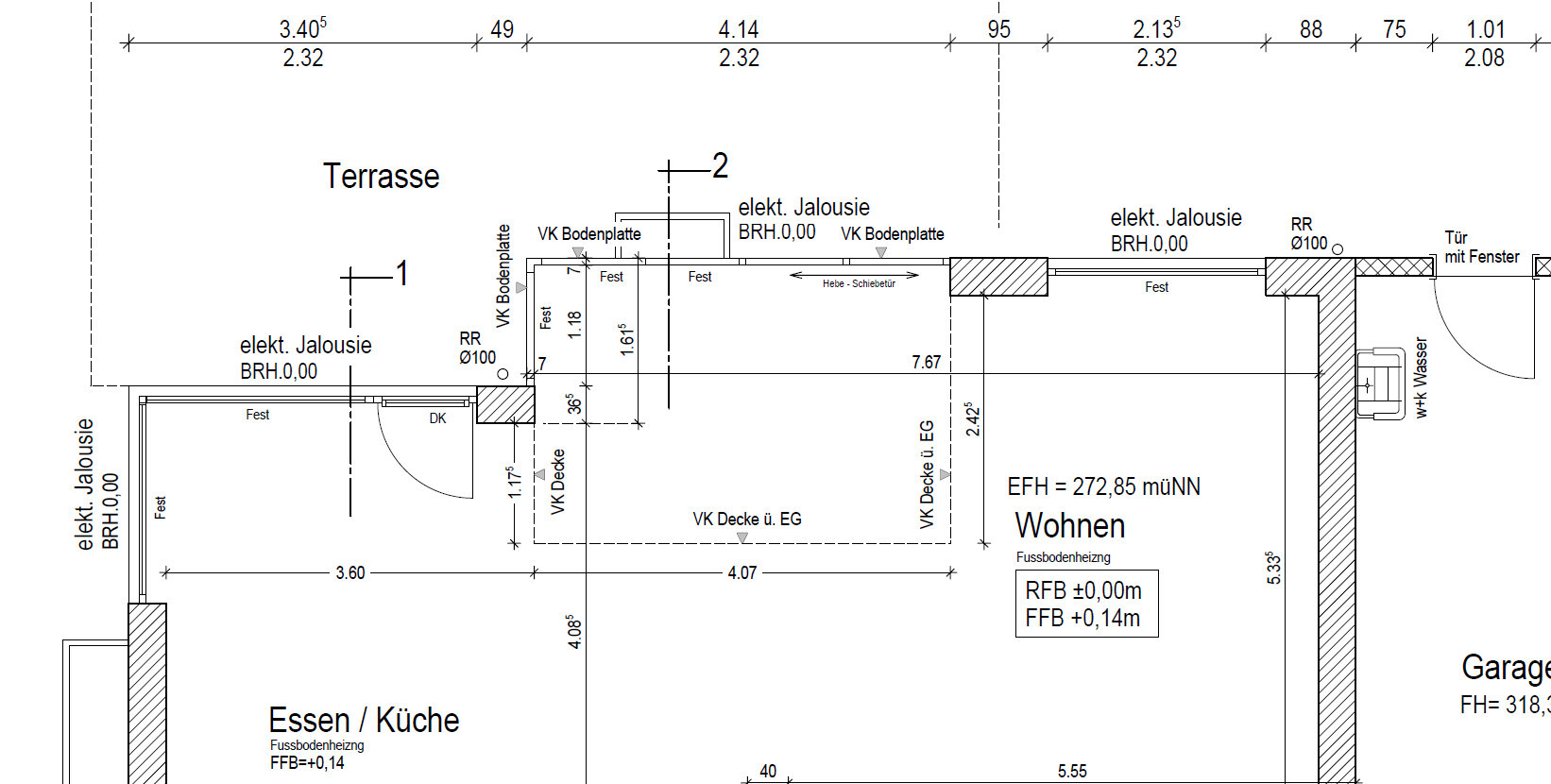
wir werden bei uns einen im Wohnraum integrierten Wintergarten mit ordentlich Dachverglasung verbauen. Nun kam von einem Wintergartenbauer der Hinweis, man bräuchte da eine Konvektoren-Heizung vor den Scheiben da die Fußbodenheizung nicht ausreicht. Der Wintergarten wird 3 Fachverglasung haben.

Hat jemand ähnliches verbaut und kann aus Erfahrung berichten, was man wirklich braucht. DIe Konvektorenheizung möchte ich wenn möglich vermeiden, da hässlich und störend...auch wenn im Boden versenkt.
Danke + Gruß

wir werden bei uns einen im Wohnraum integrierten Wintergarten mit ordentlich Dachverglasung verbauen. Nun kam von einem Wintergartenbauer der Hinweis, man bräuchte da eine Konvektoren-Heizung vor den Scheiben da die Fußbodenheizung nicht ausreicht. Der Wintergarten wird 3 Fachverglasung haben.
Hat jemand ähnliches verbaut und kann aus Erfahrung berichten, was man wirklich braucht. DIe Konvektorenheizung möchte ich wenn möglich vermeiden, da hässlich und störend...auch wenn im Boden versenkt.
Danke + Gruß
B
Bauexperte05.03.16 08:58Guten Tag,
wie groß - also in Quadratmeter - ist der Wintergarten?
Grüße, Bauexperte
wie groß - also in Quadratmeter - ist der Wintergarten?
Grüße, Bauexperte
S
Sebastian7905.03.16 21:47BTW & OT: 14cm Bodenaufbau ist sehr knapp bemessen - hoffe, Euer Sanitär und Elektriker sprechen sich gut ab.
Sebastian79 schrieb:
BTW & OT: 14cm Bodenaufbau ist sehr knapp bemessen - hoffe, Euer Sanitär und Elektriker sprechen sich gut ab.Ich vermute unsere Stromleitungen sind in den Decken einbetoniert.