A
Alessandro30.10.20 22:48wenn überhaupt.
Der Verteiler ist im Hauswirtschaftsraum knapp unter der Decke. Direkt darüber ist das Bad. Näher ist nur der Hauswirtschaftsraum selbst, der aber vom Verteiler am Boden bedient wird
Der Verteiler ist im Hauswirtschaftsraum knapp unter der Decke. Direkt darüber ist das Bad. Näher ist nur der Hauswirtschaftsraum selbst, der aber vom Verteiler am Boden bedient wird
D
Daniel-Sp30.10.20 22:5712qm abzüglich Badewanne?
A
Alessandro30.10.20 22:58ja.
In der begehbaren Dusche ist (glaub ich) auch keine Fußbodenheizung verlegt
In der begehbaren Dusche ist (glaub ich) auch keine Fußbodenheizung verlegt
D
Daniel-Sp30.10.20 23:08Dann müsste der Verlegeabstand irgendwo zwischen 10 und 12cm liegen. Nach den Bildern hätte ich eher auf 15cm getippt.
Weißt du welche Rohre er genommen hat
Weißt du welche Rohre er genommen hat
@Alessandro
Es Steht auf dem Rohr drauf, aber wie angemerkt sehen sie sehr dünn aus.
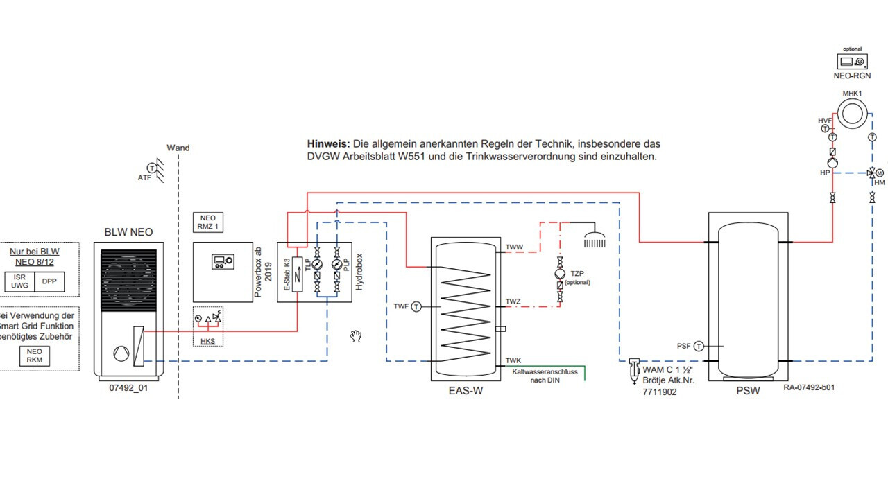
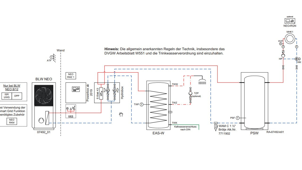
Ich vermute es läuft auf einen zusätzlichen Wärmeerzeuger hinaus, der Sanitäter hat das ja mit dem Handtuch Heizkörper schon versucht zu lösen. Aber ich würde einen elektrischen bevorzugen der für das duschen und Baden angeworfen wird.
Es Steht auf dem Rohr drauf, aber wie angemerkt sehen sie sehr dünn aus.
Ich vermute es läuft auf einen zusätzlichen Wärmeerzeuger hinaus, der Sanitäter hat das ja mit dem Handtuch Heizkörper schon versucht zu lösen. Aber ich würde einen elektrischen bevorzugen der für das duschen und Baden angeworfen wird.
A
Alessandro31.10.20 12:12ja das will ich vermeiden.
ich hatte seit gestern 21:30 bis 10:30 insgesamt 13 Verdichterstarts mit 3h Heizbetrieb
Ich weiß nicht mehr was ich noch versuchen könnte.
Das Problem liegt einfach daran dass die Rücklauf Temperatur sehr schnell erreicht wird und die Wärmepumpe abschaltet. Hysterese habe ich auf 2° gestellt, wie empfohlen.
Bei einer aktuellen AT=14°, soll die Puffertemperatur (= Rücklauf, nach dem geregelt wird) 25° entsprechen.
Bei der Heizkurve, sollte der Wert jedoch um die 22° liegen oder?
Heizkurve Wärmepumpe:
15° = 22°
0° = 27 °
-15° = 30°

ich hatte seit gestern 21:30 bis 10:30 insgesamt 13 Verdichterstarts mit 3h Heizbetrieb
Ich weiß nicht mehr was ich noch versuchen könnte.
Das Problem liegt einfach daran dass die Rücklauf Temperatur sehr schnell erreicht wird und die Wärmepumpe abschaltet. Hysterese habe ich auf 2° gestellt, wie empfohlen.
Bei einer aktuellen AT=14°, soll die Puffertemperatur (= Rücklauf, nach dem geregelt wird) 25° entsprechen.
Bei der Heizkurve, sollte der Wert jedoch um die 22° liegen oder?
Heizkurve Wärmepumpe:
15° = 22°
0° = 27 °
-15° = 30°
Ähnliche Themen