PlanerNr.001
2015-07-08 15:33:20
- #1
你好,
我们正在寻找有关我们户型图的想法和意见。图纸是由建筑商根据我们的铅笔草图绘制的。
独立的单户住宅,位于狭长的地块上。
规定:
建筑占地面积(外墙)最大110平方米
长度与宽度的比例至少为1.2倍
人字屋顶,屋顶坡度24-25°,屋脊方向规定(南侧为较窄一侧)
2层楼,最高高度从地面标高到屋顶表层不超过6.4米
规定入口通道(道路位于南侧)
我们的需求
2个可分隔的独立居住单元(以便将来养老使用)
一层:
客厅与厨房/餐区分开(目前为开放式厨房,但小厨房+餐厅也可以)
可扩展至10人用餐区(可能也可考虑在客厅设)
1间客房/办公室(或用于养老或病情时的卧室)
1个无障碍淋浴卫生间
因为我们经常有客人,客房和淋浴最好能分开——但我不知道如何实现。
客厅:为了节省成本和空间,从走廊加热的瓷砖炉我们几乎已去除优化。
储藏室/宽敞的衣帽间/换衣间
二层:
3间卧室
带浴缸、淋浴、洗衣机和干衣机的浴室
1个洗衣房/衣物和洗涤物储藏室
地下室:
不供暖,简易
供暖设备+储藏空间
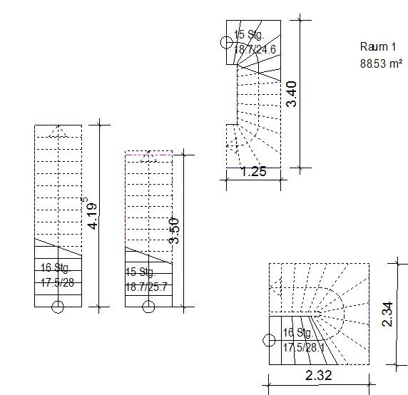
楼梯:
应舒适,宽度至少1米
2.5 x 2米的尺寸足够吗?
其他:
东侧入口,距地界4米
西侧距地界5米


我们正在寻找有关我们户型图的想法和意见。图纸是由建筑商根据我们的铅笔草图绘制的。
独立的单户住宅,位于狭长的地块上。
规定:
建筑占地面积(外墙)最大110平方米
长度与宽度的比例至少为1.2倍
人字屋顶,屋顶坡度24-25°,屋脊方向规定(南侧为较窄一侧)
2层楼,最高高度从地面标高到屋顶表层不超过6.4米
规定入口通道(道路位于南侧)
我们的需求
2个可分隔的独立居住单元(以便将来养老使用)
一层:
客厅与厨房/餐区分开(目前为开放式厨房,但小厨房+餐厅也可以)
可扩展至10人用餐区(可能也可考虑在客厅设)
1间客房/办公室(或用于养老或病情时的卧室)
1个无障碍淋浴卫生间
因为我们经常有客人,客房和淋浴最好能分开——但我不知道如何实现。
客厅:为了节省成本和空间,从走廊加热的瓷砖炉我们几乎已去除优化。
储藏室/宽敞的衣帽间/换衣间
二层:
3间卧室
带浴缸、淋浴、洗衣机和干衣机的浴室
1个洗衣房/衣物和洗涤物储藏室
地下室:
不供暖,简易
供暖设备+储藏空间
楼梯:
应舒适,宽度至少1米
2.5 x 2米的尺寸足够吗?
其他:
东侧入口,距地界4米
西侧距地界5米